EasyManua.ls Logo

Philips 22RC026/00 - Page 27

Philips 22RC026/00
39 pages
Print Icon
To Next Page IconTo Next Page
To Next Page IconTo Next Page
To Previous Page IconTo Previous Page
To Previous Page IconTo Previous Page
Loading...
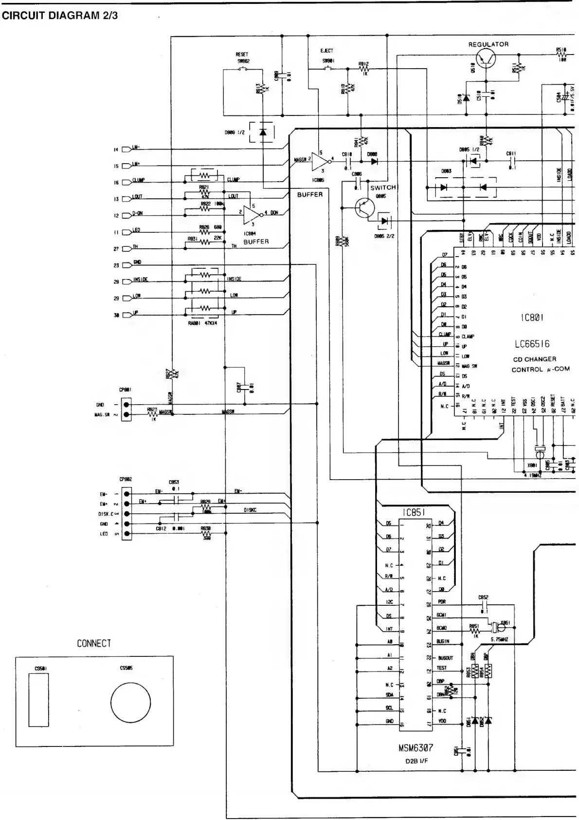
CIRCUIT
DIAGRAM
2/3
REGULATOR
«
=
14
I5
_
16
=
13
(2
iI
2?
:
23
28
[D>
a
wees:
C82!
LC66516
ad
CD
CHANGER
Dass
CONTROL
«-COM
aw
OS
=
A/D
mn
RAN
=
=
AD
5
£2228
622825
2
WAG.SR
ro
seo
SBRPRPBRSBNS
B
m
mi
=
F
2
|
9
res
Moe
J
Eee,
7
(AAPOR
tees
cay
cBi2
8.801
ROBB
a
:
=,
LED
own
iy
\
CONNECT
CSse!
(S585
MSM630/7
D2B
I/F