EasyManua.ls Logo

Philips 32PFL7422/79 - Page 55

Philips 32PFL7422/79
117 pages
Print Icon
To Next Page IconTo Next Page
To Next Page IconTo Next Page
To Previous Page IconTo Previous Page
To Previous Page IconTo Previous Page
Loading...
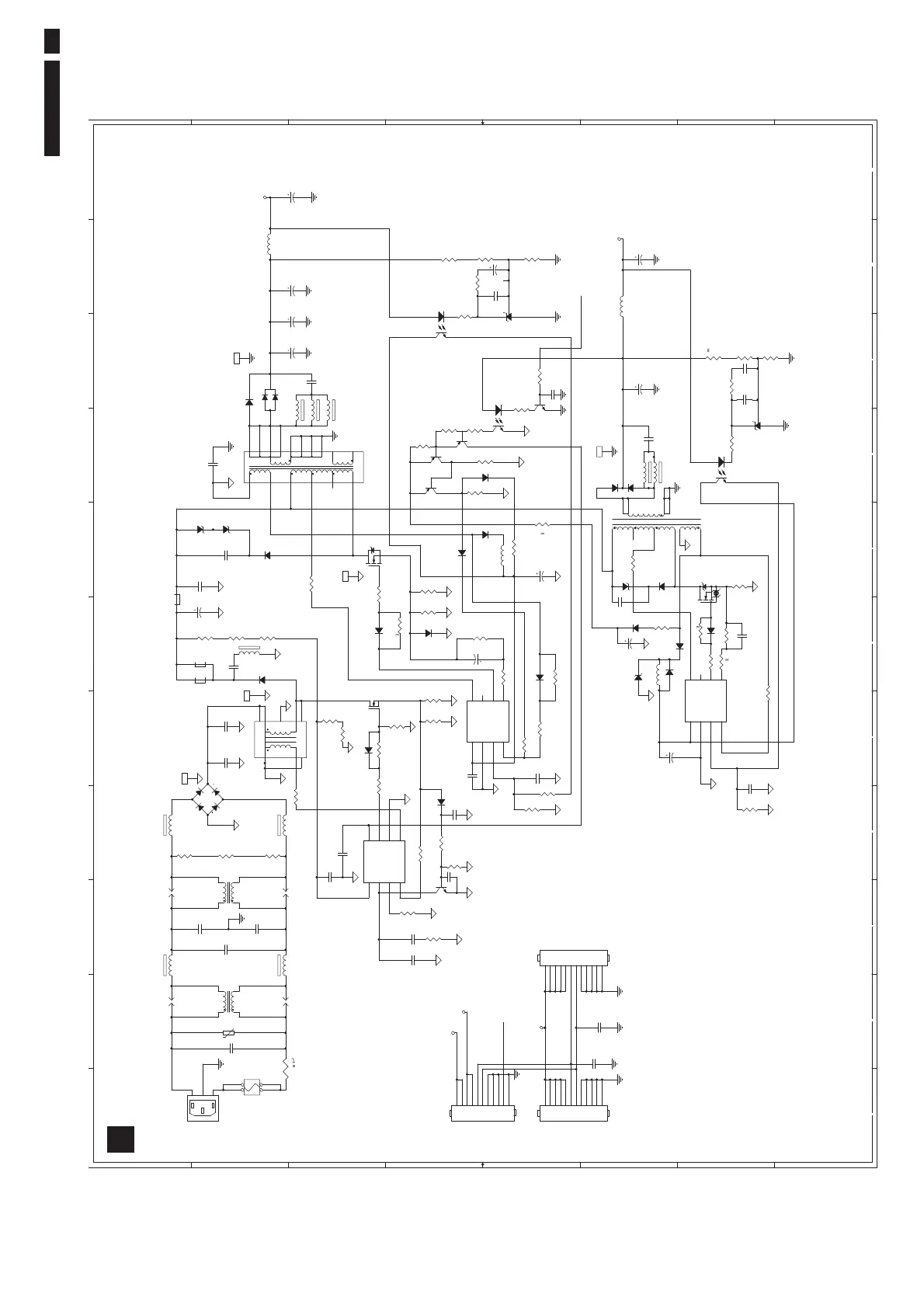
Power Schematic Diagram(for 37TA)Board
55
TPT1.1ALA
7.Circuit Diagrams and PWB Layouts
P
1
1
2
2
3
3
4
4
5
5
6
6
7
7
8
8
9
9
10
10
11
11
A A
B B
C C
D D
E E
F F
G G
H H
BD901 A4 CN902 D1
CN903 E1 CN904 A1
CN905 E3 C900 B8
C901 B3 C902 B3
C907 B6 C908 B2
C909 B3 C912 D3
C913 C3 C914 E4
C916 D3 C917 G4
C919 G6 C920 C4
C921 E7 C922 D5
C924 G9 C926 B6
C934 F10 C935 B5
C937 E9 C938 B5
C939 C9 C940 F8
C942 F1 C943 F2
C944 B7 C945 F6
C946 E10 C947 D6
C948 B6 C952 B9
C953 B9 C954 B11
C955 F9 C956 B10
C957 F5 C958 F6
C959 E10 C960 G8
C961 D4 C962 D3
D901 B6 D906 E6
D907 D7 D908 F6
D910 D8 D911 D7
D912 D6 D914 C6
D915 C5 D918 F6
D919 G6 D920 D4
D922 B8 D924 F6
D925 B7 D926 B8
D927 F8 D929 F6
FB903 B6 FB904 B6
FB905 A6 FB914 C8
FB915 C8 FB917 C8
FB919 F8 FB920 F8
FB921 B6 FB922 A4
FB923 B4 FB924 A2
FB925 B2 F901 B1
HBD901 A4 HD901 B5
HD922 B9 HD927 F8
HQ901 C7 IC902 C3
IC904 D5 IC907 G5
IC909 E8 IC910 D9
IC911 G8 IC912 E9
IC913 G8 L910 B10
L911F9 L912B3
L913 B2 L914 B5
L915 E7 L916 F6
Q901 C7 Q902 C5
Q908 G6 Q912 D8
Q913 D8 Q914 D8
Q915 E8 Q916 D3
RV902 B2 R913 D3
R914 G6 R915 D8
R916 D8 R918 C4
R922 D6 R923 E6
R924 D5 R925 E4
R926 D5 R927 D6
R928 E8 R929 D5
R930 C6 R932 D4
R933 G4 R934 G6
R935 G6 R936 D10
R937 E10 R938 D9
R939 D10 R940 D10
R941 G9 R942 D6
R943 G8 R944 G9
R945 G9 R946 E9
R947 G9 R948 E7
R949 D6 R950 E6
R951 F7 R952 C5
R953 E5 R956 D8
R957 D7 R958 E5
R959 B4 R960 A4
R961 B4 R962 D3
R963 C6 R964 C4
R965 G6 R969 B6
R970 B6 R971 B6
R972 C5 R973 C5
R974 G6 R975 D8
R976 E7 R977 F6
R978 G5 R979 E4
R980 D4 R981 D4
SG1 A2 SG2 B2
SG3 A3 SG4 B3
TH902 B1 T904 F7
T905 B8 ZD902 B7
ZD904 B7 ZD906 F6
E377G2NK7 WP MN S ( 715T2484-1)
1
DLH 37MF437B POWER BOARD
C
11Jan 23, 2007
CP NR. CL7xxxx
Title
Size Document Number Rev
Date: Sheet
of
INV-ON/OFF
STANDBY
Bright_adj
STANDBY
24V
24V
12V
12V
24V
HD927
HEATSINK
R969
470K 1/8W
C961
330N 25V
C948
2.2NF 500V
RV902
TVR14511KFC4FY
D924
UF1007
C943
0.1uF/25V
R952
100R 1/8W
FB925
BEAD
1 2
D922
STPS20H100CFP
1
2
3
Q914
BC857C
C908
0.68U 275V
C962
470P 50V
Q902
STW25NM60N
R914
4K7 1/8W
ZD908
BZX79-B18
1 2
R944
8.2K
R926
0R15 1W
D907
RGP10D
R946
4.7K
Q916
BC847C
R970
470K 1/8W
R925
1K
R963
2R2 1/6W
R964
2R2 1/6W
F901
T5AH-250V
C916
330N 25V
D929
BAV103
CN902
CONN
1
2
3
4
5
6
7
8
9
10
11
R981
47K 1/8W
R938
4.7K
HBD901
HEATSINK
C952
1000uF 35V
R922
12K 1/8W
C947
10uF 50V
R943
3K3 1/8W
R939
18K 1/8W
ZD902
P6KE120A
1
2
D915
BAV103
FB922
BEAD
1 2
FB921
35R W5RH2.5X3X1.0
1
2
Q901
STP10NK80ZFP
2
1
3
R971
470K 1/8W
C938
NC
R913
33K 1/8W
L91547U
R945
330
1%
R9791K?
C907
180uF 450V
C954
47uF 35V
C924
330N 25V
R973
620R 1/8W
C942
0.1uF/25V
R936
100K
C960
470P 50V
HD922
HEATSINK
HQ901
HEATSINK
C959
470P 50V
C934
47uF 25V
IC909
TCET1103G
1
2
4
3
R941
2K2 1/8W
IC912
TL431ACZ-AP
1
3
2
IC911
TCET1103G
1
2
4
3
R961
180K 1/4W
R932
330R 1/6W
FB917
35R W5RH2.5X3X1.0
1 2
R962
47K 1/8W
FB920
35R W5RH2.5X3X1.0
1 2
C946
2uF2 50V
R947
47K
R977
10R 1/4W
C921
100uF 25V
R927
1R5 1/8W
SG1
GS41-201MA
R948
1.5K 1/8W
FB915
35R W5RH2.5X3X1.0
1 2
D925
UF1007
R965
2R2 1/4W
R929
47K 1/8W
R915
33K 1/8W
R949
0R15 1W
R978
330K
C919
1uF/25V
Q913
BC857C
D910
LL4148
D906
LL4148
CN904
20174
1
2
3
L
E
N
FB924
BEAD
1 2
ZD904
P6KE120A
1
2
C917
47N 50V
FB914
35R W5RH2.5X3X1.0
1 2
C944
1500PF 500V
C957
10uF 25V
R956
150K? 1/8W
R980
3.3K
L914
HJC-S5232
3
7
10
14
2
5
813
IC904
TEA1507P
1
2
3
4
8
7
6
5
VCC
GND
Ctrl
Demag
Drain
NC
Driver
Sense
R934
330
FB904
3.5*4.7
SG2
GS41-201MA
R975
4.7K
C922
0.1uF/25V
C958
47uF 25V
C901
470PF
C900
1500pF / 250V
R928
12K 1/8W
D901
STTH8L06FP
C912
1uF/25V
R930
1K 1/8W
D918
BAV21
R957
100K 1/8W
Q912
BC857C
R959
220K 1/4W
IC913
TL431ACZ-AP
1
3
2
SG3
GS41-201MA
L916
47U
R974
0R3 1/4W
C935
2.2uF 450V
R933
1K
C909
0.68U 275V
L912
8mH 4.0A
1
2
4
3
HD901
HEATSINK
TH902
NTCR
1 2
FB919 35R W5RH2.5X3X1.0
1 2
D919 BAV103
D926
BYV27/200
R918 47K?
D914
BAV103
FB923BEAD
1 2
R958
300K
D908
RGP10D
C920
0.1uF/25V
C902
470PF
R937
2K2 1/8W
C913
1N 50V
Q915
BC847C
R950
560K 1/8W
D927
SP1060
1
2
3
C940
0.01uF 100V
R951
1K 1/8W
C914
47N 50V
SG4
GS41-201MA
R972
8K2 1/8W
IC902
SG6961
1
2
3
4
8
7
6
5
FB
Comp
Mult
CS
Vcc
Driver
GND
ZCD
FB905
3.5*4.7
IC910
TCET1103G
1
2
4
3
CN903
64842 12P 2.5MM
1
2
3
4
5
6
7
8
9
10
11
12
R953
330K
T904
ER-28-3(12P)
3
4
1
2
9
10
11
8
6
5
D911
RGP10D
C945
1500PF 500V
IC907
TEA1507P
1
2
3
4
8
7
6
5
VCC
GND
Ctrl
Demag
Drain
NC
Driver
Sense
R916
33K 1/8W
L913
8mH 4.0A
1
2
4
3
R935
47
FB903
3.5*4.7
D920 BAV21
C937
0.1uF/25V
R924
0R15 1W
R942
100 1/8W
L911
2u3H
R976
47
CN905
64842 12P 2.5MM
1
2
3
4
5
6
7
8
9
10
11
12
ZD906
P4KE250A-E3
1
2
C955
2200UF 16V
D912
RGP10D
BD901
GBU6J
2
1
3
4
R960
220K 1/4W
C926
1.5NF/1KV
T905
ER4215
5
3
4
6
7
8
15
14
13
10
11
12
16
9
R923
330R 1/8W
R940
1K5 1/8W
C953
1000uF 35V
C939
0.018uF 100V
Q908
STP7NK80ZFP
2
1
3
C956
1000uF 35V
L910
2u4H

Related product manuals