EasyManua.ls Logo

Philips 7629 - Page 127

Philips 7629
374 pages
Print Icon
To Next Page IconTo Next Page
To Next Page IconTo Next Page
To Previous Page IconTo Previous Page
To Previous Page IconTo Previous Page
Loading...
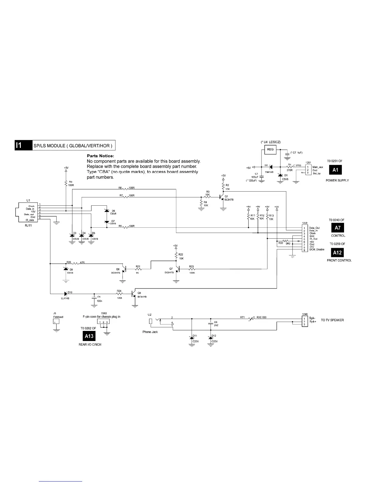
USED ONLY IN MODELS: PC0125C321, PC0127C321, PL0125C321, PLW225S321, PRF227S325 (7629) - SP/LS Panel Schematic

Related product manuals