EasyManua.ls Logo

Philips AX2300 - Page 14

Philips AX2300
22 pages
Print Icon
To Next Page IconTo Next Page
To Next Page IconTo Next Page
To Previous Page IconTo Previous Page
To Previous Page IconTo Previous Page
Loading...
4-6
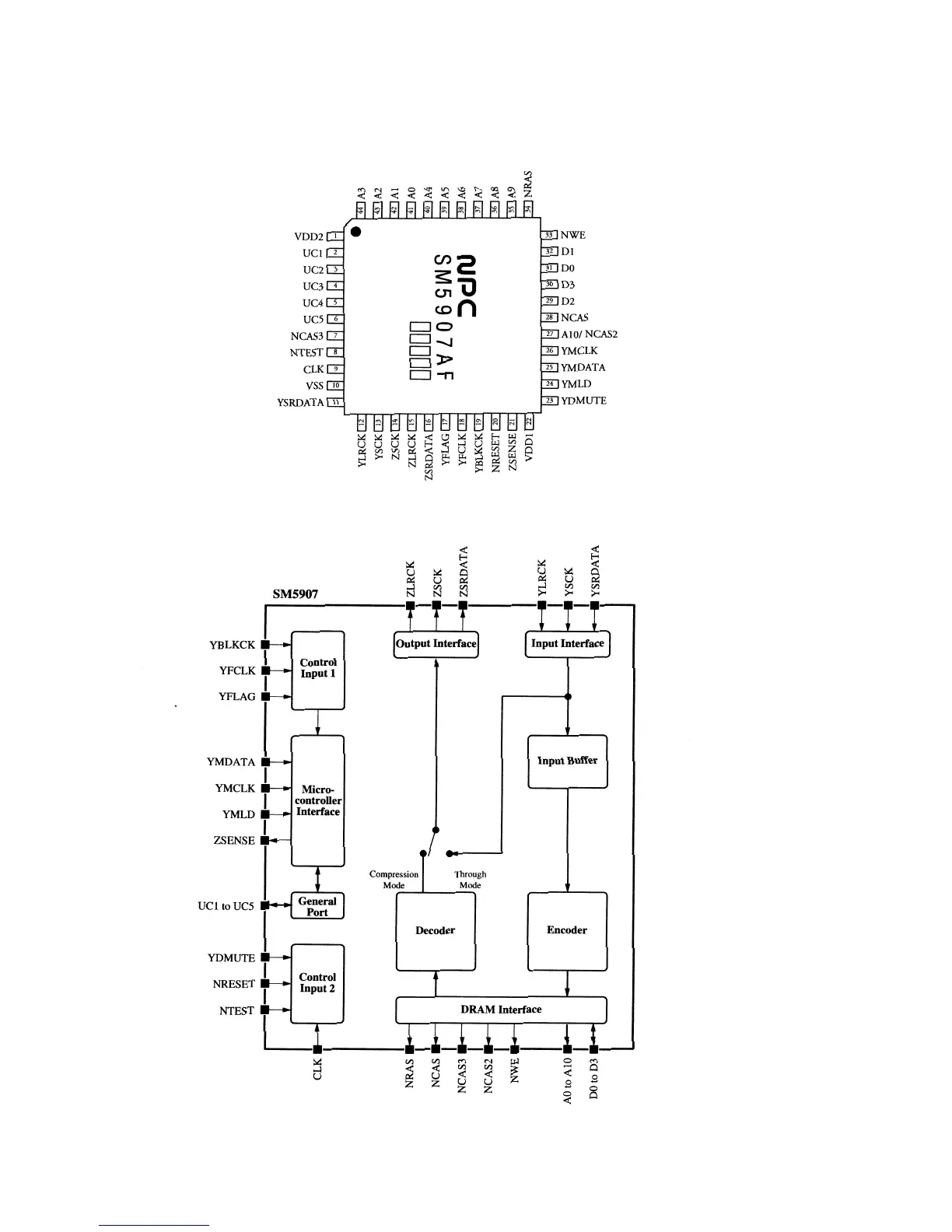
IC BLOCK DIAGRAM
U6: SM5907AF

Related product manuals