EasyManua.ls Logo

Philips AZ5836 - Page 11

Philips AZ5836
20 pages
Print Icon
To Next Page IconTo Next Page
To Next Page IconTo Next Page
To Previous Page IconTo Previous Page
To Previous Page IconTo Previous Page
Loading...
4 - 14 - 1
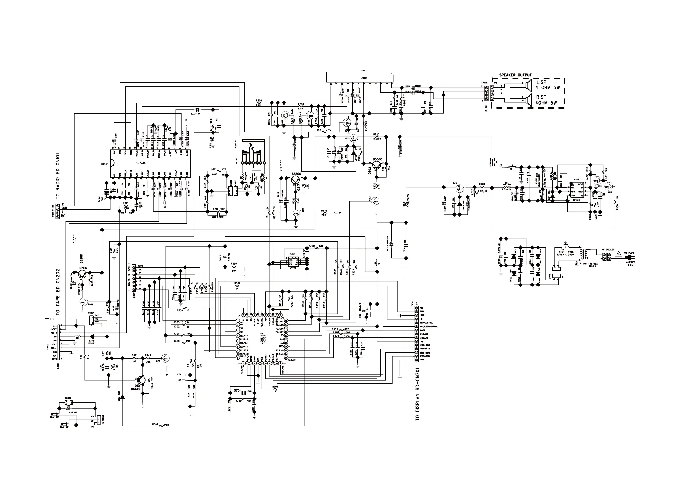
CIRCUIT DIAGRAM - MAIN BOARD
PART 1