EasyManua.ls Logo

Philips CDI 220/31 - Page 38

Philips CDI 220/31
55 pages
Print Icon
To Next Page IconTo Next Page
To Next Page IconTo Next Page
To Previous Page IconTo Previous Page
To Previous Page IconTo Previous Page
Loading...
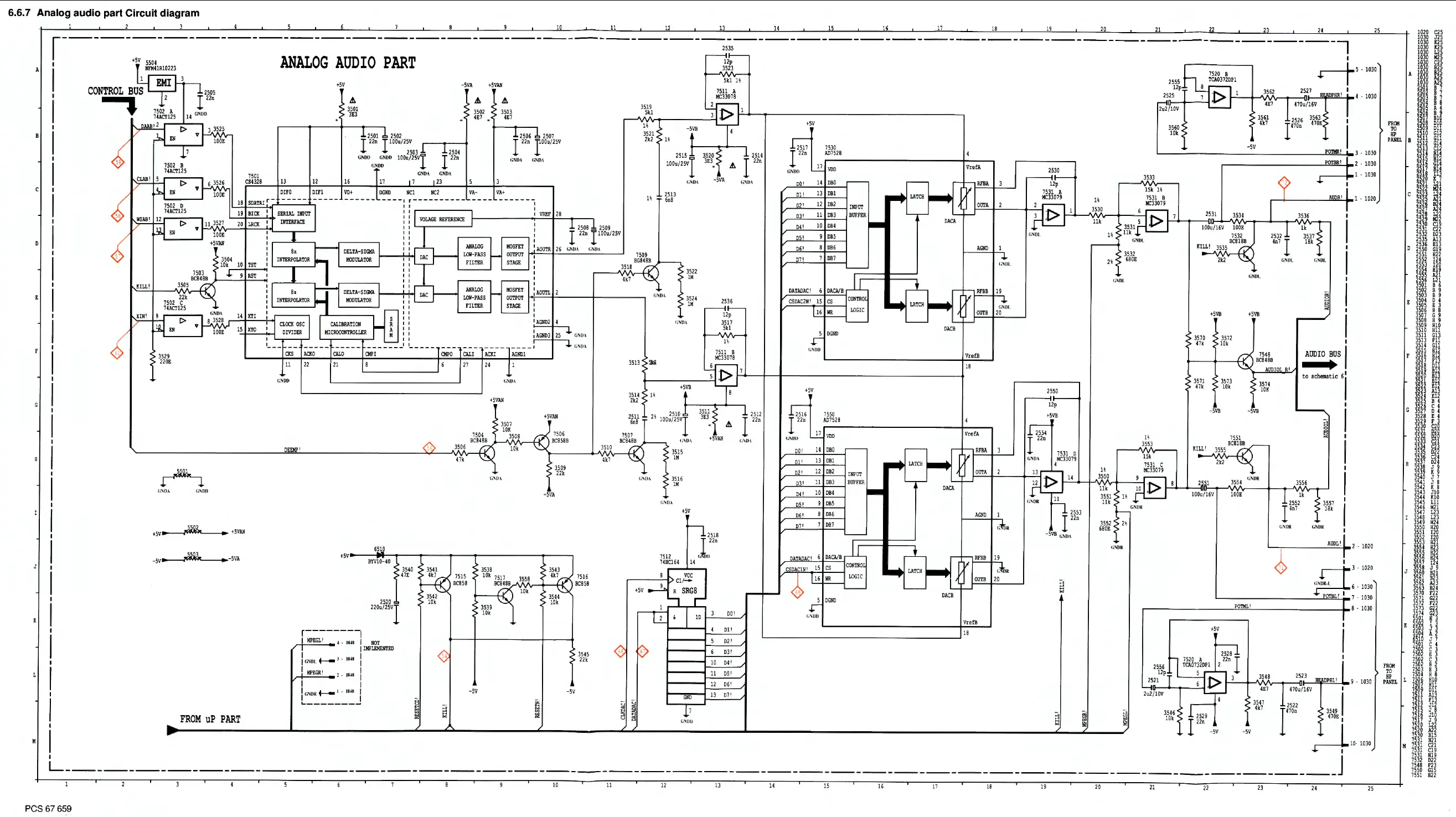
6.6.7 Analog audio part Circuit diagram
l
1
3
5
8
10
ll
11
13
14
16
17 18 19
20
21
13 11
,---------
-
-----
-
-----
-
--------------------------------------
253
5
-----------------------------------------------------
-7
ANALOG
AUDIO
PART
3:5~
11
2555
,r-f
5
·
10
i
0
CONTROL
BUS
-,
7502
A
l4
GNDD
71ACT!15
C>
Eli
.,
7501
C>
CSl328
Eli
.,
18
SDATAI
r -
19
BI
CJ(
C>
ll
3517
20
LRCJ(
Eli
.,
IOOE
t5V>Ji
3
501
!
Ok
10
T
ST
RS'!
ULL!
II
XTI
C>
.,
EN
15
XTO
-5v
••-----,l'l"
~ ...
~
..
l
-..__...,.
-5VA
FROM
uP
PART
13
12
DIPO
DIFI
t
5V
,t.
35
01
3El
250
1
2
502
I
22
n
I
10
0u/25V
2;03
GNOO
GNOD
l 00u
25
1
G
NOO
GNOA
16
17
7
VD+
llGHD
N
CI
-5VA
t5V
AN
,t. ,t.
3502
35
03
1£1
m
2501
r
2•
2506
2507
I
22n
r
00
u
/25V
tiNOA
c;
Nl);\
GND
A
23
NC2
VA-
VA
+
r-
--
-----
--
SERIAL
lllP
!II'
Ill'IER!'ACB
VOLAGE
REFERENCE
ANALOG
LOIi-PASS
FILTER
Bx
IN'IERPOLATO
R
DELTA
-
SJ@
1---'-•,
o1
Q>OLATOR
1
I
ANALOG
LOIi-PASS
FILTER
I
I
CLOCl(
osc
I
I
DIVIDER
I
I
,
__
__ _
CJ(S
ACJ(
Q
CALO
O!PI
O!P
O
CALJ
AC!(!
II
22
21
8
27
21
GNUD
+
5V>Ji
6510
t5V
BYVI0-10
35
10
ll E
75
15
BC858
2po
220u
25V
I
r------
,
MPE
GL!
'
.
'
"'
I
NOT
I
I
MPLEMl:NTE
D
I I
I
r.,m
.
+--
·'
-
'
°"
I
I
MP
EGR!
I
I
--'--'=c;...-
l
.
"'"
I
I
l
;NDR
+--
I
)O-IO
:
-5V
MOSFET
OOTP
!II'
STAGE
MOSFET
OIJ'IP!II'
STAGE
JIGIIDI
I
I
I
I
VREF
18
1
A
OUT
R 16
I
I
I
I
I
I
:A
OU
TL
2
I
I
I
1
AQi02
I
: A
GND3
15
-5VA
1508
2509
I
22n
I
!00u
/1
5V
1:/li
'
DA
l
iS
OA
ti
NOA
75
16
BCB58
-5
V
3545
22k
7511
A
MC33
07
8
35
19
2
5U
I\
-5VB
3521
lkl
II
2515
!00u/25V
I
,t.
c;N
IM
-5
VA
II
2513
6n8
3522
1M
3
51
1
2536
1M
l2p
Ci
'i
llA
3517
5U
II
7511
B
MC33078
6
+
5VB
2510
11
100
u
/15V
I
+5V
AN
li'f
)\
JSII
1M
3516
IM
c:'iDA
t
5V
251B
1
512
I
22n
ti
lll
7
1B
C
161
II
D0
1
D1!
D2
!
D3
!
10
D4!
ll
D5
1
12
D6!
G
ND
13
D7
!
GN
DII
2511
I
11.
Cl'il)\
2511
I
11.
Ci
\
lH
t 5V
2
511
75JO
r
1•
AD7528
17
VD
D
ti
NDI)
DO!
II
D80
D1!
13
DBI
D2!
12
DB2
03!
II
DBl
04!
10
DBI
D '
9
DB5
06!
8
D86
D7
!
7
D87
OATADAC
!
6
OACA/8
CSDAC2N
! 15
CS
16
WR
5
DGND
fiSDIJ
+5V
2516
7550
r
ln
AD7
528
17
VDD
1;,1111
00
1
11
DB
O
01'
ll
D
Bl
D2
'
12
D
B2
D3!
ll
DBl
D4!
10
DBI
D '
9
DB
5
D6!
8
D86
D7'
7
D87
DA
TAD
AC'
6
DACA/B
CSDAClN
!
15
cs
16
WR
,!
DGND
1;
"m
IIIP!II'
DACB
INPUT
BUFFE
R
LOGIC
DAC8
L------------
--
----'
VrefA
RFBA
O!ll'A
AGND
t
iNII
I.
VrefB
18
Vr
e
fA
AGND
Ci
. )N
VrefB
1B
2530
llp
7
531
A
MCJJ
079
2550
llp
+5
VB
25
53
r
ln
-
5VB
11
,-
,
11
,,
(;
Nm.
3551
Ilk
3552
680E
c;"DN
3
533
ll
3553
!lp
1525
2u2
/
IOV
3560
!Ok
-5V
------------
=-
~ l
-
1030
~----------
==
~ 2
·
1030
2
53
1
ULL!
5VB
3570 3572
I
lk
!
Ok
3571 3573
4
7k
!O
k
-5VB
l!LL!
G
NDL
+5VB
AUDI
OL
R.!
3571
1oi
-
5VB
li
M)N
~-----i•
l ·
1030
1;so1.
I
A
UDIO
BUS
I
to
,ch
,..
t
ic
6
i
I
I
I
I
I
I
I
3557
I
l lk
GNUk
~-
-
----
A_
UD
_L_!_ 2
·
10
20
~
I
l
1020
6 ·
1030
POTBL!
I
7 - 10
30
~---------
'--'
PO'?ML
=._
!
___________
8 - 10
30
2556
l
lp
2521
2u2
/
!0V
+
5V
-5V
I
2522
I
I
l
lO
n
35
19
l
lOE
I
.;-+
10-1030
L
__
_
_____________________________________
_
________________________________________
J
10
ll
12
13
II
15
16
17
18
19
20
21
22
23
24
25
PCS
67 659
FRCII
TO
C25
J25
K25
K25
la!
C25
825
m
Al
l
B
7
8
7
B
7
B
8
A
I
11!
BP
PANEL
B
DIO
Dll
Gil
Gil
GI
i
Cll
BI
i
812
GIi
814
Ill
7
Lll
Mll
Lll
All
821
All
L22
M2
2
Cl9
C22
D23
m
Gl9
H22
124
120
Bl!
All
Lll
B
6
B 9
B
9
D
4
E
l
B 8
G 9
B 9
B
IO
Bil
Gil
Fil
Gil
81
2
8
12
Fll
Oil
812
Bil
8
12
El2
A
ll
£12
8
4
lm
5 l
3528
E
4
mi
~lg
lm
Eli
l5p
Cl!
!Mm
lm
5ll
ll
ll U
10
J
7
511
J
8
542
K
8
l
ll
l!
I!
550
H20
551
120
mim
355
1
H2
l
im
m
lm
J
2
!
J
j
lt
~
m
562
All
1
563
821
570
F22
mm
3573
G22
ll7l
i
2
l
ll!l
Jl
550
1
A
2
W!
g
l
75R2
C
j
75
02
E
im
~
~
HRl
~
I
75
06
RIO
mi
in
llll
Ml
im
fi
7516
JIO
7
517
J
9
T!
L22
lil1
m
"
is:
m
mim
mim
7551
822

Related product manuals