EasyManua.ls Logo

Philips CED750/55 - Page 17

Philips CED750/55
53 pages
Print Icon
To Next Page IconTo Next Page
To Next Page IconTo Next Page
To Previous Page IconTo Previous Page
To Previous Page IconTo Previous Page
Loading...
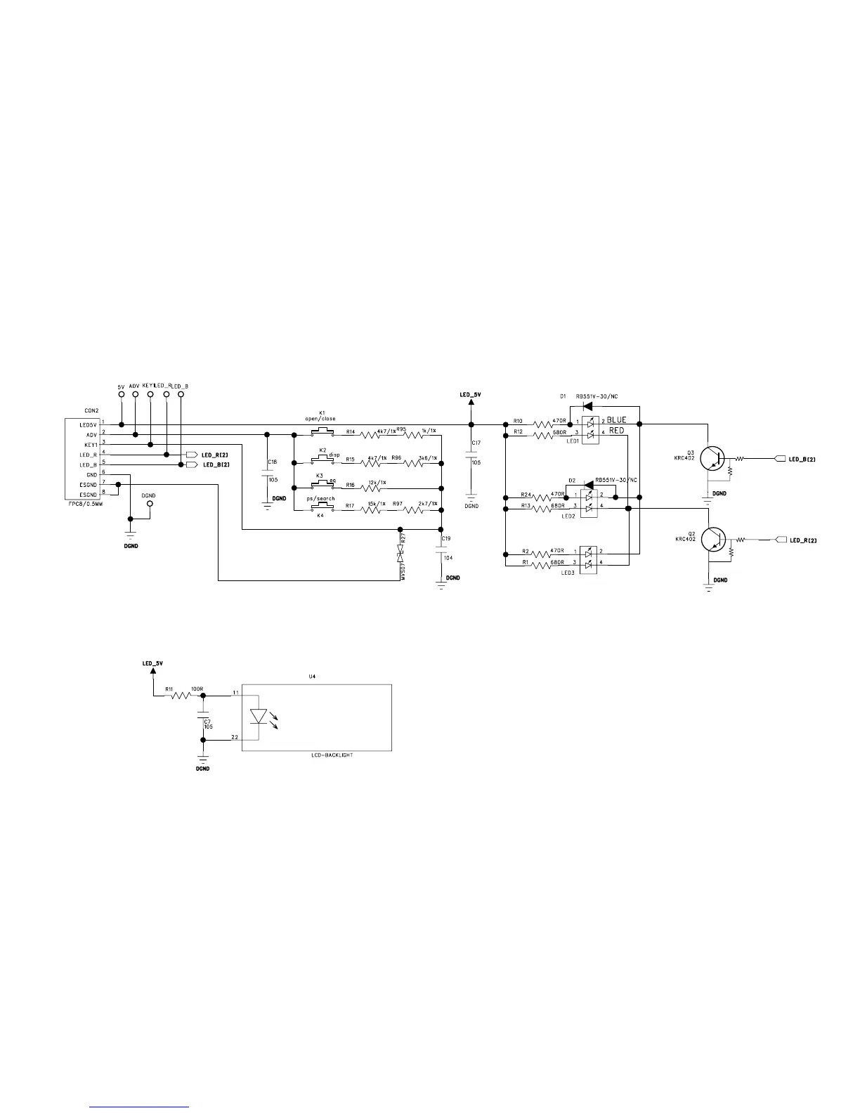
LCD BOARD-Circuit Diagram
6-1 6-1

Related product manuals