EasyManua.ls Logo

Philips CID2780/98 - Page 9

Philips CID2780/98
38 pages
Print Icon
To Next Page IconTo Next Page
To Next Page IconTo Next Page
To Previous Page IconTo Previous Page
To Previous Page IconTo Previous Page
Loading...
10 EN
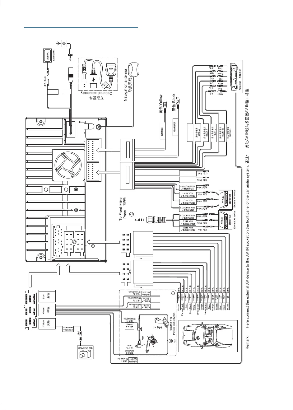
Connect wires
c
c
FM ANT
MIC
MZ-TFT
CENTER
ѣ㖤丩仇䗉࠰
VIDEO OUT 2
P.ANT
REAR OUT/L
ᐜ丩仇䗉࠰
REAR OUT/R
丩仇䗉࠰
CID2780_98_UM_V1.1.indb 10 2012/3/19 10:42:53