EasyManua.ls Logo

Philips DC156 - Hearing Safety Guidelines; Safe Listening Volume Levels; Responsible Listening Practices

Philips DC156
23 pages
Print Icon
To Next Page IconTo Next Page
To Next Page IconTo Next Page
To Previous Page IconTo Previous Page
To Previous Page IconTo Previous Page
Loading...
6-1
6-1
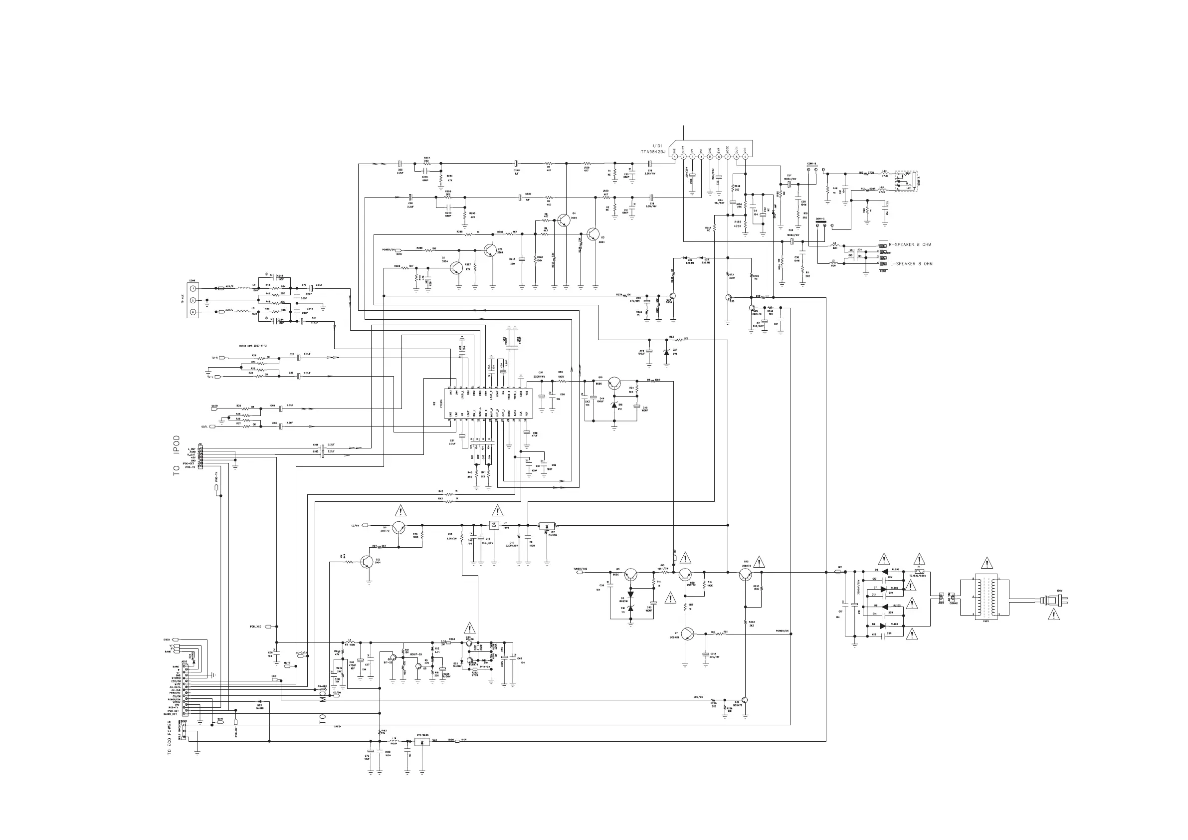
CIRCUIT DIAGRAM - MAIN BOARD
PART1
jomi

Other manuals for Philips DC156

Related product manuals