EasyManua.ls Logo

Philips DC156 - Remote Control Setup and Usage; Inserting Remote Control Batteries; Operating the System Remotely; Battery Handling Precautions

Philips DC156
23 pages
Print Icon
To Next Page IconTo Next Page
To Next Page IconTo Next Page
To Previous Page IconTo Previous Page
To Previous Page IconTo Previous Page
Loading...
6-3
6-3
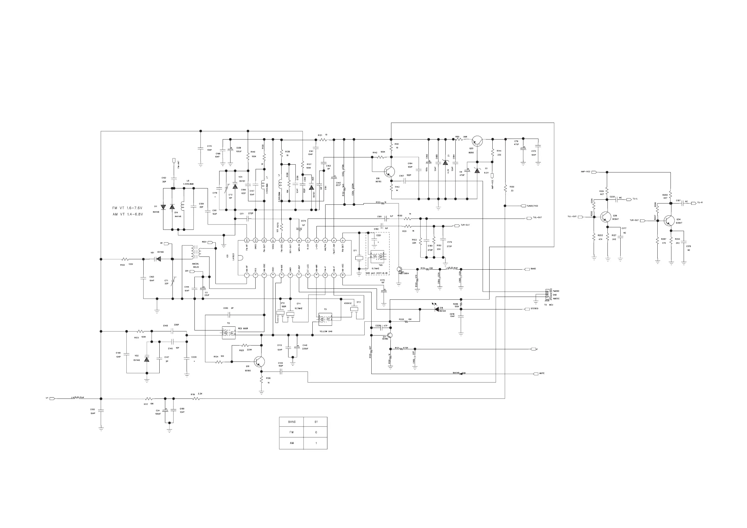
CIRCUIT DIAGRAM - MAIN BOARD
PART3
jomi

Other manuals for Philips DC156

Related product manuals