EasyManua.ls Logo

Philips DST8030 - Exploded Parts Diagram

Philips DST8030
24 pages
Print Icon
To Next Page IconTo Next Page
To Next Page IconTo Next Page
To Previous Page IconTo Previous Page
To Previous Page IconTo Previous Page
Loading...
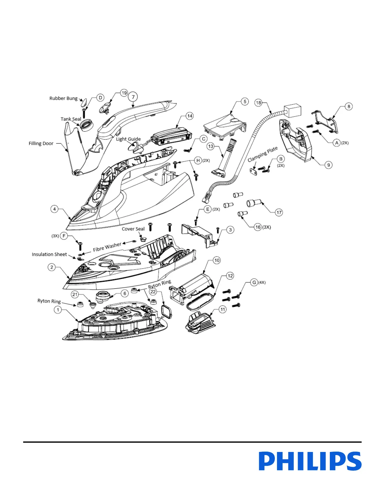
Published by Philips Domestic Appliances Page 22 of 24 For internal use only
Document No. : CSW-07-081-21363
Service Lists DST802x
Exploded view
Notes:
Scale: Not to scale

Related product manuals