EasyManua.ls Logo

Philips DVD963SA - Page 74

Philips DVD963SA
82 pages
Print Icon
To Next Page IconTo Next Page
To Next Page IconTo Next Page
To Previous Page IconTo Previous Page
To Previous Page IconTo Previous Page
Loading...
Circuit Descriptions and List of Abbreviations
EN 88 DVD963SA9.
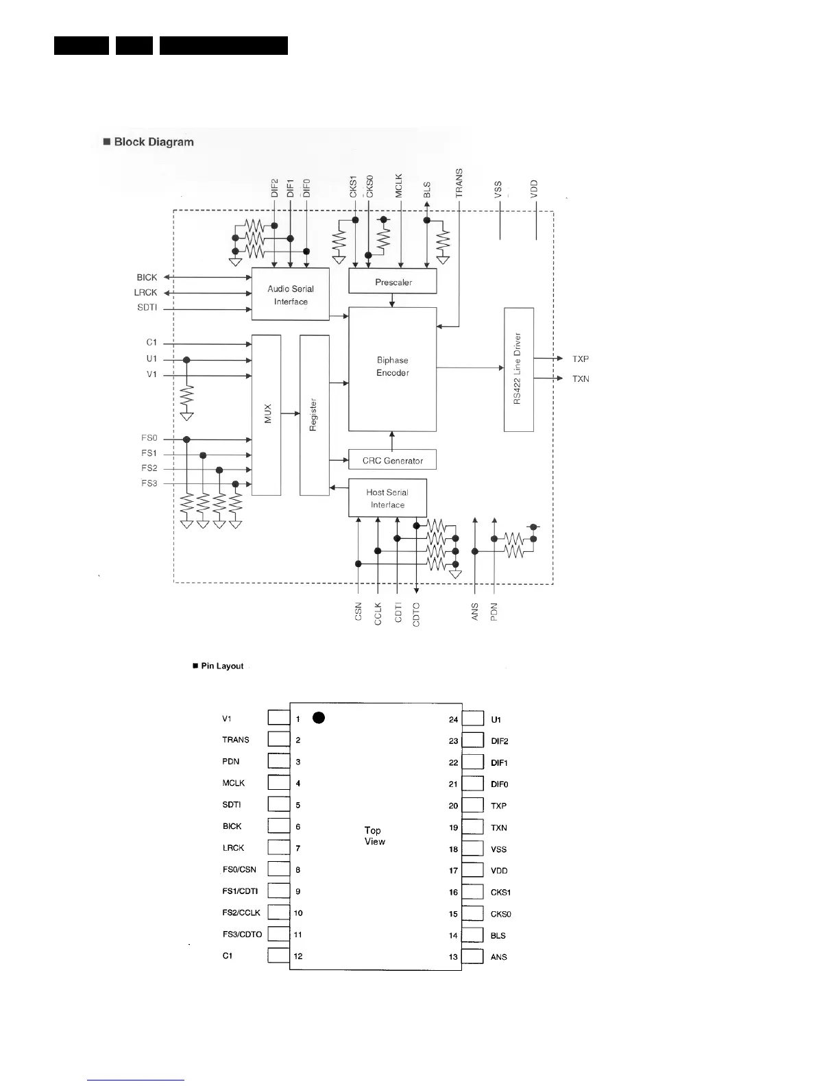
9.9.2 Diagram A2: AK4103VF (IC7203)
Figure 9-16 AK4103VF (IC7203)
CL 26532105_054.eps
300802

Table of Contents

Other manuals for Philips DVD963SA

Related product manuals