EasyManua.ls Logo

Philips DVP3140 - Page 47

Philips DVP3140
55 pages
Print Icon
To Next Page IconTo Next Page
To Next Page IconTo Next Page
To Previous Page IconTo Previous Page
To Previous Page IconTo Previous Page
Loading...
A
A
B
B
C
C
D
D
E
E
1 1
2 2
3 3
4 4
Value in [] is for 2 channel external DAC.
Mic sig nal mute/mix/ echo process by ADP
Full scale input: 0.65Vrms (when VA=3.3V)
M0=1, M1=1: clock slave;
Package: TSSOP16.
MUTE_CTL
Low:
Mute.
MUTE1 and MUTE2:
Should configurate the DZFB bit
to enable High when Zero
detected.
ADC circuit for Karaoke
External MicroPhone detection
ADP: Audio Digital Process
Max. amplitude of Mic_Audio signal is 4Vrms
Mic vocal detected by ADP software
Value in [] is for external ADC.
[Value] for internal DAC
C100
C101
C102
C103
C104
C175
C176
C71
C83
C84
C85
C86
C87
C88
C89
C90
C91
C92
C93
C94
C95
C96
C97
C98
C99
CN9
D15
D16
D2
D3
D4
D5
D6
EC15
EC25
EC26
EC27
EC28
EC30
EC31
EC32
EC33
EC34
EC35
EC36
FB10
Q11
Q12
Q13
Q14
Q15
Q17
Q18
Q19
Q20
Q21
Q22
R100
R101
R102
R103
R104
R105
R106
R107
R108
R109
R110
R111
R112
R113
R114
R115
R116
R117
R118
R119
R120
R121
R122
R123
R124
R125
R126
R127
R128
R129
R130
R133
R134
R135
R136
R137
R138
R139
R140
R141
R142
R143
R144
R147
R148
R149
R150
R151
R152
R153
R154
R155
R156
R157
R158
R159
R160
R161
R162
R163
R164
R165
R166
R167
R168
R169
R170
R171
R172
R173
R174
R175
R176
R51
R57
R58
U13
U14A
U14B
U15A
U15B
U9
C1
D1
D1
D1
D2
E1
E2
A3
A1
A2
A1
A2
A2
A2
A2
A2
C1
C2
C1
C2
C1
C2
C1
C1
C1
A3
A2
A2
B3
B3
B3
B3
B3
A3
D1
D1
D1
D2
A1
B1
A2
A2
A2
B3
B3
A1
B4
B4
B3
B3
B3
E1
E2
A1
B1
A2
A2
A1
A1
A1
A1
A1
A1
A1
A1
A1
A1
B1
B1
A2
A2
A2
A2
A2
A2
B4
B4
B4
B4
B4
B4
B3
B3
B3
B3
B3
B3
A2
B1
C1
C1
B1
C1
C1
B1
C1
C1
B2
C2
C2
C1
C2
C1
C1
C1
C1
C1
C1
C1
C1
C1
C1
C1
C2
C2
C2
D1
D2
D1
D2
D1
D1
D1
D2
D1
D2
E1
E2
D1
D1
A1
A1
A1
A1
C2
C1
D1
D2
A3
MUTE1
VOCAL_DET
MIC_IN
MUTE1
VA
DAC_RST#
D5V
AMCLK
AOUT0
MUTE_R
ABCLK
MUTE_L
MUTE_BIAS1
AIN
MIC_IN
APWM_R-
ALRCLK
DAC_RST#
LRIN
APWM_L+
VA
APWM_R+
APWM_L-
MUTE
-12V
MIC_IN
ABCLK
MUTE_CTL
ML
I2C_CLK
MUTE2
MUTE2
ALRCLK
AMCLK
I2C_DAT
MIC
LRIN
MIC
MUTE_R
MIC
+12VA
MUTE_L
RMAIN-OUT
+12VA
AUDIO_MIX_L
-12VA
LMAIN-OUT
-12VA
AUDIO_MIX_R
AMCLK
I2C_DAT
AIN
DAC_RST#
MIC_VOCAL
AMCLK
ALRCLK
DAC_RST#
MUTE_CTL
ABCLK
ML
AOUT0
I2C_CLK
MIC_ON
VOCAL_DET
APWM_L+
APWM_R+
RMAIN-OUT
APWM_R-
LMAIN-OUT
APWM_L-
D5V
DSPVCC33
D5V
D5V
DSPVCC33
+12V
D5V
-12V
A5V
-12V
-12V
DSPVCC33
DSPVCC33
DSPVCC33
+12VA
-12VA
-12V
+12V
C97 680pF
[33pF]
+
EC32
NM
[10uF/16V]
R134
4.7K 1%
[4.7K 1%]
Q22
NM
[BT3094]
C175
100pF
R153 5.1K 1%
[NM
R124
220R
R171
NM
R154 NM
[120K 1%]
C91
NM
[200pF]
+
EC30
NM
[10uF/16V]
R119
1K
+
-
U15B
NJM4558 OPA
5
6
7
8 4
Q20
NM
[BT3904]
Q13
9012H
R143
4.7K 1%
[4.7K 1%]
R149
NM
[120K 1%]
C71
0.1uF
[NM]
R123
100K
D15
NM
[1N4148]
D2 LL4148
R115
NM
[10K]
R101 NM
[4.7R]
R170
470
[1K]
C88
NM
[2200pF]
R164
0R
[39K]
C98 680pF
[33pF]
Q15
9012H
R141
470 1%
[4.7K 1%]
+
EC28
22uF
Q21
NM
[BT3094]
Q17
BT3904
U13
NM
[CS5340]
1
2
3
4
5
6
7
89
10
11
12
13
14
15
16
M0
MCLK
VL
SDOUT
GND
VD
SCLK
LRCK/RST
AINL
VQ
AINR
VA
REF_GND
FILT+
M1
R110
NM
[100K]
R167 0R
[18K]
C96
680pF
[33pF]
R130
NM
[6.8K]
D3 LL4148
R106
NM
[NM]
R166
NM
[4.7K]
C86
NM
[0.1uF]
R122
100K
R158 NM
[120K 1%]
R136
0R
[4.7K 1%]
R57 NM
[0R]
+
EC34
NM
[10uF/16V]
Q19
[NM]9012H
R159 NM
[120K 1%]
R157 NM
[120K 1%]
R155 NM
[120K 1%]
C99
0.1uF
R165
NM
[4.7K]
R114
NM
[2K]
R156 NM
[120K 1%]
D4
LL4148
R127 10K
R111
NM
[100K]
C103
0.1uF
R173
470R[2K for external]
R108
NM
[4.7K]
R144
470 1%
[4.7K 1%]
R118
1K
R160
NM
[120K 1%]
C83
NM
[0.1uF]
R175 33R
R51 NM
[3.3K]
R112
NM
[15K]
R129 33R
R103
NM
[10K]
R163
0R
[39K]
R125
47K
C104
0.1uF
R152 5.1K 1%
[NM]
D6
LL4148
<Implementation>
C95
680pF
[33pF]
R104 NM
[33R]
U9
AK4385
[NM]
2
3
5
4 13
14
6
7
8 9
11
12
10
1
15
16
BICK
SDTI
PDN
LRCK VSS
VDD
CSN
CCLK
CDTI AOUTR-
AOUTL-
AOUTL+
AOUTR+
MCLK
DZFR
DZFL
R100
NM
[4.7K]
R150
NM
[120K 1%]
+
-
U15A
NJM4558 OPA
3
2
1
8 4
R135
470 1%
[4.7K 1%]
C85
NM
[0.1uF]
+
EC26
47uF/25V
R116
NM
[2K]
R138
470 1%
[4.75K 1%]
Q18
BT3904
R151
NM
[120K 1%]
CN9
4PIN*2.0
1
2
3
4
D5
LL4148
+
EC33
NM
[22uF/16V]
R147
5.1K 1%
[NM]
EC36
47uF/25V
+
EC15
47uF/16V
[NM]
+
EC27
22uF
R148
5.1K 1%
[NM]
R102
NM
[4.7K]
C89
NM
[1uF]
R107 NM
[1K]
FB10 500Z
NM
R139
0R
[4.7K 1%]
R117
NM
[4.7K]
C100
0.1uF
R120
100K
R169
470
[1K]
R58
NM
[3.3K]
R161
NM
[120K 1%]
R105
NM
[150R]
R176 33R
C102 NM
[100pF]
C176
100pF
C101 NM
[100pF]
R174
470R[2K for external]
+
EC31
NM
[10uF/16V]
C87
NM
[1uF]
R162
NM
[120K 1%]
R137
4.7K 1%
[4.7K 1%]
EC35
470uF/16V
C93
3300pF
[180pF]
R142
0R
[4.7K 1%]
Q11 9012H
R133
0R
[4.7K 1%]
C84
NM
[0.1uF]
R128 10K
R113
NM
[1M]
D16
NM
[1N4148]
C94
3300pF
[180pF]
+
-
U14A
NJM4560 OPA
3
2
1
8 4
R168 0R
[18K]
R126 100R
R172
NM
C92
NM
[200pF]
R121
100K
R140
4.7K 1%
[4.7K 1%]
+
EC25
47uF/25V
C90
NM
[0.1uF]
R109
NM
[4.7K]
Q12 9012H
+
-
U14B
NJM4560 OPA
5
6
7
8 4
Q14 9012H
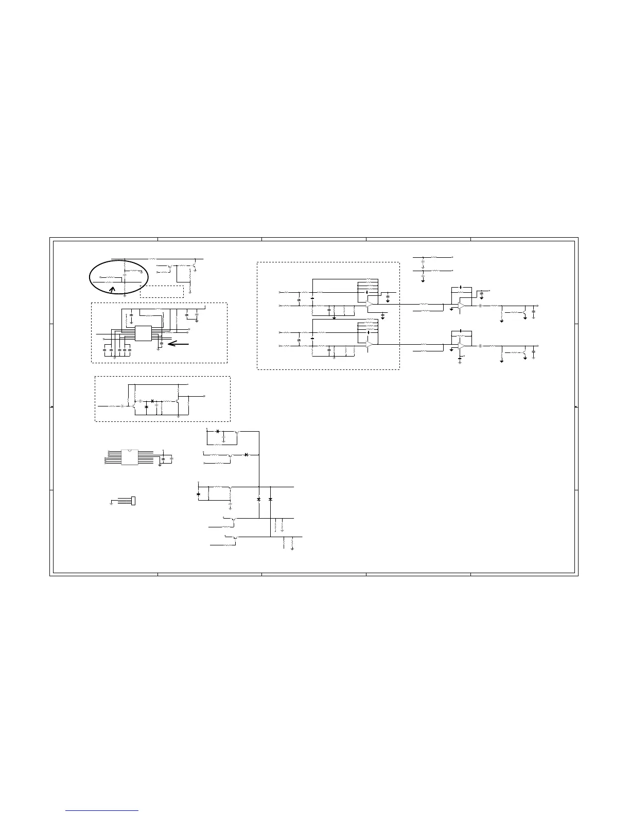
6-15
6-15
Main Board Electric Diagram for DVP3142(K/KM)/XX,DVP3144(k)/XX: Audio Input_Outp