EasyManua.ls Logo

Philips F 7215 - MECHANICAL ADJUSTMENTS; TURNTABLE HEIGHT; LIFT MANUAL; AUTOMATIC SETTING DOWN

Philips F 7215
10 pages
Print Icon
To Next Page IconTo Next Page
To Next Page IconTo Next Page
To Previous Page IconTo Previous Page
To Previous Page IconTo Previous Page
Loading...
i
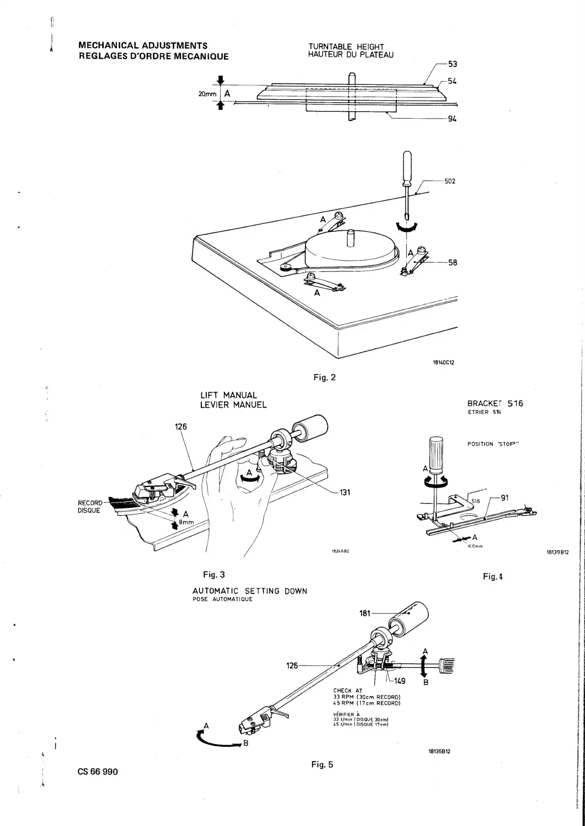
MECHANICAL
ADJUSTMENTS
TURNTABLE
HEIGHT
|
REGLAGES
D’ORDRE
MECANIQUE
HAUTEUR
DU
PLATEAU
;
=
502
|
418140C12
Fig.
2
:
LIFT
MANUAL
LEVIER
MANUEL
126
~
Aye
m
£72
jl!
W
ele
131
RECORD
DISQUE
Fig.
3
AUTOMATIC
SETTING
DOWN
POSE
AUTOMATIQUE
181
fee
ln
6)
ae
(cee.
126
or
Ze
{.
_.
—|
=
ya
Mug
CHECK
AT
33
RPM
(30cm
RECORD}
<
45
RPM
(17cm
RECORD}
a
ars
33
ymin
(
sae
30
em}
A
A
aS
£5
t/min
(
DISQUE
17em}
F
|
18136B12
Fig.
5
CS
66
990
BRACKET
516
ETRIER
5%
POSITION
“STOP”
18139B12

Related product manuals