EasyManua.ls Logo

Philips FWP2000 - Page 28

Philips FWP2000
44 pages
Print Icon
To Next Page IconTo Next Page
To Next Page IconTo Next Page
To Previous Page IconTo Previous Page
To Previous Page IconTo Previous Page
Loading...
7 - 7 -
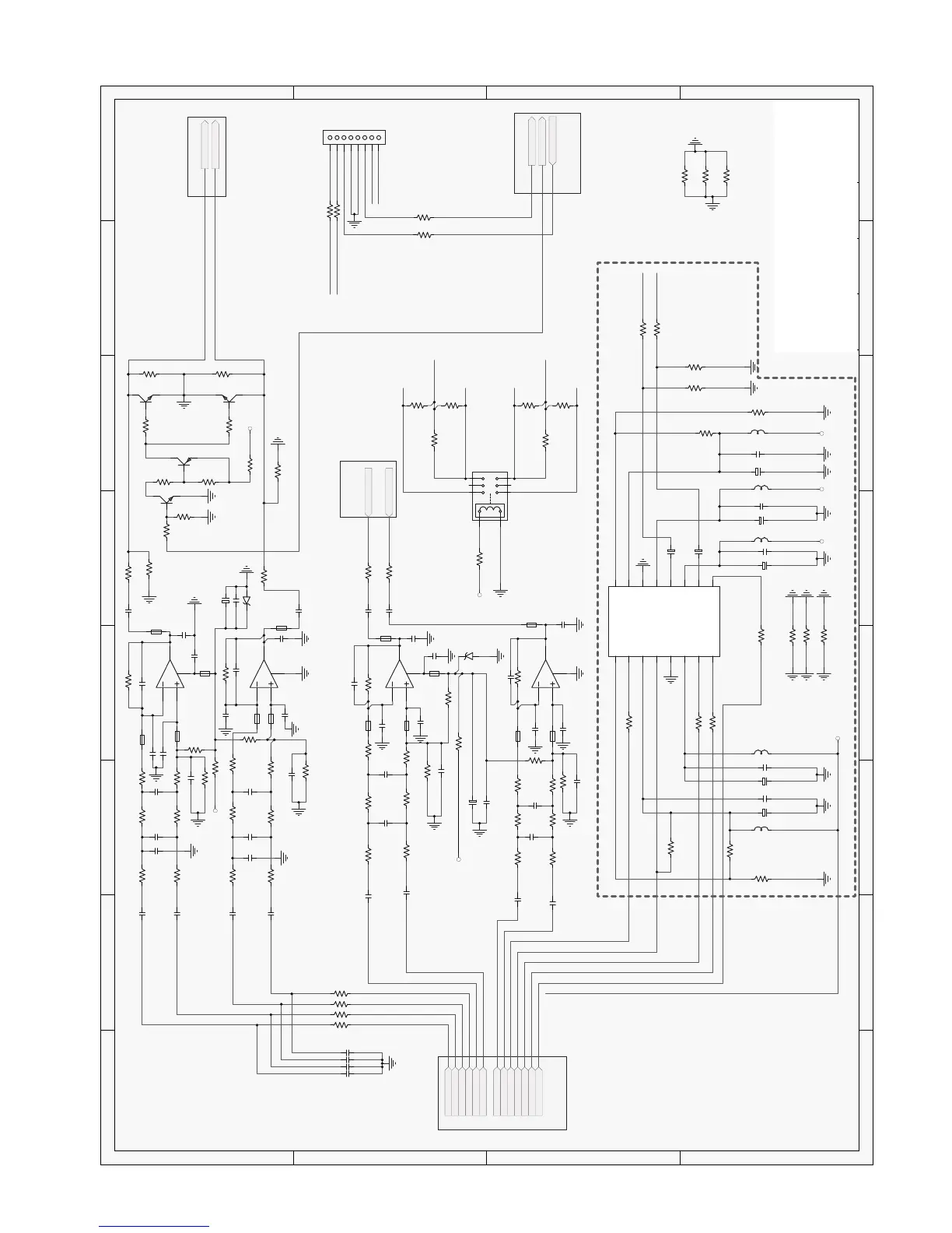
CIRCUIT DIAGRAM
' '
& &
% %
$ $
&DQQRW
RSHQILOH
&?3URJUD
P
3'&6=
$SSURYHU&KHFNHU'HVLJQHU
0&)21*)UDQN)DQ0LQJ)HQJ<RX
5HY'DWH 5HY
 $
6KHHWRI
31
6L]H
$
7LWOH
3$57<%2;
0RGHO1R(
'2&1DPH &&6FK'RF
0RGHO1R&
)
0&/.
0
9/
6'287
*1'
9'
6&/.
/5&.
5(7
$,1/

94

9,15

9$

5()*1'

),/7

0

,&
,&B&6
5 
&8
&
&8
&
5 
5 
/5&.
6&/.
&8
&
&8
&
&8
&
5 
)%)%
)%)%
)%23(1
)%)%
)%23(1
$'9
$'9 $'9 $'9
5 .
5 .
&
8
&
8
5.
5.
5.
5
23(1
5
.
5
23(1
,5B,1
6'287
5

+B/
+B5
5
,5B287
&3)9
&3)9
& 8) 5.
5.& 8)
& 3)9
5 .
5
.
&
3)
5
.
5
.
5
.
5.
5.
&8)
&8)
&
3)
5.
5.
5
.
5
.
5.
5.
&
3)
&
3)
5 .
& 3)9
2
%
,&$
5&'
2
%
,&%
5&'
,5B287
,5B,1
)2500&8
+5
+5
+/
+/
)2507$6
0&/.B&6
6'287
6&/.
/5&.
/,1B087(
5
&8)9
&
5
.
/,1287B/
/,1287B5
720&8
&8)
&8)
5.
5.
5.
5(67B&6
5
5
5
2
%
,&%
5&'
2
%
,&$
5&'
& 3)9
& 3)9
& 8)
5
.
5
.
5
.
5 .
& 8)
5
.
5
.
5
.
5
.
5 .
5
.
5
.
5

&3)9
5 .
&3)9
&
9
&
9
&8)
&8)
+B5
+B/
5
(&
%
4&0
5
.
5
.
( &
%
4
&0
%
&(
4
6$
5. 5.
5 .
5
.
5.5.
( &
%
4
&0
72
& 8)9
& 
&1
&13
/,1287B/B$
/,1287B5B$
/B,1
5B,1
)25):3
&8)
&
3)
&
3)
&8)
&
3)
&
3)
/,1B/
/,1B5
/,1B/
/,1B5
5
5
5
5
5.
5
.
5
.
5
.
5
.
5
.
5
.
5
.
5
.
5
.
5
.
5
5
5
5B,1B$
/B,1B$
/,1287B/B$
/,1287B5B$
5/
6:5(/$<
5
.
0&89
5B,1B$
/B,1B$
5B,1
/B,1
/287B/B$
/287B5B$
5
5
5
5
5
5
='
9
='
9
)% *+]
)%
*+]
)%
*+]
)%
*+]
& 3)
&
3)
&
3)
&
3)
)%
*+]
&
3)
)%
*+]
&
3)
)%
*+]
&
3)
)%
*+]
)%
*+]
&
3)
&3)
)%
*+]
&
3)
)% *+]
)%
*+]
& 3)
&
3)
)%
*+]
)%*+]
&
3)
&
3)
5
5
/287B5B$
/287B/B$
&9
&9
&9
&9
23
23
23