EasyManua.ls Logo

Philips GC9920 - Electrical Wiring Diagram; Component Wiring Details

Philips GC9920
19 pages
Print Icon
To Next Page IconTo Next Page
To Next Page IconTo Next Page
To Previous Page IconTo Previous Page
To Previous Page IconTo Previous Page
Loading...
GC9920
15-19
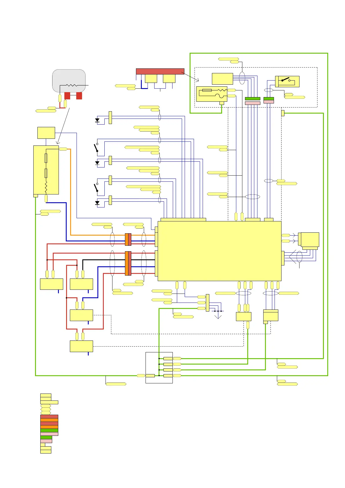
ELECTRICAL DIAGRAM
F4.8
F4.8
22
4239 017 7413
24
F4.8
B17
4239 017 7417
20
4239 017 7416
27
COLUMN
HOSE
HOSE
AWG26
AWG26
F4.8
400mm
N
EE
E
N
L
L
Comm
NL
Comm
SOLDER
STEAMER
IRON
PLUG
LEGEND
4P HEADER (JST XHP-2)
Directly soldered to PCB
Female faston connector 4.8
Stocko ID1.7 Pin receptable RBB8000R1.7-0.5
Stocko ID1.9 Pin receptable RBB 7854.001 R1.9
4-pole plug AMP 770275-1 (Male)
4-pole receptable AMP 770274-1 (Female)
3-pole plug AMP 770331-1 (Male)
3-pole receptable AMP 770333-1 (Female)
JST XARR-01VF connector
2-pole SXH-002T-P0.6 terminal (Male)
2-pole SXH-002T-P0.6 terminal (Female)
M4.3, Stocko RSB 7206 A4-1 Ring Terminal
Male faston connector 0.8mm thickness
Directly solder with heat shrink sleeve
2P HEADER (JST XHP-2)
Cordwinder
SMPS
SOLDER
SOLDER
SOLDER
4PH
4PT-M 2PT-M
4PT-F
2PT-F
1800mm AWG20 (TEFLON)
1800mm AWG20 (TEFLON)
1800mm AWG24 (XLPVC) Ribbon
1600mm AWG26 (XLPVC) Ribbon
F4.8
F4.8
F4.8
B19
F4.8
F4.8
F4.8
F4.8
F4.8F4.8
F4.8
F4.8
F4.8
F4.8
2PH4PH2PH 2PH 2PH 2PH 2PH
9024
9015
9011
9025
9014
9010
24V
GND
9006 (DC)
9005 (L)
9004 (N)
GND
5V
902090079008
9021
9002 9009
9001-R3
9001-R2
9001-R1
9012-R4 (PUMP)
9012-R3 (EV3)
9012-R2 (EV2)
9012-R1 (EV1)
9017 9022 9016 9023 9018
STAND PCB
9013
4239 017 7415
4239 021 3429
4239 021 3427
R
Refresh Sw
R
EARTH
BD HEATER
23
4239 017 7418
16
4239 017 7412
18
4239 017 7406
4239 017 7428
28
M
tact
FUSE1
FUSE2
FAN
L
SOLDER SOLDER 4PH
F4.8
F4.8
F4.8
F4.8
F4.8
14
4239 017 7420
15
4239 017 7419
M4.8
M4.8
EARTH DAISY CHAIN
F4.8
M4.8
F4.8
M4.8
F4.8
M4.8
R
ELECT
FUSE
T'MAL
FUSE
BOARD HEATER
24
SPOT WELD
4239 017 7411
4239 017 7414
19
4239 017 7425
4239 017 7408
11
4239 017 7426
12
10
4239 017 7441
17
SOLDER
STDBY
LED
620mm/AWG26 (XLPVC) Ribbon
4x AWG26
4239 017 7422
S-S
WATER
TA NK
REED SW
LED
500mm/AWG26 (XLPVC) Ribbon
280mm/White/AGW26
4239 017 7423
LED-Water Tank Wire Assy
5
4239 017 7404
Reed Sw Wire Assy
4
2
S-S S-S
RINSE
TA NK
DETECT
SW
LED
220mm/Blue/AWG26 (XLPVC) Ribbon
100mm/Blue/AGW26
4239 017 7421
LED-Rinse Tank Wire Assy
8
4239 017 7424
Sw-Rinse Tank Wire Assy
7
F4.8
F4.8
LN
E
PUMP
G
F4.8
F4.8
L
H
N
E
EV3 - DRAIN
F4.8
F4.8
L
I
N
E
EV2 - STEAMER
Thermal
Fuse
BOILER
HE
FUSE2
F
FUSE1
Thermal
Fuse
Thermistor
X2
E
F4.8
R
E
3P F
3P M
4P F
4P M
F4.8
F4.8
L
J
N
E
EV1 - IRON
4239 017 7409
13
BOILER, SIDE VIEW
B19
F4.8
4239 017 7407
25
THERMAL
FUSE
F4.8
B17
B19
4PH
R
M4.8
S-S
2PH
SOLDER
4P M
4P F
3P M
3P F
4PT-M
4PT-F
2PT-M
2PT-F

Related product manuals