EasyManua.ls Logo

Philips MC-77/22 - Page 37

Philips MC-77/22
79 pages
Print Icon
To Next Page IconTo Next Page
To Next Page IconTo Next Page
To Previous Page IconTo Previous Page
To Previous Page IconTo Previous Page
Loading...
9-5 9-5
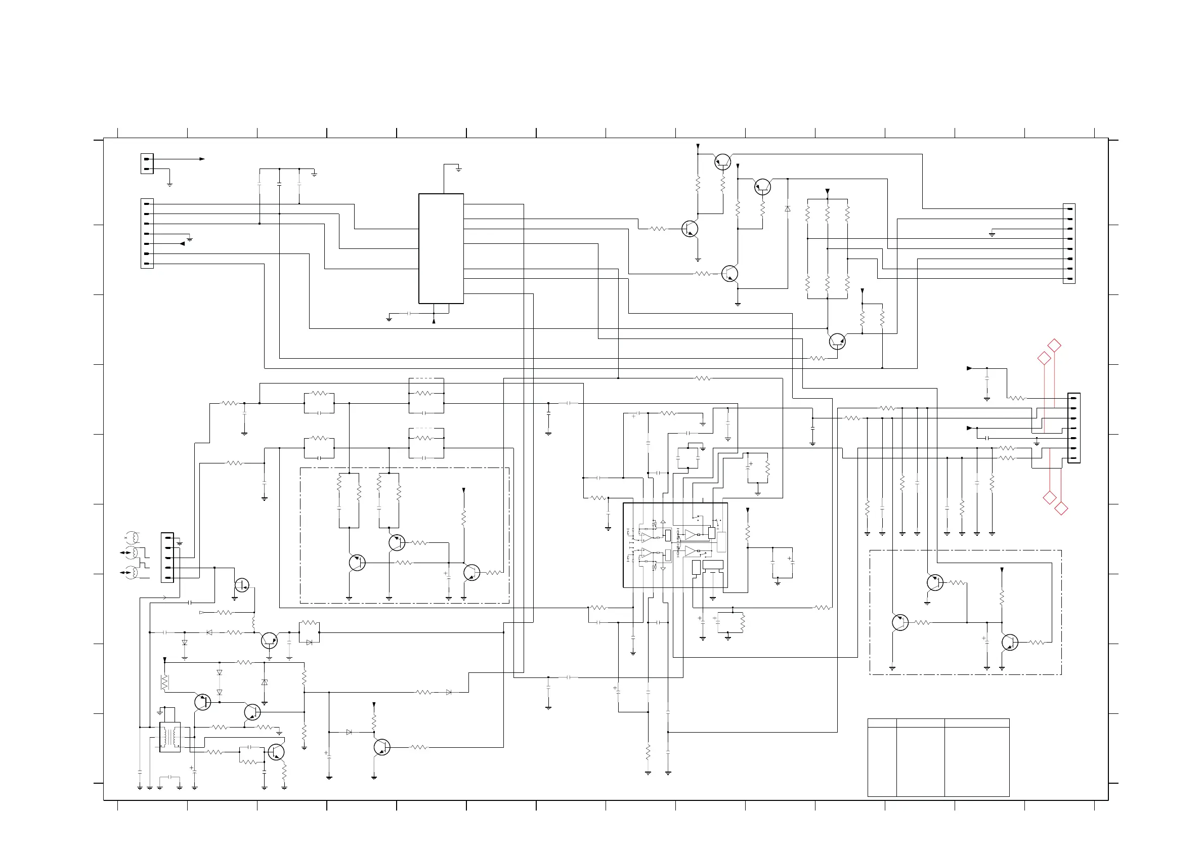
CIRCUIT DIAGRAM
1
2
4
3
Item Autoreverse Non-Autoreverse
2717 15n Open
2718 15n Open
3717 1K2 Jumper (4737)
3718 1K2 Jumper (4736)
3723 18K 22K
3724 18K 22K
3769 22K 18K
3772 12K 15K
0.0V
11.9V
5.0V
0.0V
5.0V
0.0V
0.0V
0.0V
(1.1V)
(11.0V)
(11.8V)
(0.3~1.5V)
(0.8~2.1V)
(0.3~1.5V)
-9.0V
11.9V
0.7V
1.1V
11.9V
(0.7V)
11.8V
11.0V
0.0V
0.0V
0.8V
0.6V
0.6V
0.0V
3.1V
0.7V
0.3V
11.7V
1.6V3.3V
0.0V
0.0V
0.0V
18.7V
11.6V
11.0V
0.56V
0.62V
4.5V
3.8V
3.5V
0V
2.8V
0V
0V
7.9V
0.56V
0.62V
4.5V
3.8V
0V
2.7V
2.3V
5.4V
MUTE
LOGIC
REJECTION
NOR/CHRO
LOGIC
MUTE
PB/REC
RIPPLE
ALC
LR
E
F
G
H
I
1701 D14
1703 A1
1706 A1
1710 F1
1760 A14
2621 A3
2622 A3
2623 A2
2625 C5
2701 D2
2702 E3
2703 E13
2704 F12
2709 E7
*
* - Variant Parts between AR and NAR versions : please refer to table below;
(AR)
MECHANISM
TO / FROM
FRONT BOARD
TO / FROM
12
OSCILLATOR
(NAR)
34567891011121314
1234567891011121314
A
B
C
D
LEVEL
2710 G7
2711 D9
2712 I8
2713 D9
2714 H8
2715 D8
2716 H8
2717 D5
2718 E5
2719 F4
2720 F4
2721 D7
2722 H7
2723 D7
2724 H7
2725 D10
2727 D3
2728 E3
2729 E8
2730 H8
2731 E9
2732 G2
2743 I1
2747 D13
2761 F10
2768 G13
2769 E12
2770 F11
xxV - Voltages during Solenoid On.
MUTING CIRCUIT
ERASE
BIAS
REC/PB
2780 I3
2781 I3
2782 I2
2784 I1
2785 I2
2786 G1
2787 G3
2788 D13
2789 E8
2790 G8
2791 E8
2793 F7
2794 G8
2795 G5
2796 G9
2797 G9
2798 E9
2799 F10
3607 A11
3608 B10
3609 A11
3610 B11
3611 A10
3612 B11
3614 C11
3624 A9
AF BOARD
TO / FROM
SHIFT REGISTER
3626 A10
3628 A9
3630 A9
3678 B8
3680 B9
3686 C11
3709 D8
3710 I8
3711 E7
3712 G7
3717 D5
3718 E5
3719 E4
3720 E4
3721 E4
3722 E4
3723 D3
3724 E3
3733 E13
3734 F13
3735 E13
3736 E13
3737 G13
3738 G12
3739 G13
3740 G14
3743 E12
3744 F11
*
** - Provision Part
3745 D12
3746 D11
3749 D2
3750 E2
3762 H2
3764 F9
3768 D13
3769 H5
3770 I2
3771 I3
3772 I3
3774 H3
3775 I3
3776 I2
3777 I2
3778 H1
3779 G3
3780 G2
3781 G2
3786 I5
3789 I4
3790 D9
3791 G9
3792 F6
3793 F5
3794 F5
TAPE PRE-AMP IC
3795 F5
3796 E10
3797 C11
3800 G11
4736 D5
4737 D5
5701 G2
5703 I1
6612 A10
6770 H2
6771 H2
6772 G1
6773 G2
6774 G3
6776 I4
6777 H3
6778 H5
7610 B5
7612 A9
7614 A10
7618 B9
7620 B9
7624 C11
7720 F8
7780 I4
7781 I3
7782 H2
7783 H2
7784 G3
*
*
(NAR)
(AR)
7786 G2
7788 G13
7789 G12
7790 G12
7792 F6
7793 F4
7794 F4
*
REC EQ
DC Voltages measured with Fe Recording.
*
*
*
*
*
*
*
P
P
1K2
3746
2768
1u
3612
5K6
3721
220p
33n
2720
33R
3722
5K6
3745
1K2
A
A
A
M
7781
BC817-25
A
1N4148
6770
M
A
1N4148
6772
A
1
2
3
4
5
6
7
7782
BC557B
A
A
22n
BC857B
7784
2769
2n2
15K
3772
2K7
3719
56K
3743
33n
2789
VCC10
M
2712
100p 100n
P
7620
BC847B
18K
3724
A
A
P
M
EH-B 1703
1
2
3796
4M7
100n
1n5
2790
3739
47K
27K
3733
A
PMBT 2907
PMBT 2907
3734
27K
A
33n
2747
A
A
4737
4736
33R
3710
3740
47K
100p
2701
3769
22K
2795
1u
3723
18K
P
7614
J111
7786
1N4148
BC847B
7618
A
6773
3738
1K
470p
2623
+5V
22n
2788
2793
22n
2743
120R
3749
56K
3744
2702
100p
180R
3764
A
3624
100K
3778
6R8
3780
1M
BC847B
7788
15n
2717
1K
3737
1K5
3770
A
470R
3630
2703
100p
2731
1n
1706
FE-BT-VK-N
2780
22u
22K
3790
A
47K
3793
2729
2716
150R
3777
7794
A
100u
P
7793
BC847B
BC847B
2784
15n
3781
4M7
13NC
N|C|S 11
PB|LEQ 18
PB|LI 20
PB|LNF 19
PB|LO 17
PB|REC|SW7
PB|REQ3
PB|RIN1
PB|RNF2
PB|RO4
REC|LI 15
REC|LO 14
REC|RI5
REC|RO6
8RF
P
A
AN17150A
7720
ALC 12
ALC|LC 16
9 GND
3720
2K7
A
6774
2621
1n
3614
27K
A
1N4148
22K
3735
BC847B
7783
A
6778
1N4148
1710
FE-ST-VK-N
1
2
3
4
5
100R
3712
+12V
22u
2718
15n
3717
1K2
2797
BC847B
7792
1n
2710
A
100K
3628
120K
3610
220u
2761
47K
3678
2725
A
P
A
P
220p
3736
22K
1n5
2791
A
27K
3791
A
P
A
100R
3711
A
47u
2796
6777
BZX79-F8V2
100n
2713
2782
4n7
4R7
3775
3795
1K
BC847B
7780
7789
BC847B
820R
3762
100p
2704
6
7
8
1K
3626
A
FE-ST-VK-N
1760
1
2
3
4
5
220p
2794
A
1K
3794
2730
22n
3680
47K
3797
56K
18K
3774
2785
1u
6K8
3776
2622
470p
A
-C
A
P
1N4003
6612
3611
2K2
22K
3786
A
3686
100K
2721
1u
-C
2714
2719
33n
A
3800
22K
2n2
2723
A
56K
27K
3608
A
2799
2n2
2770
3709
100p
2711
330K
3779
3607
2K2
100p
2786
A
2K2
3609
2n2
2728
+5V
PP
10n
2781
A
47K
3789
1K2
3771
10K
100n
2625
A
1N4148
6776
3768
2n2
2727
33n
2787
5703
CLNS-2A833 YEZ
MT1
7
MT2
8
1
2
3
4
5
6
O1
6
O2
7
O3
14
O4
O5
13
12
O6
11
O7
9
Os
10
Os
1
STR
16
VDD
8
VSS
6771
1N4148
7610
HEF4094BT
3
CP
D
2
15
E0
4
O0
5
1u
2722
1u
2732
A
2
3
4
5
6
7
BC847B
7624
3750
FE-BT-VK-N
1701
1
2798
10u
120R
1K2
3718
2724
2n2
7612
5701
2u2
1n
2709
100u
2715
A
BC847B
7790
3792
47K
Lch
Lch
PB_Lin
+MOTOR
+MOTOR
GND_M
Common
MUTE_OFF
MUTE_OFF
MUTE_OFF
MUTE_OFF
REC_Lout
P
REC_Lin
REC_Lin
PRE_AMP_VCC
REC
REC
REC
REC_Rin
REC_Rin
REC_Rout
PB_Lout
PB_Rin
PB_Rout
TAPE_R
TAPE_R
TAPE_R
TAPE_L
TAPE_L
TAPE_L
CR_SEL
PHOTO
GND_A
Erase
SOL
MOT
AD1
AD1
Vcc12V
+12V
REC_R
REC_R
+5V
+12V
+5V
REC_L
REC_L
GND_A
Rch
Rch
-CMOS
+12V
REC_RVS
REC_FWD
CR_IN
CR_IN
CR_IN
sol_supply
sol_supply
MODE
GND_M
+12V
+12V
CR_BIAS
CR_BIAS
CR_SEL
BIAS_OFF
BIAS_OFF
BIAS_OFF
GND_P
CLK
CLK
DATA
DATA
DATA
STROBE
STROBE
+MOTOR
+MOTOR
+5V
+12V
E
F
G
H
I
A
B
C
D

Related product manuals