EasyManua.ls Logo

Philips MC-77/22 - Page 47

Philips MC-77/22
79 pages
Print Icon
To Next Page IconTo Next Page
To Next Page IconTo Next Page
To Previous Page IconTo Previous Page
To Previous Page IconTo Previous Page
Loading...
SDA
VCC
KILL DOBM
D1-D5
D2-D4
7803
7802
7815
7813
7814
TDA7073A
TDA7073A
TDA7073A
HEF4094BT
TTM +
TTM -
MOT2
LD ON
LD
MON
CD R/W
HF IN
V1
D1
D2
D3
D4
R1,R2
MOT1
SLEDGE -
SLEDGE +
RAD -
RAD +
FOC -
FOC +
REGISTER
SHIFT
M62320FP
REGISTER
SHIFT
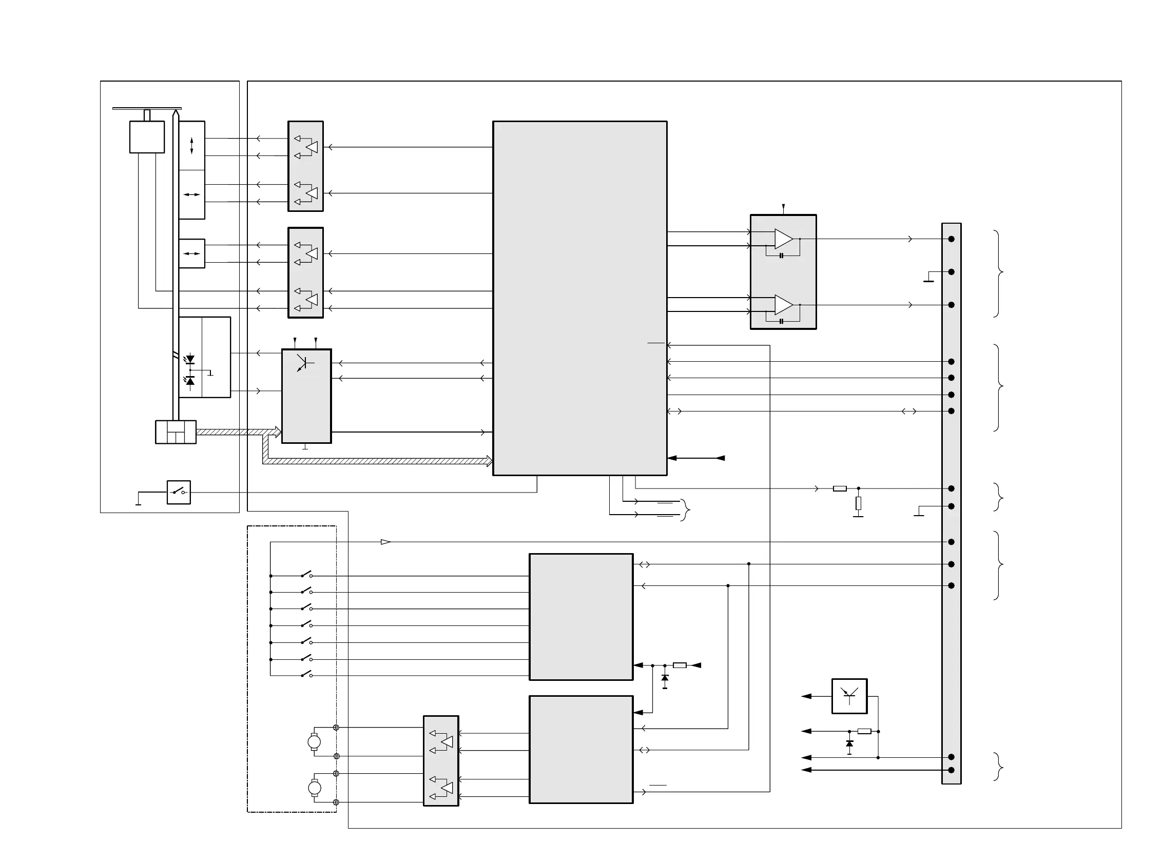
SIGNAL PROCESSOR
CD10
SAA7324 (SAA7325)
DRAWER
MOTOR
CARRIAGE
MOTOR
SLIDER REVERSE
SW8
SW4
CARRIAGE NUMBER
SW2
CARRIAGE EXTRA
CARRIAGE HOME
SL
D5
VDD
+10V
D3
D2
D0
RA
FO
DIODES
PHOTO
D3D2
D5D1
D4
INNER SWITCH
SWITCH INFO
LASER &
MONITOR
DIODE
TURNTABLE
MOTOR
DISC
CD MECHANISM
FOCUS
MOTOR
RADIAL
MOTOR
SLEDGE
MOTOR
MOTOR
TURNTABLE
MAINBOARD
DATA
SHR_CL
DATA
SHR_CL
7801
+3,3V
7800
Laser Control
&
HF AMPLIFIER
TZA1024 (TZA1025)
55
54
56
38
42
40
39
5,17,21,52,57
59
60
64
1
13
+5V
2
4
5
7
V4
61
2
63 513234
10
11
6,14
12
7
2
3
16
13
3
2
4
10
7
6
4
VDD
5V1
+3,3V
KILL R
KILL L
not connected
SICL
SILD
RESET
Blockdiagram 3DTC 2001-11-25
Closed if carriage extra has been detected
SW7
SLIDER FORWARD
5
Closed if slider moves forwards
Closed if slider moves backwards
SW4 and SW5 define the used carriage
SW6
DRAWER OPEN/CLOSE
SW3
13
6
Closed if carriage is in play position.
Closed if the drawer closed
SW5
CARRIAGE NUMBER
14
Loader mechanic
+5V
+4V
+3,3V
+10V
7811
+5V
6801
BLOCK DIAGRAM 3DTC
Q0
Q1
Q2
Q3
Q4
Q5
Q6
1803
17
18
19
14
16
13
3
4
11
SHR-DATA
12
8
6
9
BASIC Version
Active low pass
Filter
TDA1308
7816
7
15
5
2
3
6
+5V
8
+
-
+
-
CD LEFT
CD RIGHT
22
23
18
19
RN
RP
LN
LP
12
RESET
D7
DATA
SHR_CL
SWITCH INFO
10
RAB
41
RAB
EBU OUT EBU
SICL
SILD
+5V
+10V
Supply
Digital Audio
Changer
Control Logic
Analog Audio
Communication
µP Signal Processor
VAM2201

Related product manuals