EasyManua.ls Logo

Philips MCM298 - Page 20

Philips MCM298
37 pages
Print Icon
To Next Page IconTo Next Page
To Next Page IconTo Next Page
To Previous Page IconTo Previous Page
To Previous Page IconTo Previous Page
Loading...
6-4
6-4
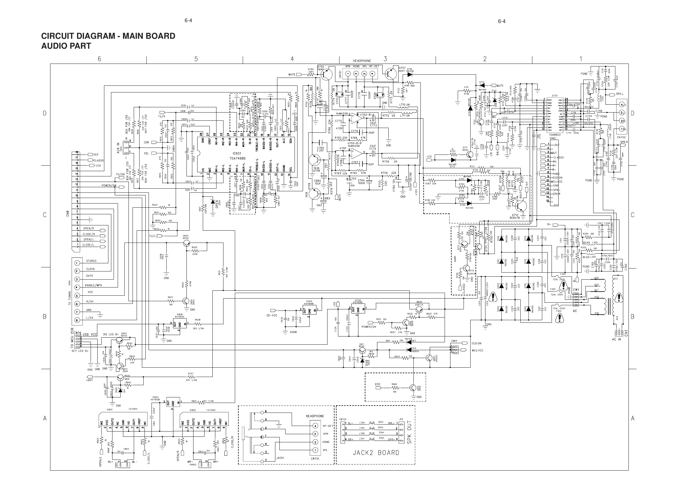
CIRCUIT DIAGRAM - MAIN BOARD
AUDIO PART
All manuals and user guides at all-guides.com

Related product manuals