EasyManua.ls Logo

Philips MX3910D - Page 121

Philips MX3910D
128 pages
Print Icon
To Next Page IconTo Next Page
To Next Page IconTo Next Page
To Previous Page IconTo Previous Page
To Previous Page IconTo Previous Page
Loading...
12-5a
12-5a
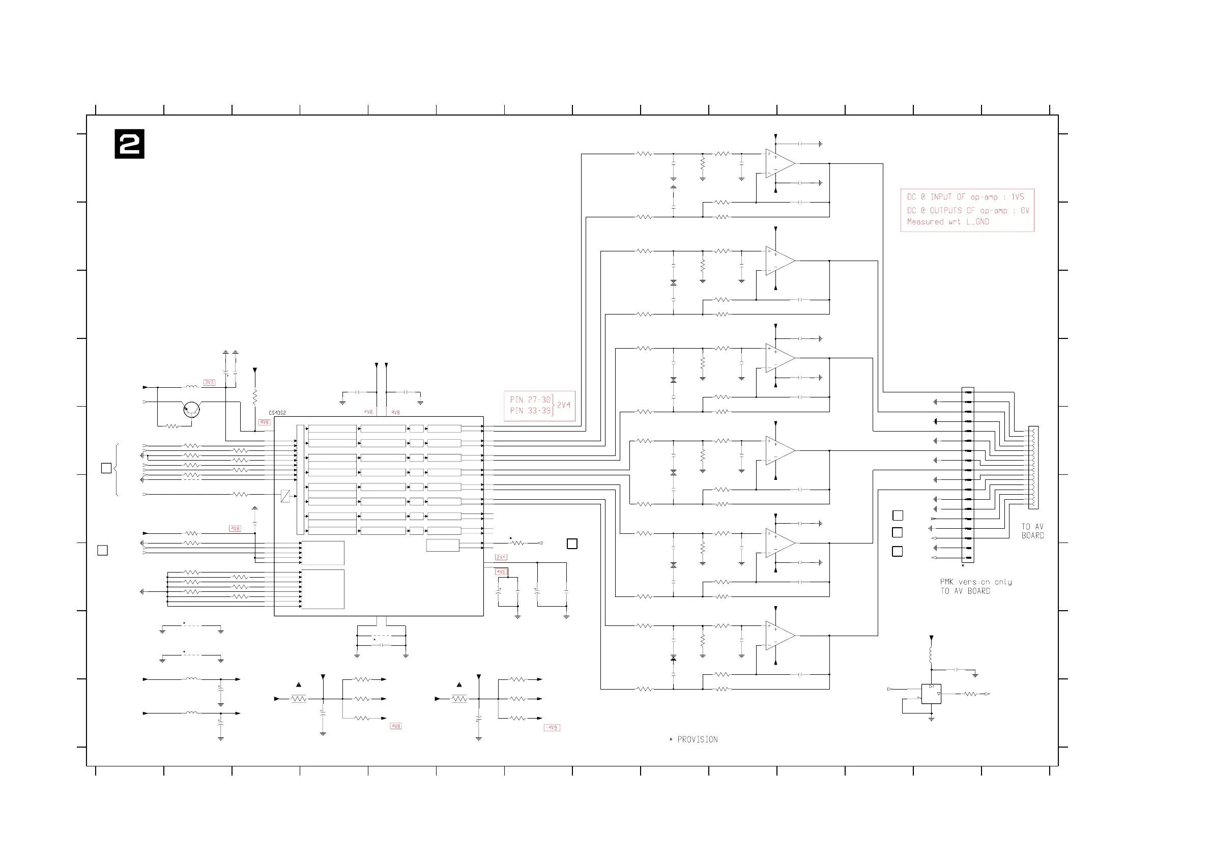
CIRCUIT DIAGRAM 2 (For pc board ... 3511p4)
EN
MODE SELECT
DIRECT STREAM
DIGITAL INPUT
DAC
GND
MUTE
CONTROL
INTERPOL FILTER ANAL FILTER
VOLUME CONTROL
MIXER
VOLUME CONTROL
INTERPOL FILTER DAC ANAL FILTER
INTERPOL FILTER DAC ANAL FILTER
VOLUME CONTROL
MIXER
VOLUME CONTROL
MIXER
VOLUME CONTROL
INTERPOL FILTER DAC ANAL FILTER
INTERPOL FILTER DAC ANAL FILTER
VOLUME CONTROL
INTERPOL FILTER DAC ANAL FILTER
INTERPOL FILTER DAC ANAL FILTER
VOLUME CONTROL
MIXER
VOLUME CONTROL
INTERPOL FILTER DAC ANAL FILTER
SERIAL PORT
:2
1
CONTROL PORT/
G
H
I
1401 G13
1402 F14
2400 D2
2401 D3
2403 D4
2404 D5
2405 G6
2406 G7
2407 G7
2408 G7
2409 H5
2410 F3
2411 I2
2412 I2
2413 I4
2414 I6
2415 A9
2416 A10
2417 A11
3
1 2 3 4 5 6 7 8 9 1011121314
123
3
4567891011121314
A
B
C
D
E
F
G
H
I
A
B
C
D
E
F
2418 A11
2419 B9
2420 A11
2421 B9
2422 B10
2425 C9
2426 C11
2427 D9
2428 D10
2429 C11
2430 D11
2431 D9
2432 D11
2433 E9
2434 E10
2437 F9
2438 F11
2439 G9
2440 G10
2441 F11
2442 G11
1
2443 G11
2445 H9
2446 H9
2448 H11
2451 H13
2454 H10
2455 G9
3400 E2
3401 E2
3402 E2
3403 E2
3404 E2
3405 E2
3406 E2
3407 F7
3408 F2
3409 F2
3410 F2
3411 G2
3412 G2
3413 G2
3414 G2
3415 G2
3416 G2
3417 E2
3418 D3
3419 H9
3420 A9
3421 A9
3422 A10
3423 B9
3424 A10
3425 B10
3426 B9
3427 B9
3428 B10
3429 C9
3430 C10
3431 C10
3432 D9
3433 D9
3434 D10
3435 E9
3436 D10
3437 E10
3438 E9
3439 E9
3440 E10
3441 F9
3442 F10
3443 F10
3444 F9
3445 G9
3446 F10
3447 G9
3448 G10
3449 G10
3450 H9
3451 I13
3452 H10
3453 I9
3454 H10
3455 I10
3470 I3
3471 I4
3472 I4
3474 I6
3475 H4
3476 I7
3478 H7
3479 I7
4400 H5
4402 F2
4403 H2
4404 H2
5400 H2
5401 D2
5402 I2
5405 H13
7400 E3
7401-A A11
7401-B B11
7402-A D11
7402-B E11
7403-A F11
7403-B H11
1
7404 D2
7405 I13
1
1
4403
3441
2443
100p
2439
560p
100p
2426
3450
10K
8
4
10K
3414
3437
4
3400
47R
3415
10K
GND_BUF
560p
L_GND
D
7403-A
LM833D
12K
Rs_GND
2
3
4
5
6
7
8
9
100n
12K
3
2
1
8
4
2429
3442
560p
10K
3420
Lfe_GND
560p
2425
3471
10R
3429
10K
Lfe_GND
R_GND
47R
3404
D
D
D
3451
D
3434
2455
560p
3411
10K
D
74HC1G125
7405
D
Ls_GND
-5V_v
D
Ls_GND
L_GND
3405 47R
9
2438
2433
100p
3440
4R7
3470
10R
12K
Rs_GND
3472
100p
2448
Ls_GND
12K
3452
Lfe_GND
D
D
Rs_GND
15K
2422
100p
3427
3408
47R
24001u0
L_GND L_GND
C_GND
2442
100n
33u
5402
2412
47u
11
12
13
14
15
16
17
18
2
3
4
5
6
7
8
3449
1401
FMN
1
10
15K
D
+5V_V1 -5V_V1
3455
15K
3443
15K
100p
2440
+5V_D
10K
3435
Rs_GND
R_GND
47R
3406
3424
10K
3413
2409
100n
L_GND
2454
100p
D
BC847B
7404
MIC_GND
D
GND_BUF
C_GND
3438
Lfe_GND
2432
100p
10K
10K
3453
10K
2405
47u
3444
D
D
7403-B
LM833D
5
6
7
8
4
12K
R_GND
3419
15K
2434
100p
3430
Rs_GND
D
L_GND
3409 47R
1
8
4
12K
3428
LM833D
7402-A
3
2
L_GND
3431
15K
C_GND
10R
3479
100p
15K
3425
2420
2
3
1
5
100n
10K
3426
1u0
2407
2430
560p
2421
3418
27K
Ls_GND
2410
100n
15K
3421
10K3402
47u
2413
Lfe_GND
Lfe_GND
2401100n
10K
3403
3422
12K
10K
3447
47R
3407
7401-A
3
2
1
8
4
+5V_v
12
SCLK2
8
SDIN1
SDIN2
11
13
SDIN3
SDIN4
14
32
VA
4
VD
18
VLC
43
VLS
VQ
21
LM833D
46
DSDB3
DSDB4
44
FILT+
20
531
7
LRCK1|DSD-EN
10
LRCK2
17
M0|AD0|CS_
16
M1|SDA|CDIN
15
M2|SCL|CCLK
M3|DSD-SCLK
42
6
MCLK
41
MUTEC1
22
MUTEC234
19
RST_
9
SCLK1
38
AOUTB1+
37
AOUTB1-
34
AOUTB2+
33
AOUTB2-
28
AOUTB3+
27
AOUTB3-
AOUTB4+
24
AOUTB4-
23
3
DSDA1
1
DSDA2
DSDA3
47
DSDA4
45
DSDB1
2
48
DSDB2
7400
39
AOUTA1+
40
AOUTA1-
35
AOUTA2+
36
AOUTA2-
29
AOUTA3+
30
AOUTA3-
AOUTA4+
25
AOUTA4-
26
47u
2411
15K
560p
2445
3439
2427
560p
2419
15K
3433
3412
10K
R_GND
2408
100n
47R3401
2418
100n
12K
3448
3417 4K7
3436
C_GND C_GND
12K
C_GND
12K
3446
LM833D
5
6
7
8
4
10K
3423
D
7402-B
D
+5D
5405
22R
100n
2451
15K
3445
R_GND
2431
560p
33u
5401
10R
3478
4400
Lfe_GND
L_GND
560p
2437
10K
3432
100n
2403
100n
2404
D
33u
5400
4404
GND_BUFRs_GND
12K
1
10
11
12
13
14
15
16
FMN-STK
1402
3454
12K
Ls_GND
560p
2446 2415
560p
2414
47u
2428
100p
10K
3410
D
100p
2416
3416
10K
100n
2406
2441
15K
C_GND
100n
10K
7401-B
LM833D
5
6
7
4402
10R
100n
2417
4R7
3474
3475
3476
10R
+5V_D
+5V_D
DAC_RST
+3V3
MUTE_AV
DIG_OUT
DIG_BUF
-5VA_B
+5VA_B
DVD_Lfe
+5V
MIC_IN
+5V_D
+5V_DAC
I2C_CLK_AD
I2C_DATA_AD
-5VA_A
+5VA_A
-5VA_B
+5VA_B
+5V
DVD_R
DVD_Ls
DVD_Rs
DVD_C
DIG_IN_2
DIG_OUT
TSD2
TSD1
TSD0
MCLK
+5V_DAC
-5VA_A
-5VA_B
TBCLK
TWS
-5VA_C
+5VA_A
+5VA_A
+5VA_C
+5VA_C
-5VA_C
-5VA_C
-5VA_A
+5VA_B
+5VA_C
DIGITAL TO ANALOG

Other manuals for Philips MX3910D

Related product manuals