EasyManua.ls Logo

Philips MX3910D - Page 24

Philips MX3910D
128 pages
Print Icon
To Next Page IconTo Next Page
To Next Page IconTo Next Page
To Previous Page IconTo Previous Page
To Previous Page IconTo Previous Page
Loading...
6-4
6-4
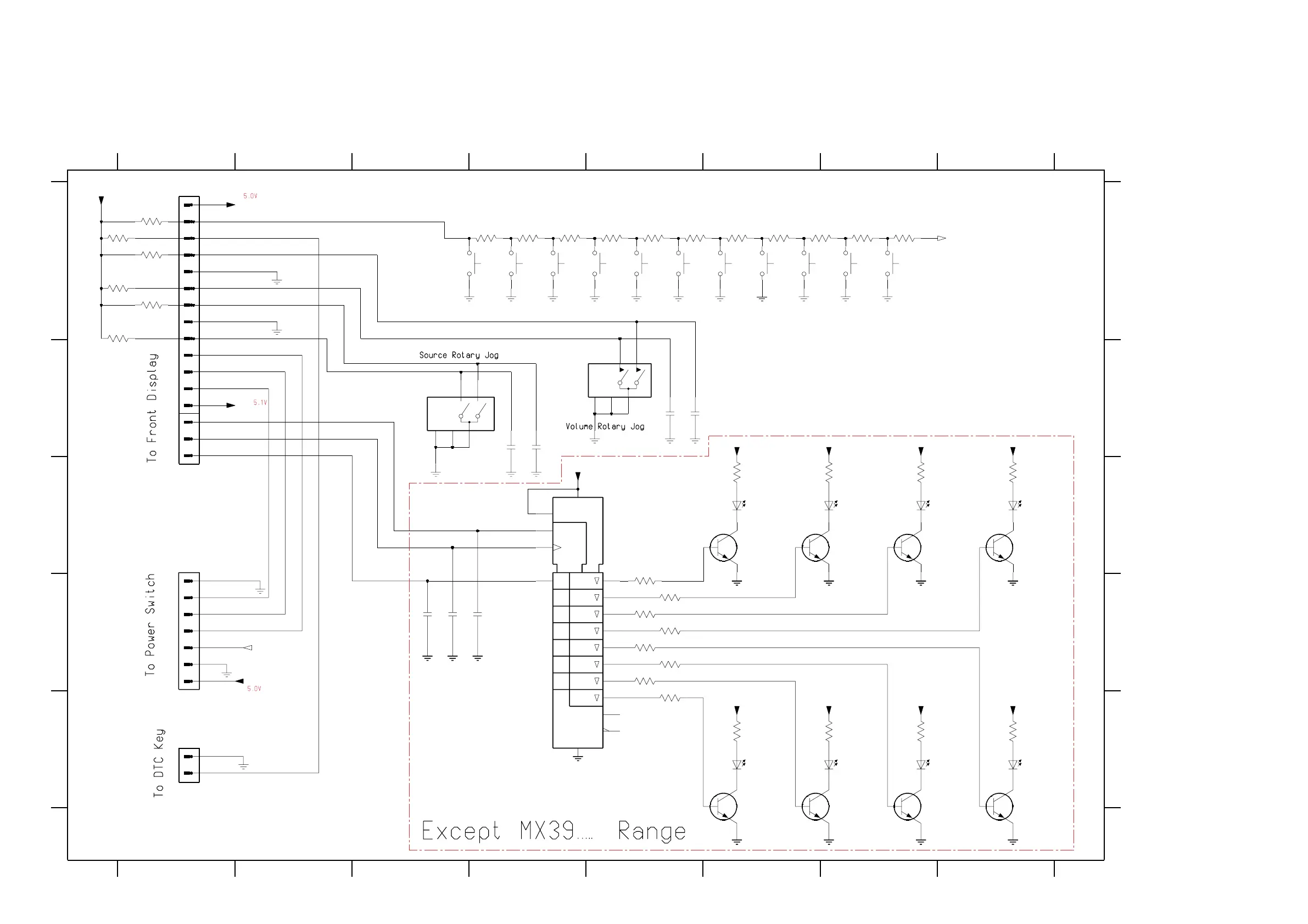
FRONT CONTROL PART - CIRCUIT DIAGRAM
STB
D1
EN1
SRG8
1300 A1
1301 A3
1302 A4
1303 A4
1304 A4
1305 A5
1306 A5
1307 A6
1308 A6
1309 A6
1310 A7
1311 A7
1313 C1
1314 B4
1315 B3
1316 E1
2304 B5
2305 B5
2306 B4
2307 B4
2308 D3
2309 D3
2310 D4
3303 A4
12345678
12345678
A
B
C
D
E
A
B
C
D
E
3304 A4
3305 A4
3306 A5
3307 A5
3308 A5
3309 A6
3310 A6
3311 A6
3312 A7
3330 A1
3331 A1
3332 A1
3333 A1
3334 A1
3335 A1
3336 A7
3337 D5
3338 D5
3339 D5
3340 D5
3341 D5
3342 D5
3343 D5
3344 E5
3345 C6
3346 C7
3347 C7
3348 C8
3349 E6
3350 E7
3351 E7
3352 E8
6300 C6
6301 C7
6302 C8
6303 C8
6304 E6
6305 E7
6306 E8
6307 E8
7300 C5
7301 C6
7302 C7
7303 C7
7304 C8
7305 E6
7306 E7
7307 E7
7308 E8
BASS
6301
GND_B
3344
1300
FE-ST-VK-N
1
10
11
12
13
14
560R
3307
GND_B
GND_B
47p
2310
120R
3338
GND_B
120R
3337
150R
3303
1
A
3
B
2
C
4
5
2307
10n
1315
EVE
1311
120R
3347
120R
3346
120R
3345
7307
BC847B
LTL-816TDK3
6307
7308
BC847B
LTL-816TDK3
6303
BC847B
7304
120R
3343
GND_B
3342
3341
120R
3340
120R
GND_B
120R
6302
BC847B
LTL-816TDK3
7
14
13
12
11
9
10
1
16
8
7303
7300
74HC4094D
3
2
15
4
5
6
7301
BC847B
LTL-816TDK3
6300
10n
2305
NEXT
1305
15
16
2
3
4
5
6
7
8
9
GND_B
6306
LTL-816TDK3
3335
10K
3334
10K
3333
10K
3332
10K
3309
1K2
120R
3349
120R
3348
GND_B
CLK
1307
10K
3336
BC847B
7302
BC847B
LTL-816TDK3
6304
SURROUND
1306
7305
1313
1
2
3
4
5
6
7
1
2
GND_B
FE-ST-VK-N
LTL-816TDK3
EH-S
1316
GND_B
120R
GND_B
120R
3350
GND_B
2306
10n
PROGRAM
GND_B
TUNING
1308
1309
GND_B
3308
120R
3339
1301
820R
220R
3304
SWEETSPOT
13
2
MT1
4
MT2
5
2304
10n
1314
EVE
1302
STOP
1303
PLAY
1304
PREVIOUS
LTL-816TDK3
6305
7306
BC847B
2K7
2K7
3331
3310
3330
3306
390R 1K8
270R
3305
2309
2308
47p
120R
3352
47p
120R
3351
1310
3312
TREBLE
2K7
3311
4K7
+D +D +D +D
+D +D +D +D
Key0
Key0
LedShData
LedShClk
LedShStr
+C
Stdby_Key
+D
Rot_Vol_A
Rot_Vol_B
Key1
Stdby_LED
Stdby_LED
RC6
RC6
+C
LPS_LED
LPS_LED
Stdby_Key
+D
+C
Rot_Jog_A
Rot_Jog_B

Other manuals for Philips MX3910D

Related product manuals