EasyManua.ls Logo

Philips MX3910D - Page 43

Philips MX3910D
128 pages
Print Icon
To Next Page IconTo Next Page
To Next Page IconTo Next Page
To Previous Page IconTo Previous Page
To Previous Page IconTo Previous Page
Loading...
8-3a
8-3a
#
#
#
SPEAKER
D
E
A
B
C
D
E
To Amp
To Amp
To SPK II
1234
1234
A
B
C
To Amp
To Amp
To Amp
To Amp
To Amp
#
#
#
#
#
#
#
To Amp
2000
#
#
1
2
3
4
T-341142-1-00
1303-E
9
10
220n
2012
9500
1320
EH-B
2008
330p
2
T-341142-1-00
1303-A
1
T-341142-1-00
1303-C
5
6
8239_210_93448_01...for 3494 pt8 dd wk0350
GND
GND
LQR1910
1304-B
3
4
1317
EH-B
2
3
4
T-341142-1-00
1303-B
3
4
10n
GND
GND
GND
10n
2003
T-341142-1-00
1303-F
11
12
1314
EH-B
1
2
3
4
5
1321
EH-B
1
LQR1910
1304-D
7
8
9
10
T-341142-1-00
1303-D
7
8
LQR1910
1304-A
1
2
LQR1910
1304-E
2006
10n
10n
2005
2004
10n
330p
2009
10n
2002
GND
10n
2001
22R
3003
22R
3005
22R
3001
22R
3002
22R
3000
220n
2016
220n
2017
220n
2014
220n
2015
220n
2013
1318
EH-B
1
2
3
4
1319
EH-B
6
1316
EH-B
1
2
3
4
5
1
2
3
4
LQR1910
1304-C
5
10n
2011
2010
10n
10n
2007
22R
3004
1313
EH-B
1
2
3
4
5
6
7
8
1
2
3
4
5
6
7
8
9
1
2
3
4
5
6
7
8
1315
EH-B
1303-A E4
1303-B B4
1303-C A4
1303-D D4
1303-E C4
1303-F B4
1304-A B3
1304-B A3
1304-C D3
1304-D C3
1304-E B3
1313 A1
1314 D1
1315 B1
1316 A2
1317 B2
1318 E2
1319 E2
1320 C1
1321 C2
2000 A4
2001 A4
2002 B4
2003 B4
2004 B4
2005 C4
2006 C4
2007 C4
2008 D4
2009 D4
2010 E4
2011 E4
2012 A2
2013 B2
2014 B2
2015 C2
2016 D3
2017 E2
3000 A3
3001 B3
3002 B3
3003 C3
3004 D3
3005 E3
9500 E3
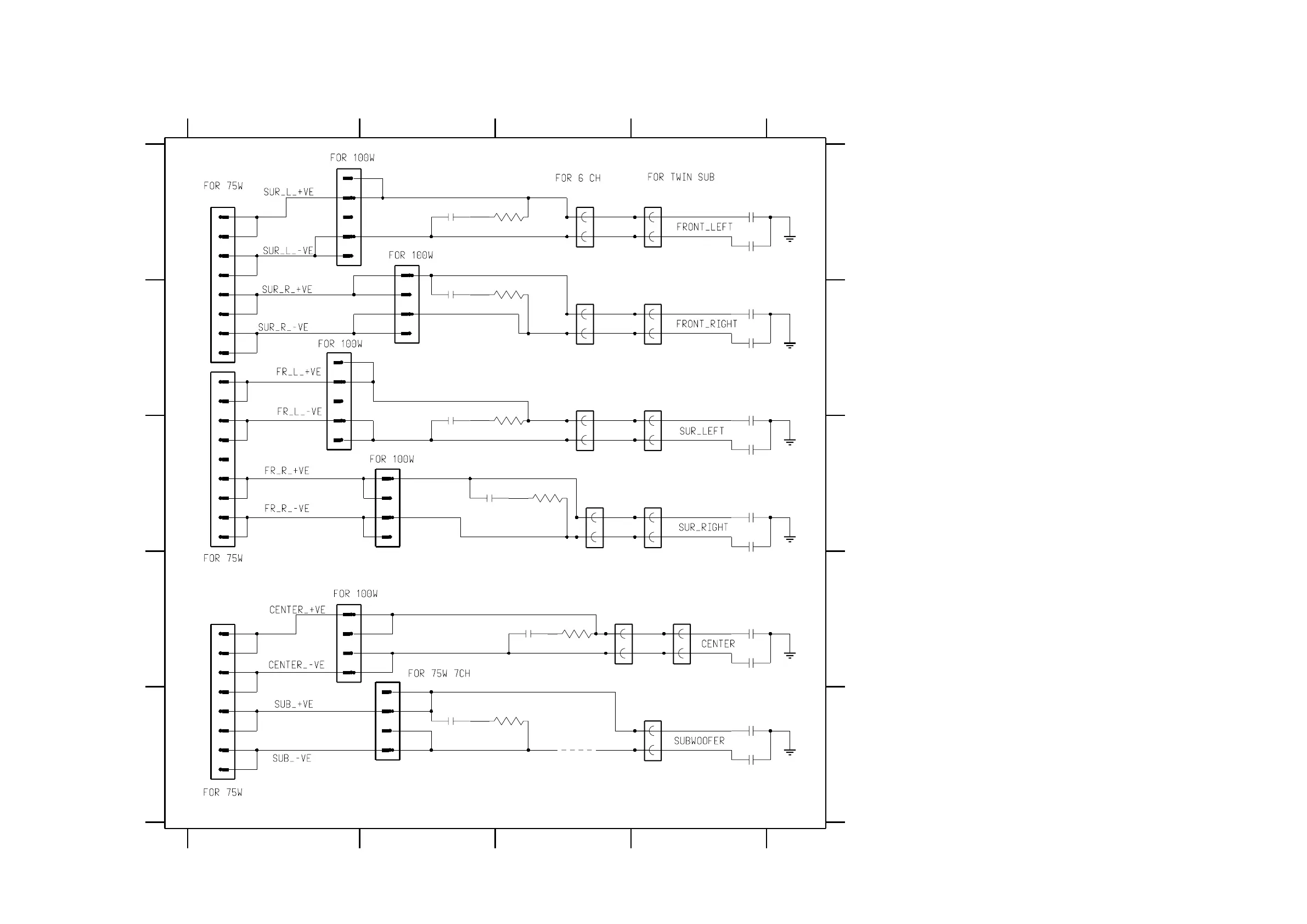
Note : Some values may varies, see respective parts list for correct value.
# Provision only
SPEAKER (SPK I) BOARD - CIRCUIT DIAGRAM (For pcb layout ...93448)

Other manuals for Philips MX3910D

Related product manuals