EasyManua.ls Logo

Philips MX3910D - Page 84

Philips MX3910D
128 pages
Print Icon
To Next Page IconTo Next Page
To Next Page IconTo Next Page
To Previous Page IconTo Previous Page
To Previous Page IconTo Previous Page
Loading...
9-5
9-5
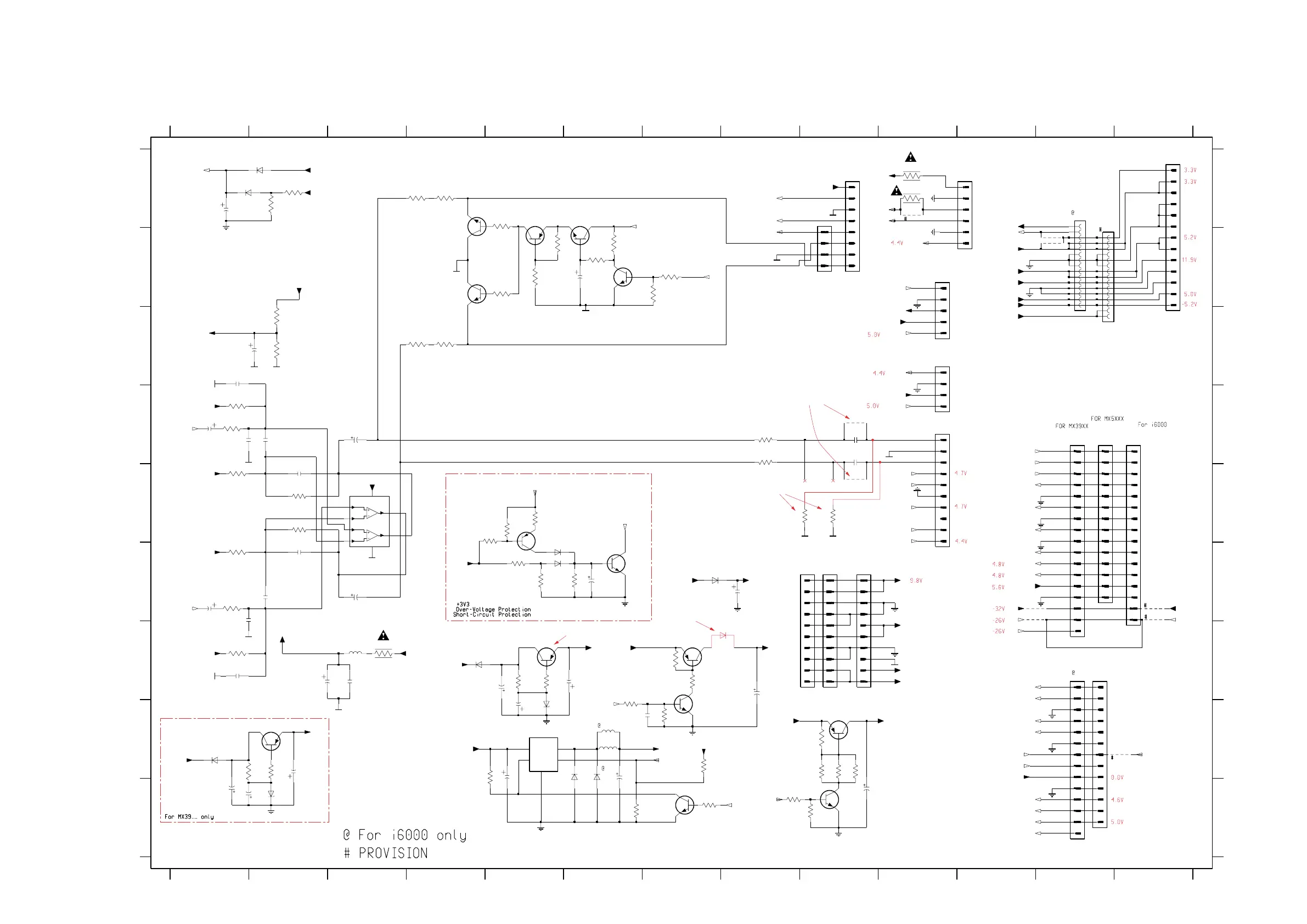
PRE-AMPLIFIER, SUPPLY & INTERCONNECTION CIRCUIT
FB
GND
OUTVIN
ON_|OFF
D
E
F
G
H
I
TO SUPPLY PCB
12345678910111213
12345678910111213
(Headphone not inserted)
LOW = MUTE
A
B
C
D
E
F
G
H
I
A
B
C
NJM4556AM
TO FRONT PCB
TO AMP PCB
AMP_L
AMP_R
Karaoke
BD438
7204
GND_D
10
11
12
13
2
3
4
5
6
7
8
9
10K
3261
3244
1
FMN-BTRK
1241
4200
4280
2210
180p
GND_C
+HP
2215
22u
BC847B
7233
A_HP
1
+C
1242
FMN
100u
5201
GND_A
GND_A
GND_D
+12V_DVD
3213
47R
1n
2216
+12A
47R
3236
6K8
GND_M
A_HP
470n
2280
+5V6
GND_D
47u
2207
+12A
BC817-25
7250
+5V6
+5V6
4281
1K
3209
GND_D
2281
470n
BAS316
6200
2254
470n
4201
+12M
2240
100u
GND_A
+12M
GND_D
EH-B
1233
1
GND_M
9291
3214
7206
BD438
5202
33u
GND_D
47K
3254
3250
47K
A_HP
3277
47K
GND_M
+5V6
4206
7207
BC847BW
2R2
3291
2208
47u
1m0
2201
1K0
3224
6
7
8
9
+5V6
10
11
12
13
14
15
2
3
4
5
7231
BC857B
+5V_DVD
5K6
3206
GND_D
470R
3265
470p
2212
FE-BT-VK-N
1243
1
2
3
4
5
6
7
8
2213
100p
6K8
-5V
GND_D
3274
5K6
3273
10K
1
10
2
3
4
5
6
7
8
9
3234
1231
FE-BT-VK-N
10
2
3
4
5
6
7
8
9
220R
BC847B
7253
2242
47u
2227
22u
3235
220R
2228
100u50V
3256
4K7
1240
FE-BT-VK-N
12
13
14
15
16
2
3
4
5
6
7
8
9
A_HP
FE-BT-VK-N
1245
1
10
11
7230
INA+3
INA-2
INB+5
6 INB-
O-A 1
O-B 7
VS+
8
VS-
4
+HP
3211
33R
9
12K
3232
GND_D
FE-BT-VK-N
1238
1
10
11
12
13
2
3
4
5
6
7
8
1236
FE-BT-VK-N
1
2
3
4
5
2211
470p
3240
47K
22u
2224
22u
2217
4205
4K7
3208
7205
BC327-25
22u
2230
3238
10R
2226
100u50V
3245
5K6
3210
1K
6227
BAS316
+12M
A_HP
+12V_DVD
22u
2225
1230
1
2
3
4
+12V_DVD
FE-BT-VK-N
2u2
5232
1K0
3263
+5V
BZX79-C6V8
6224
6226
BZX79-C33
4203
GND_D
BC847B
7232
3262
1K0
3231
27K
1K0
3276
7
8
9
10K
3239
1244
FE-BT-VK-N
1
10
11
12
13
14
2
3
4
5
6
+5V
BC847BW
7209
3207
4K7
GND_D
BAS316
6201
3243
2K2
+C
3290
2R2
50V 100u
2229
GND_D
GND_D
3212
33R
1K0
3268
GND_D
5K6
3252
6228
3201
100K
100p
2218
3275
68R
A_HP
27K
3230
+12A
7252
BC857B
+HP
10K
3202
3203
10K
3272
6K8
3269
220R
1
2
3
4
5
6
+C
4
5
6
7
8
9
EH-B
1235
1
10
11
12
13
14
15
2
3
GND_D
FMN
1246
6204
1N4003GP
2
3
4
5
6
7
8
9
GND_D
FE-BT-VK-N
1239
1
10
11
12
13
14
15
16
17
3215
1K0
2209
180p
16V470u
2231
BYV28-200/20
6203
47u
2219
BYV27-200
6202
8K2
3259
100K
4K7
3257
GND_D
GND_D
3200
1N4003GP
6225
GND_D
22n
2220
1K
3205
2202
10u
BC847BW
7211
MIC
2241
1m0
50V
+12A
6K8
3233
A_HP
4202
+12M
3260
10K
A_HP
BC817-25
7200
4204
3237
12K
2214
1n
GND_D
1N4003GP
6223
1
2
3
4
BD438
7208
LM2576T-3.3
7210
4
3
5
21
100u
4
5
6
7
8
9
GND_D
2233
8
9
1200
EH-B
1
10
2
3
1201
EH-B
1
10
2
3
4
5
6
7
10K
3225
1K0
MUTE_SCART_LO
I2C_CLK1
I2C_CLK2
I2C_CLK3
A2
A1
DVD_5V
DVD_ON
I2C_DATA
A0
3204
+3V3
NTC
+3V3
DVD_5V
3V3_sense
+3V3
VID_RGB
~F1
~F1
3V3_sense
+3V3
HP_DET
TU_CLK
SD
FM_DET
MUX_DET
MIC_OUT
MUX_VU
40VAC
TU_ENABLE
LPC
PWD_DN
TU_DATA
TU_STEREO
+5V6_ECO
40VAC
NTC
PWD_DN
+5V_MUTE_1
DVD_5V
DVD_ON
-Vkk
NTC
AMP_C
AMP_ON_LRCS
FREQ_HOP
MIC_DET
MUTE_HDPH
+5V_MUTE_1
HPREF
HPREF
HPREF
HPREF
HPREF
1B_L
1B_R
LPC
NTC
PWD_DN
40VAC
~F2
~F2
-Vkk
+5V6_ECO
DVD_5V
40VAC
1200 F9
1201 F9
1230 B9
1231 D10
1232 C10
1233 F9
1235 A11
1236 B10
1238 G12
1239 D12
1240 D12
1241 B12
1242 A13
1243 B9
1244 G12
1245 D13
1246 A12
2201 A1
2202 B6
2207 D3
2208 F3
2209 E2
2210 F2
2211 D2
2212 F2
2213 C1
2214 D1
2215 D1
2216 F1
2217 F1
2218 G1
2219 G2
2220 G3
2224 G6
2225 H5
2226 G5
2227 F8
2228 I2
2229 I1
2230 H2
2231 I9
2232 G8
2233 C1
2240 I5
2241 H6
2242 F6
2254 H7
2280 D9
2281 D9
3200 A2
3201 A2
3202 I6
3203 B7
3204 B7
3205 B6
3206 B6
3207 B5
3208 B5
3209 A5
3210 B5
3211 A4
3212 C4
3213 A4
3214 C4
3215 H7
3224 D8
3225 D8
3230 E2
3231 E2
3232 G1
3233 E1
3234 F1
3235 D1
3236 F1
3237 D1
3238 G3
3239 I7
3240 H5
3243 H2
3244 H1
3245 H9
3250 I9
3252 G7
3254 H7
3256 C2
3257 C2
3259 G5
3260 I8
3261 H6
3262 H9
3263 H9
3265 G5
3268 H9
3269 G7
3270 E9
3271 E9
3272 F5
3273 F6
3274 E5
3275 E5
3276 F5
3277 F5
3290 A10
3291 A10
4200 G11
4201 F11
4202 F13
4203 F13
4204 H13
4205 B12
4206 B12
4280 D9
4281 E9
5201 H6
5202 H6
5232 G3
6200 A2
6201 A2
6202 H6
6203 H6
6204 H1
6223 G4
6224 H5
6225 F7
6226 I2
6227 F5
6228 F5
7200 A4
7204 G5
7205 H2
7206 H9
7207 I9
7208 G7
7209 H7
7210 H5
7211 I7
7230 E3
7231 A5
7232 A6
7233 B7
7250 B4
7252 E5
7253 F6
9291 A10
BAS316
Non-
Karaoke
TO HDPH
& MIC PCB
TO DVD Module
TO MAINS TRANSFORMER
TO MAINS &
ECO STBY PCB
2
3
4
5
6
7
8
9
1
10
11
12
13
14
TO FRONT PCB
FE-BT-VK-N
1232
A_HP
AMP_ON_LRCS
50V
#
#
TO SUPPLY PCB
AV Board to AV
Board Connection
0.2V
0.2V
5.4V
5.9V
5.9V
5.9V
3.3V
5.9V
5.9V
-32.4V
5.9V
11.6V
5.9V
-33V
5.4V
4.6V 4.8V 5.4V
0.2V
-6.8V
5.6V
5V
0.2V
Hi = ON
Hi = ON
11.8V12V
11.3V
0.2V
Hi = ON
4.6V
0.2V
4.8V
AV circuit 3139 118 35003 sheet 2 dd wk304
5.2V
-6.2V
A_HP A_HP
470R
3271
3270
470R
cut
cut
Mounted with 470n for
pt .3 board rework at Prod start
+5V_DVD
2232
220u 10V
SS14
6205
Diode Added for
pt .3 board rework
at Prod start
Prod start with BD438 with
Heatsink and running change
to BD242B without heatsink
6205 G8
Res 3270 & 3271 cut & shift to
pin 10 and 8 of conn. 1232
for pt .3 board rework at Prod start

Other manuals for Philips MX3910D

Related product manuals