EasyManua.ls Logo

Philips MX3910D - Page 86

Philips MX3910D
128 pages
Print Icon
To Next Page IconTo Next Page
To Next Page IconTo Next Page
To Previous Page IconTo Previous Page
To Previous Page IconTo Previous Page
Loading...
9-6
9-6
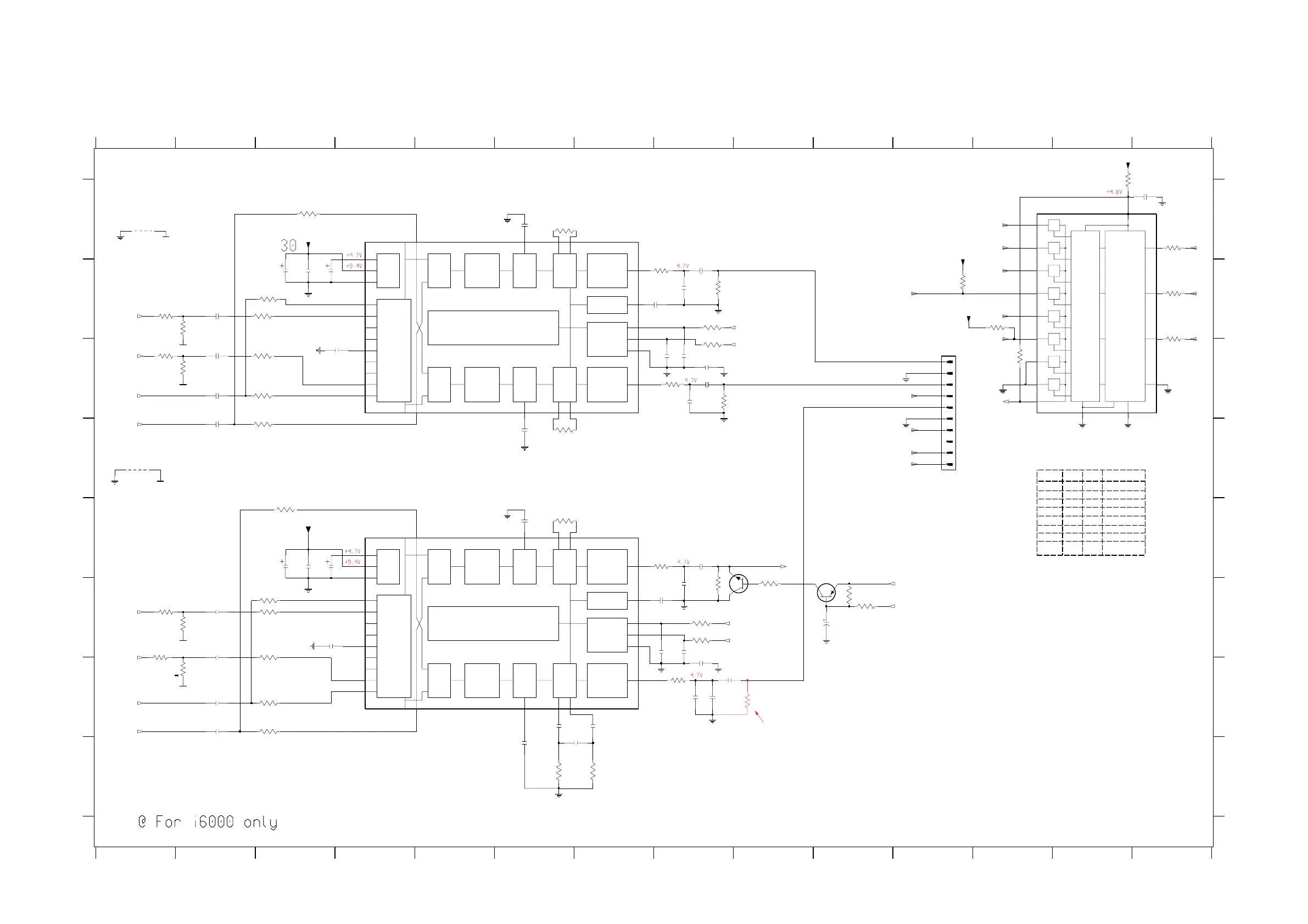
VOLUME CONTROL SURR., CENTER & SW AND CONTROL MULTIPLEXER CIRCUIT
VOLUME I
RIGHT
SUR.
SOURCE
SUPPLY
POWER
SELECTOR
TREBLE
LEFT
VOLUME II
LOGIC
LEFT
REC
IIC BUS
BASS ALC
BASS
LEFT
VOLUME I
LEFT
SUR.
TREBLE
RIGHT
VOLUME II
RIGHT
BASS
RIGHT
VDD
VSS
A2
CONVERSION
LEVEL
LOGIC
DECODER
1-of-8
A0
A1
VOLUME I
RIGHT
SUR.
SOURCE
SUPPLY
POWER
SELECTOR
TREBLE
LEFT
VOLUME II
LOGIC
LEFT
REC
IIC BUS
BASS ALC
BASS
LEFT
VOLUME I
LEFT
SUR.
TREBLE
RIGHT
VOLUME II
RIGHT
BASS
RIGHT
AMP_SUB
C
D
E
F
G
H
A
B
C
D
E
F
G
H
AMP_RS
TO AMP PCB
1234567891011121314
1234567891011121314
A
B
LOW
HIGH
NTCHIGHLOWHIGH
DI_LOCKLOW
7352 : TRUTH_TABLE
MUX_DETA0A1
AMP_LS
LOW
#
#
A2
1K
3311
GND_S
2321
DVD_CS
DVD_CS
GND_D
3320
6K8
DVD_CS
3312
1K
GND_S
DVD_SUR
GND_D
100p
2325
3337
2318
470n
1K
GND_D
LOW LOW Pscan_DET
LOW LOW HIGH S_Video_DET
LOW HIGH LOW HP_DET
LOW HIGH HIGH MIC_DET
HIGH
HIGH LOW GND
HIGH HIGH HIGH GND
3335
1K
23
8
21
2
7
22
12
17
14
15
9
20
1
GND_S
16
10
19
11
18
27
13
28
3
26
4
25
5
24
6
2332
470n
68R
3322
1K
3306
2329
470n
2305
2319
470n
10K
GND_S
100p
GND_S
3344
470n
3314
2303
100n
1K
2341
1u
100K
3357
GND_C
2135
1K
1K
3328
220n
2333
47K
3359
100p
2340
3339
1K
3325
2308
100p
1K
3315
1K
2330
470n
3317
1K
2349
100n
GND_S
2313
47u
2311
GND_D
GND_C
47u
7302
BC857B
100n
2353
68R
3305
2302
470n
100R
3356
1K
3329
68R
3336
2336
47u
GND_C
3303
2K2
3319
10K
100p
2328
1u
2343
1K
3307
1K
3313
10K
3321
1K
3326
GND_C
470n
2322
2326
470n
3370
100R
4n7
2331
7
8
9
2309
4n7
1234
FE-BT-VK-N
1
10
2
3
4
5
6
20
1
3349
8K2
25
5
24
6
23
8
21
2
7
22
12
17
14
15
9
16
10
19
11
18
27
13
28
3
26
4
3324
1K
+9V4
GND_C
4342
100p
2335
GND_S
BC847B
7301
2339
1n
100p
2128
4341
2K2
3304
3136 330n
6K8
3342
3318
10K
3347
GND_C
GND_D
1n
2314
GND_C
2342
1u
2310
4n7
3368
100R
100R
3369
GND_S
2327
100p
3135
5K6
GND_S
2380
470n
1K
3338
GND_D
6K8
3340
3308
2K2
GND_C
470n
2352
2320
470n
470n
2304
2
Y7
4
Z
3
1K
3334
E_
6
8
11
10
9
16
VEE
7
Y0
13
Y1
14
Y2
15
Y3
12
Y4
1
Y5
5
Y6
2K2
3327
7352
74HC4051D
3343
6K8
1K
3316
3355
680R
47u
1u
2344
GND_C
2338
2312
1K
3333
22n
2337
22n
+5V_MUTE_1
MUTE_C
+5V
2324
4u7 50V
MIC_DET
DI_LOCK
NTC
AMP_ON_LRCS
FREQ_HOP
AMP_ON_S
A1
A0
A2
+5V
MUX_DET
AMP_C
+5V
NTC
+9V4
I2C_DATA
I2C_CLK2
I2C_DATA
I2C_CLK3
LINE_L
LINE_R
LINE_L
LINE_R
DVD_SL
DVD_SR
DVD_C
DVD_SUB
Pscan_DET
S_Video_DET
HP_DET
1234 D11
2128 C8
2135 A6
2302 B8
2303 C8
2304 B8
2305 B8
2308 C8
2309 A6
2310 D6
2311 B3
2312 B3
2313 B3
2314 C4
2318 E8
2319 B2
2320 C2
2321 C2
2322 D2
2324 F10
2325 F8
2326 F8
2327 F8
2328 F8
2329 G8
2330 G8
2331 E6
2332 G7
2333 G6
2335 H6
2336 E3
2337 E3
2338 E3
2339 F3
2340 C8
2341 F2
2342 F2
2343 G2
2344 G2
2349 A14
2352 C8
2353 G8
2380 G8
3135 H7
3136 H6
3303 G8
3304 B8
3305 B8
3306 B8
3307 C8
3308 C8
3311 D6
3312 A3
3313 B3
3314 B3
3315 C3
3316 C3
3317 D3
3318 B1
3319 B2
3320 C1
3321 C2
3322 E8
3324 F10
3325 F10
3326 F9
3327 F8
3328 F8
3329 F8
3333 E6
3334 G3
3335 G3
3336 C8
3337 E3
3338 F3
3339 F3
3340 F1
3342 F3
3343 F1
3344 G2
3347 F2
3349 H6
3355 B12
3356 A13
3357 C12
3359 B11
3368 A14
3369 B14
3370 B14
4341 A1
4342 D1
7301 E9
7302 F10
7304 E4
7330 A4
7352 A13
DVD_SUR
1K
VOL_C
VOL_Sub
VOL_Ls
VOL_Rs
DVD_SUR
GND_D
GND_D
TDA7468
7304
7330
TDA7468
AV circuit 3139 118 35003 sheet 3 dd wk304
rename to 3310
on pt .4 board
rename to 2334
on pt .4 board
2K2
3327
Added at Prod start (rework on pt .3 copper side)

Other manuals for Philips MX3910D

Related product manuals