EasyManua.ls Logo

Philips PET722 - Page 22

Philips PET722
38 pages
Print Icon
To Next Page IconTo Next Page
To Next Page IconTo Next Page
To Previous Page IconTo Previous Page
To Previous Page IconTo Previous Page
Loading...
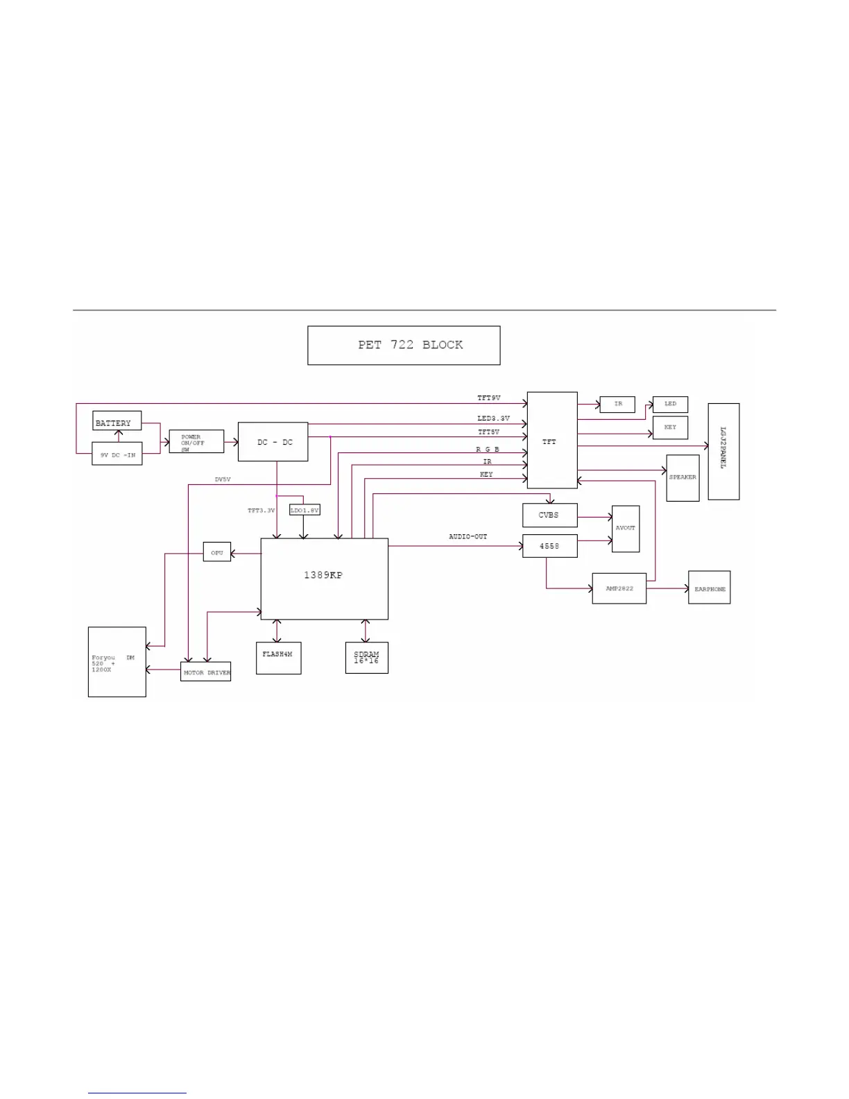
6.0 BLOCK DIAGRAM

Related product manuals