EasyManua.ls Logo

Philips PET726 - Page 22

Philips PET726
38 pages
Print Icon
To Next Page IconTo Next Page
To Next Page IconTo Next Page
To Previous Page IconTo Previous Page
To Previous Page IconTo Previous Page
Loading...
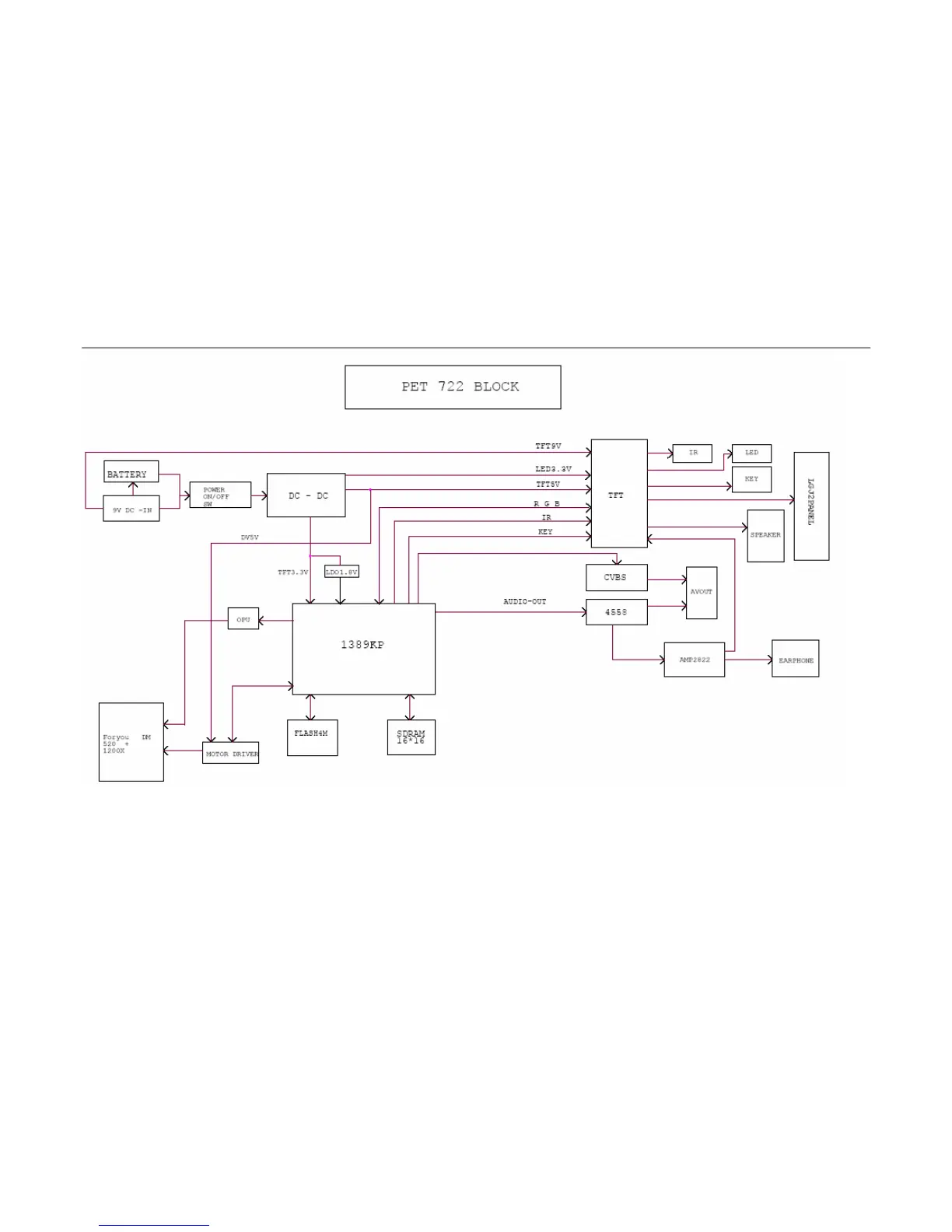
6.0 BLOCK DIAGRAM

Other manuals for Philips PET726

Related product manuals