EasyManua.ls Logo

Phonic mu1202 - Page 20

Phonic mu1202
28 pages
Print Icon
To Next Page IconTo Next Page
To Next Page IconTo Next Page
To Previous Page IconTo Previous Page
To Previous Page IconTo Previous Page
Loading...
20 MU1202 / MU1202X
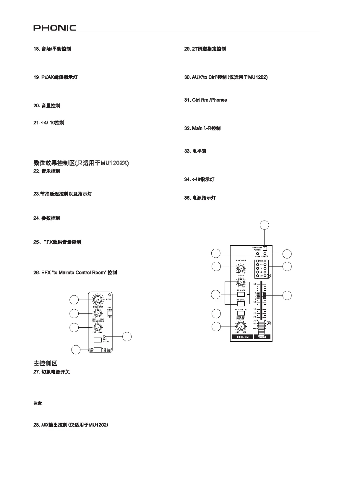
29. 2T倒送指定控制
两个钮可RCA 2T Return入信的输的地to
Main将信Main Mixto Ctrl Rm号输
Control Room混音总线进行监听。
30. AUX“to Ctrl”控制(仅适用于MU1202)
此按钮启用时,AUX出信号(音量AUX输出控制调节)将输
控制室混音总线进行监听。
31. Ctrl Rm /Phones
此控制可调节控制室输出音频的音量,然后传送至Control Room
输出(作为边侧输入或其他用途,用于监听控制)和Phones出(
与耳机控制一起监听信号)。
32. Main L-R控制
60mm可调Main LMain R出的信号
量。
33. 电平表
MU1202MU1202X的4段电平表可对Main L/R出的音频电平
进行精确的显示。为达到最佳的音量控制效果,建议将电平调节
至最上方的PEAK LED指示灯偶尔闪动(或稍低于峰值)。
34. +48指示灯
幻象电源开启时,+48V指示灯将变亮。
35. 电源指示灯
当调音台的电源打开时,此指示灯将变亮。
18. 音场/平衡控制
此旋钮用于调节主混音左右两边接收信号的大小。单声道上,此
控制可调节左右音场的音量(PAN)。立体声道上,调节BAL可对
左右两边的音频信号进行削弱(BALANCE),以达到平衡控制。
19. PEAK峰值指示灯
当讯号接近峰值6dB快要产生削波失真时,LED值指示灯将
闪动。建议调节声道增益以减少峰值指示灯的闪动的次数,以确
保音频具有更大的动态范围。
20. 音量控制
此旋钮可控制从相应声道输入主混音总线的信号的音量。
21. +4/-10控制
位于立体声道的此控制可调节相应声道输入信号的灵敏度,使得
MU1202MU1202X可兼容不同操作电平的外部设置。如果输入
源为-10dBV(消费频)最好启此关,便听取号。
+4dBV模式适用于专业音频信号,音量较消费电平要高。如果您
无法把握输入声源的操作电平,我们建议您关闭此开关。
数位效果控制区(只适用于MU1202X)
22. 音乐控制
此旋钮用于滚动各种数字效果。顺时针旋转可调节至较高的音乐
数值,逆时针旋转可调节至较低的音乐数值。
23.节拍延迟控制以及指示灯
延迟隔。
LED灯将以间隔时间闪亮。
24. 参数控制
此控制可调节已选音乐效果的主参数。更多有关效果参数及其范
围的资讯,请参考数字效果表。
25EFX效果音量控制
使用此可调EFX理器主或室混(取决
"to Main/to Control Room"开关的设置)的最终输出信号的音量
将此开关一直调节至最左端可静音EFX效果信号。
26. EFX “to Main/to Control Room” 控制
Control RoomMain Mix选择EFX信号的输送目的地。
主控制区
27. 幻象电源开关
+48V
源,可连接电容式麦克风。幻象电源开启后,左声道电平表上面
相应的LED指示灯将变亮。开启幻象电源之前,请务必将所有
音量控制调至最小以避免音箱突然产生刺耳的声音。
注意:幻象电源应与平衡式麦克风一起使用。开启幻象电源时,请勿在麦克
风声道上使用非平衡式麦克风和乐器。幻象电源对大部分的动圈式麦克风
不会造成损害,如果不确定麦克风的类型,请查询相关使用手册。
28. AUX输出控制(仅适用于MU1202)
此控制可调节来自AUX控制的AUX混音总线信号的最终音量,
信号将输往AUX Send输出(AUX to Ctrl钮开启时将输往Control
Room/Phones)。
27
29
35
31
33
28
34
32
30
24
22
23
25
26

Related product manuals