EasyManua.ls Logo

Phonocar VM017 - Connections and Wiring; Connector Identification and Diagram

Phonocar VM017
20 pages
Print Icon
To Next Page IconTo Next Page
To Next Page IconTo Next Page
To Previous Page IconTo Previous Page
To Previous Page IconTo Previous Page
Loading...
IT / EN / FR / DE / ES / PT
VM017
6
B
B
A
A
1
2
3
4
5
6
5
4
7
8
7
8
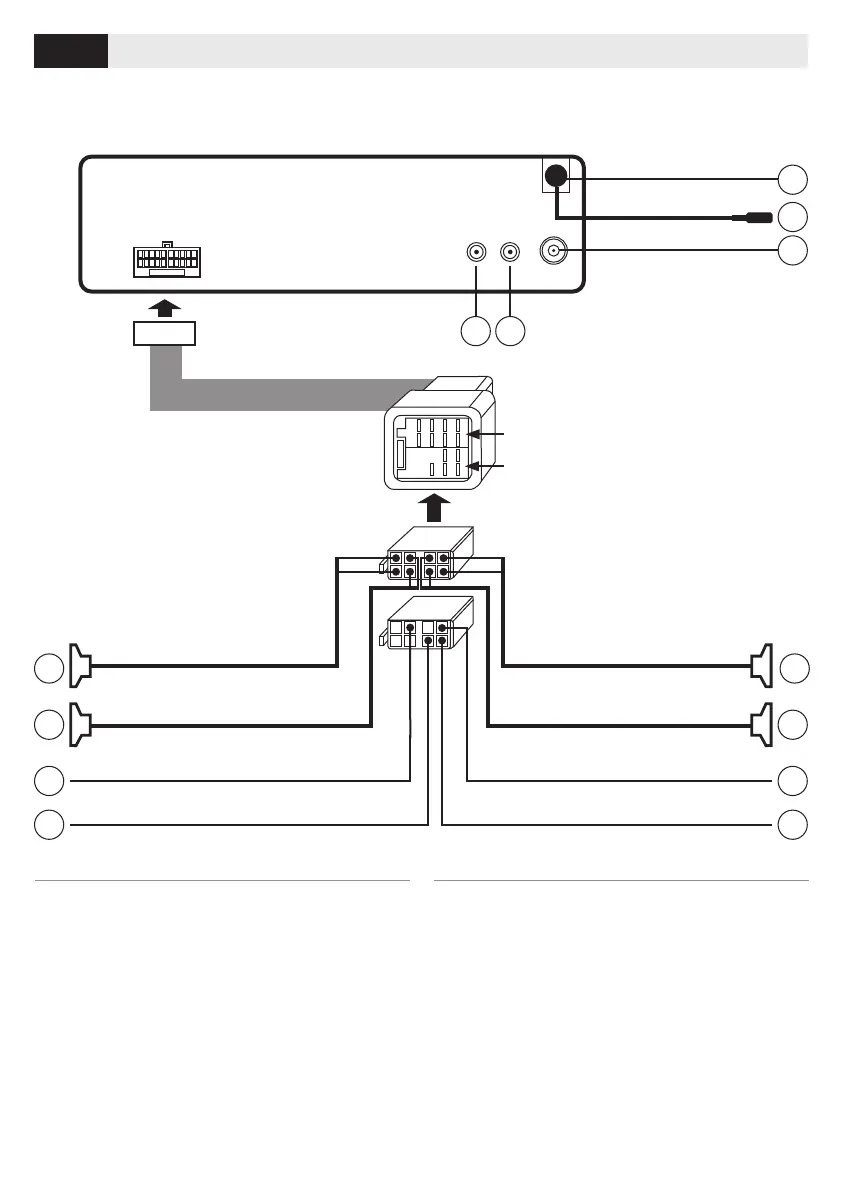
IT CONNESSIONI / EN CONNECTIONS / FR CONNEXIONS / DE VERBINDUNGEN / ES CONEXIONES / PT LIGAÇÕES
1
2
3
45
6
7
8
9 10
11
12
13
IT EN
(1) COMANDI AL VOLANTE
(2) MICROFONO
(3) ANTENNA
(4) USCITA AUDIO - ROSSO DX
(5) USCITA AUDIO - BIANCO SX
(6) GRIGIO AP ANTERIORE DX
(7) VIOLA AP POSTERIORE DX
(8) +12V GIALLO PERMANENTE
(9) + BLU REMOTE
(10) +12V ROSSO SOTTOCHIAVE
(11) - NERO MASSA
(12) VERDE AP POSTERIORE SX
(13) BIANCO AP ANTERIORE SX
(1) STEERING WHEEL COMMANDS
(2) MICROPHONE
(3) ANTENNA
(4) AUDIO OUTPUT - RED DX
(5) AUDIO OUTPUT - WHITE SX
(6) GREY SPEAKERS FRONT DX
(7) VIOLET SPEAKERS REAR DX
(8) +12V YELLOW MEMORY BACK-UP
(9) + BLUE REMOTE
(10) +12V RED IGNITION SWITCH
(11) - BLACK GROUND
(12) GREEN SPEAKERS REAR SX
(13) WHITE SPEAKERS FRONT SX

Related product manuals