EasyManua.ls Logo

Pneumatech AD Series - Page 15

Pneumatech AD Series
24 pages
Print Icon
To Next Page IconTo Next Page
To Next Page IconTo Next Page
To Previous Page IconTo Previous Page
To Previous Page IconTo Previous Page
Loading...
14
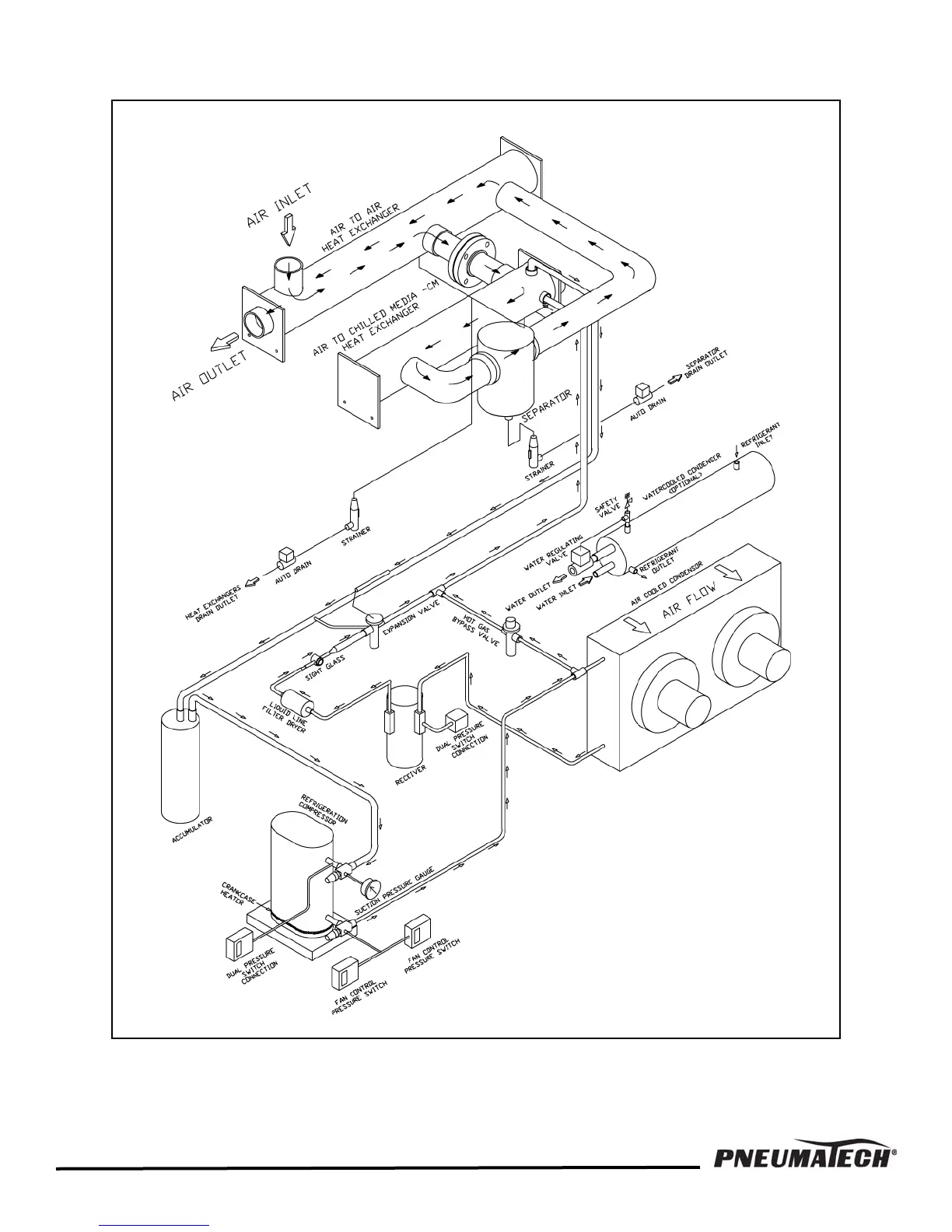
FIGURE 6 — FLOW DIAGRAM AD-750 to 1000

Related product manuals