EasyManua.ls Logo

Polaris RANGER XP 1000 2018 - HVAC Breakout Diagram

Polaris RANGER XP 1000 2018
565 pages
To Next Page IconTo Next Page
To Next Page IconTo Next Page
To Previous Page IconTo Previous Page
To Previous Page IconTo Previous Page
Loading...
3
9928487 R01 - 2018 RANGER XP 1000 Service Manual
© Copyright Polaris Industries Inc.
3.127
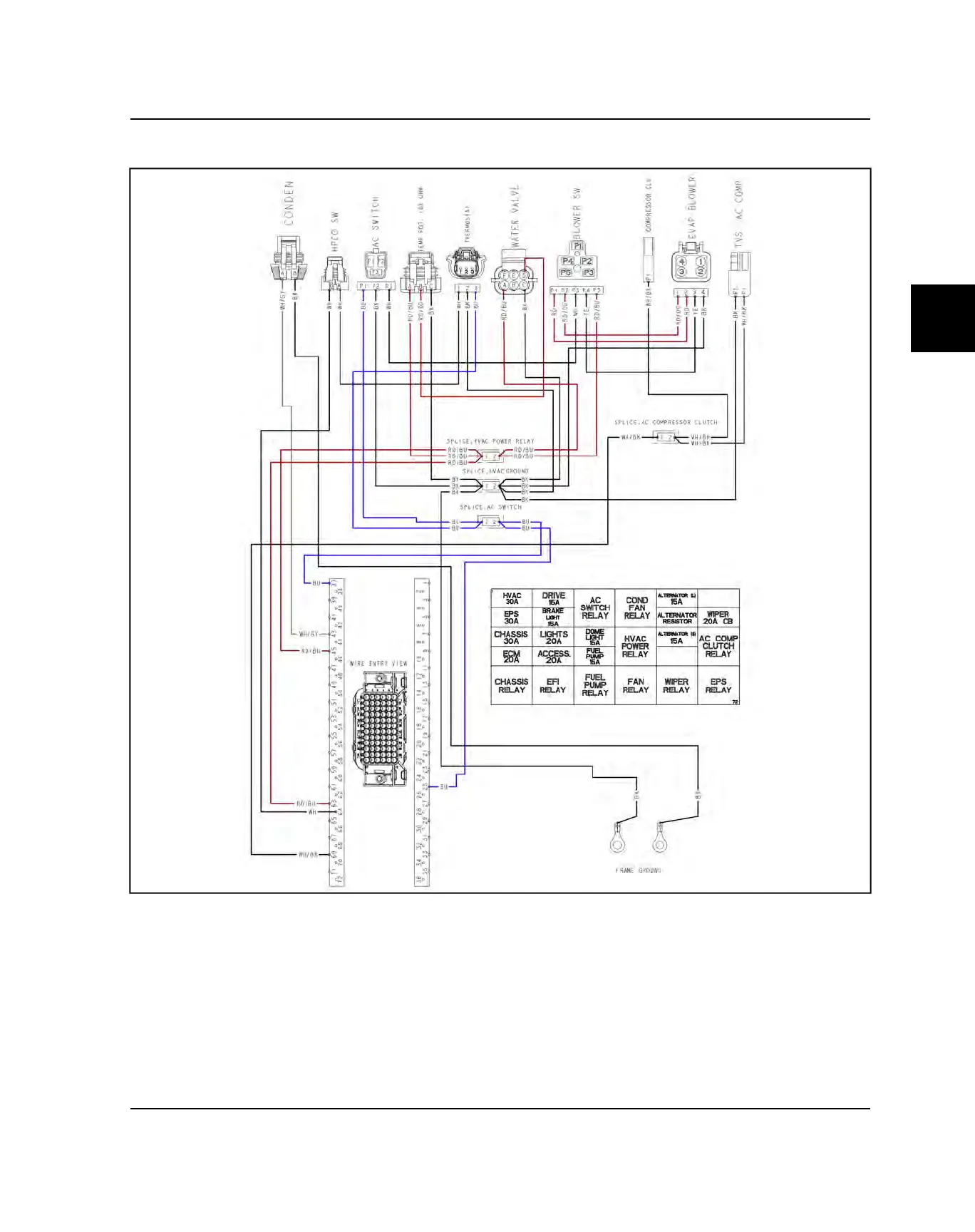
HVAC BREAKOUT DIAGRAM
ENGINE / COOLING / EXHAUST

Table of Contents

Related product manuals