EasyManua.ls Logo

Power Dynamics PDA-C804A - Page 2

Power Dynamics PDA-C804A
14 pages
Print Icon
To Next Page IconTo Next Page
To Next Page IconTo Next Page
To Previous Page IconTo Previous Page
To Previous Page IconTo Previous Page
Loading...
ENGLISH
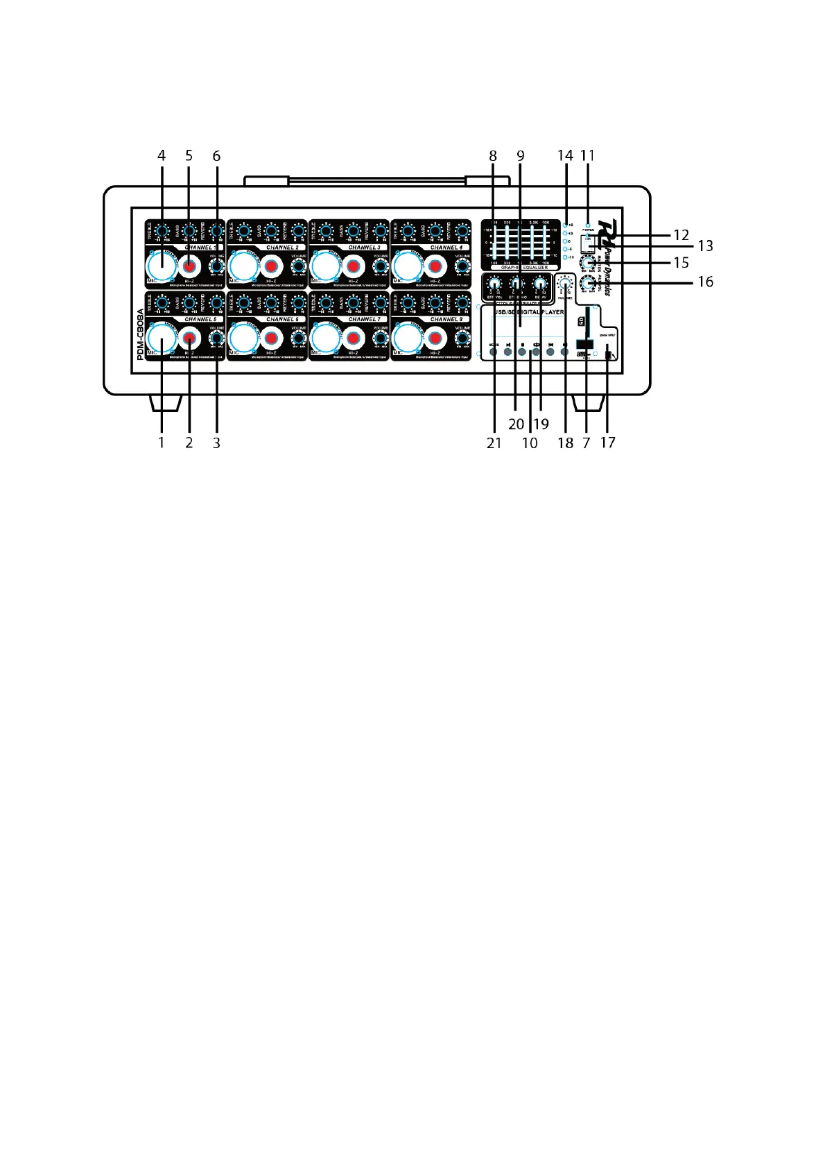
A.FRONTPANELSECTIONFEATURES
1.BALANCEDMicINPUT
ElectronicBalancedinputsaccep tableastandardXLRmaleconnector.Itisdesignedtoaccepta
balancedlowimpedanceinputsignal,Phantompower(15volts)forcondensermicrophonesis
alwaysonandavailable.Ithasaninputimpedanceof1Kohm.Theconnectoriswiredas:Pin=shield;
Pin3=negative(cold).
2.BALANCEINPUT(LINE)
ElectronicBalancedinputsacceptsastandard¼”jacksconnector.Itisdesignedtoacceptabalanced
highimpedanceinputsignal.
3.VOLUME
Thisisfunctiontoadjustthevolumeofasignalconnectionintoeachchannelandadjustthevolume
ofoutput,together
withthemasterfader.
4.TREBLE
Thiscontrolgivesyouupto15dbofboostorcutat10kHzandabove,anditisalsoflatatthedetent.
Useittoaddsizzletocymbals,andanoverallsenseoftransparencyoredgetokeyboards,vocals,
guitar,
andbaconfrying.Turnitdownalittletoreducesibilance,ortohidetapehiss.
5.LOW
Thiscontrolgivesyouupto15dBboostorcutat100Hzandbelow.Thiscircuitisflat(noboostor
cut)atthecenterdetentposition.Thisfrequencyrepresentsthe
punchinbassdrums,bassguitar,fat
synthpatches,andsomereallyseriousmalesingers.
6.EFF
Thisisasendcontroltothereverbbus.Itcontrolstheamountofreverberationaddedtotheinput
signals.

Related product manuals