EasyManua.ls Logo

Pramac PW240 - Assembly Instructions

Pramac PW240
18 pages
Print Icon
To Next Page IconTo Next Page
To Next Page IconTo Next Page
To Previous Page IconTo Previous Page
To Previous Page IconTo Previous Page
Loading...
16
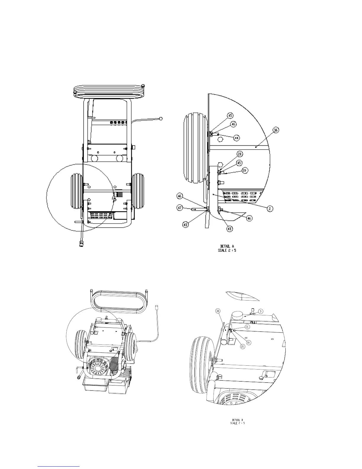
Section 5
Assembly

Related product manuals