EasyManua.ls Logo

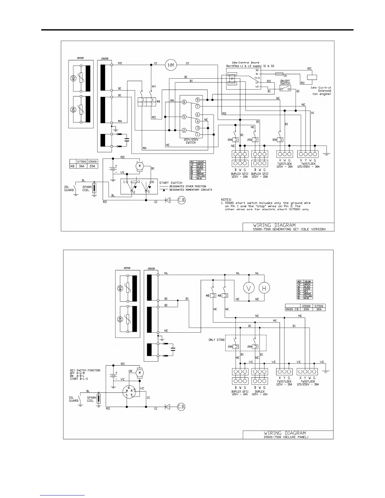
Pramac S3100 - S5000-7500 Idle Version Wiring Diagram; S5000-7500 Deluxe Panel Wiring Diagram

Pramac S3100
66 pages
Print Icon
To Next Page IconTo Next Page
To Next Page IconTo Next Page
To Previous Page IconTo Previous Page
To Previous Page IconTo Previous Page
Loading...
Schematics
35

Table of Contents

Related product manuals