EasyManua.ls Logo

Pramac S7500 - Page 35

Pramac S7500
66 pages
Print Icon
To Next Page IconTo Next Page
To Next Page IconTo Next Page
To Previous Page IconTo Previous Page
To Previous Page IconTo Previous Page
Loading...
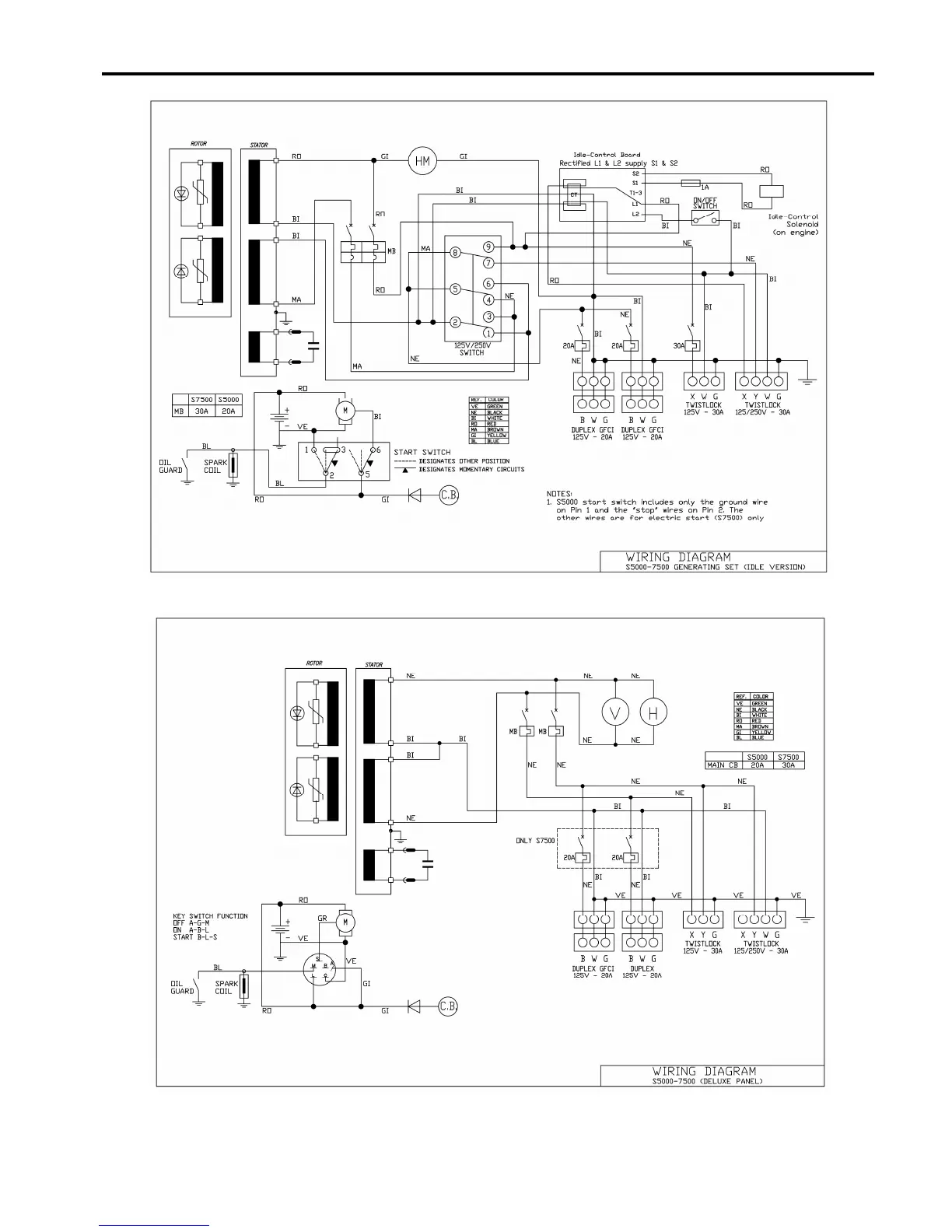
Schematics
35

Table of Contents

Related product manuals