EasyManua.ls Logo

Precision Planting RowFlow 20/20 - Page 12

Default Icon
26 pages
Print Icon
To Next Page IconTo Next Page
To Next Page IconTo Next Page
To Previous Page IconTo Previous Page
To Previous Page IconTo Previous Page
Loading...
955205_01 11/11 12
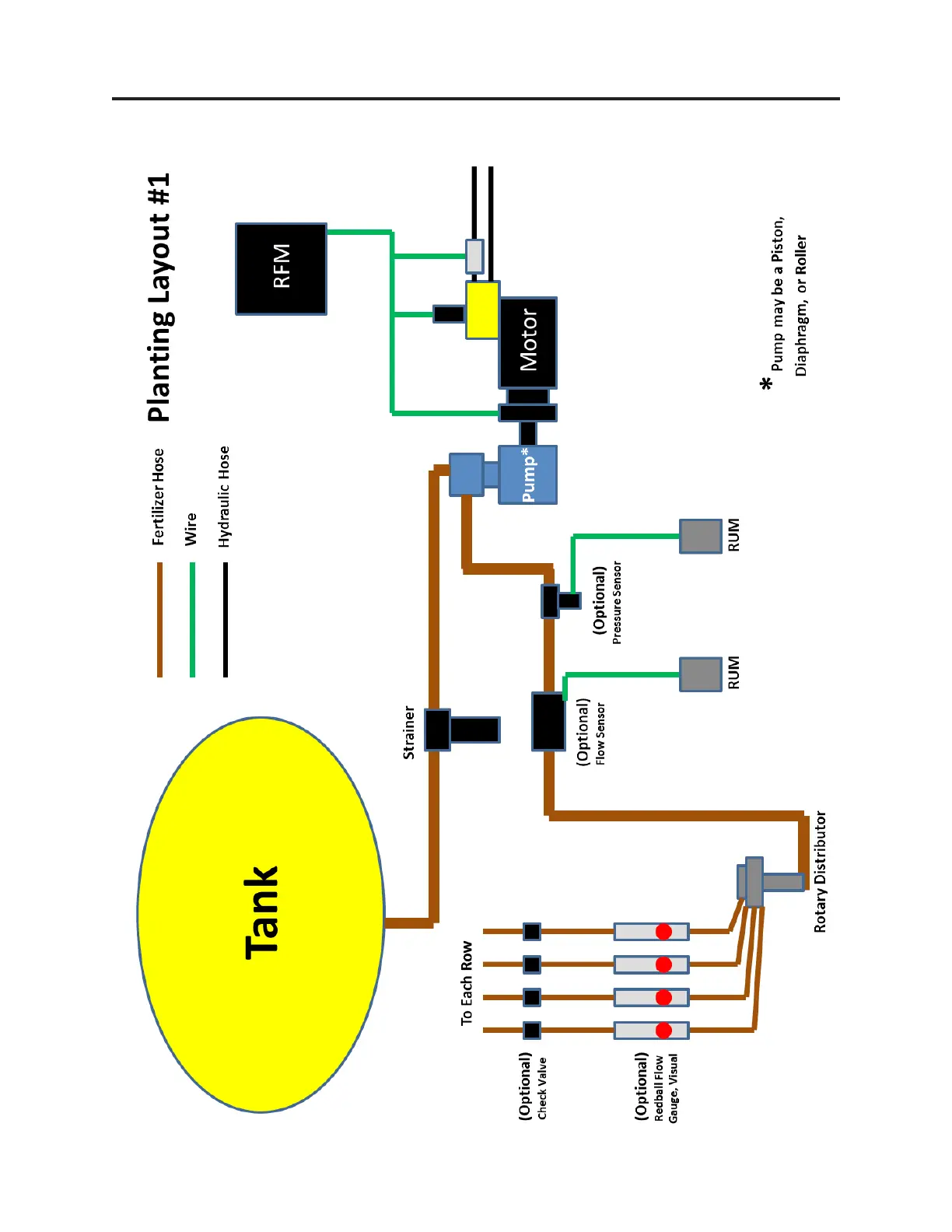
Full System Layouts (Planter)

Related product manuals