EasyManua.ls Logo

Primare CDI 10 - Page 9

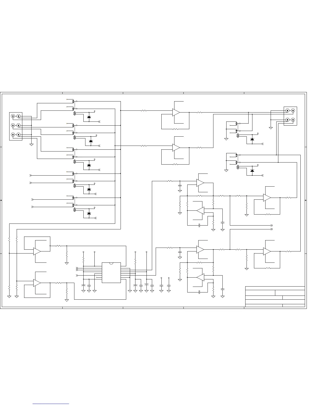
Primare CDI 10
23 pages
Print Icon
To Next Page IconTo Next Page
To Next Page IconTo Next Page
To Previous Page IconTo Previous Page
To Previous Page IconTo Previous Page
Loading...
5
5
4
4
3
3
2
2
1
1
D D
C C
B B
A A
页次:日期:
硬件版本:
文件名称:
主机型号:
5/7
审核:拟制:
2005-08
文件编号:
CDI10
主板原理图
CD_L-IN
CD_R-IN
AUX1_L-IN
AUX4_R-IN
AUX3_R-IN
AUX1_R-IN
AUX4_L-IN
AUX2_L-IN
AUX3_L-IN
AUDIO_L-IN
AUDIO_R-IN
A-12V
A+12V
A+12V
A-12V
A-12V
A+12V
A+12V
A-1 2V
A-12V
A-12V
AUX2_R-IN
REC_R-OUT
PRE_R-OUT
PRE_L-OUT
A-1 2V
A-12V
A+12V
A-12V
A+12V
A+12V
A+12V
A+12V
A-12V
A+12V
REC_L-OUT
CD_SEL
AUX4_SEL
AUX3_SEL
AUX2_SEL
AUX1_SEL
CD_R-IN
CD_L-IN
AUX4_R-IN
AUX4_L-IN
VOL_CLK
VOL_DATA
VOL_CS
REC_MUTE
PRE_MUTE
VOL_L-OUT
VOL_R-OUT
D12V
D12V
D12V
D12V
D12V
AVCC A-5VAVCC
D12V
D12V
VD5V
VD5V VD5V
1R74 10
1U10 PGA2311
1
2
3
4
5
6
7
8 9
10
11
12
13
14
15
16
ZCEN
/CS
SDI
VD+
DGND
SCLK
SDO
/MUTE VINR
AGND
VOUTR
VA+
VA-
VOUTL
AGND
VINL
+
-
1U11A
OPA2 134
3
2
1
84
1R58
47K
1R80 0
1R78 1K
1R62
47K
1R68
1M
1C71
104
1R52
0
1R84
47K
1C75
104
1R66
1K
+
-
1U12A
OPA2134
3
2
1
84
+
1C74
100uF
1R45
1K
1R76
1M
1R70
10K
+
-
1U13A
OPA2134
3
2
1
84
1R65
1K
1R71 1K
1R72 1K
1C77
105
1KJ2 P-12
3
2
4
6
7
5
1
8
1R55
24K9
1D2
1N4148
1R75
1M
1C78 105
1KJ4 P-12
3
2
4
6
7
5
1
8
1C83
101
1R59
24K9
1R69
1M
1C85 105
1R60
24K9
1R85 0
1KJ5 P-12
3
2
4
6
7
5
1
8
1R56
24K9
1D5
1N4148
1KJ8 P-12
3
2
4
6
7
5
1
8
+
-
1U12B
OPA2134
5
6
7
84
+
-
1U13B
OPA2134
5
6
7
84
1R82 100
1R47 0
1KJ7 P-12
3
2
4
6
7
5
1
8
1C69
104
+
1C68
100uF
1R49
100
+
-
1U9B
OPA2134
5
6
7
8 4
+
-
1U9A
OPA2134
3
2
1
84
1D4
1N4148
1R54 100
+
-
1U8B
OPA2 134
5
6
7
84
1D8
1N4148
1KJ1 P-12
3
2
4
6
7
5
1
8
1D1
1N4148
1R50 1K
1L4
4.7uH
1R57 10
1L3
4.7uH
1JP1 HPJ-246
1
2
3
4
5
6
7
8
9
1C84
105
1JP2 HPJ-244
1
2
3
4
5
6
1R83 1K
+
-
1U8A
OPA2134
3
2
1
84
1R67
10
1R77
10K
1R73
1K
1R61 10
+
-
1U11B
OPA2 134
5
6
7
84
1C73
104
+
1C72
100uF
1D7
1N4148
1R63
1K
1C70
104
1R79
47K
1R87 100
1KJ3 P-12
3
2
4
6
7
5
1
8
1C76
101
1D3
1N4148