EasyManua.ls Logo

Pro-face GP4104G1D - Page 20

Pro-face GP4104G1D
241 pages
Print Icon
To Next Page IconTo Next Page
To Next Page IconTo Next Page
To Previous Page IconTo Previous Page
To Previous Page IconTo Previous Page
Loading...
Connectivity
20
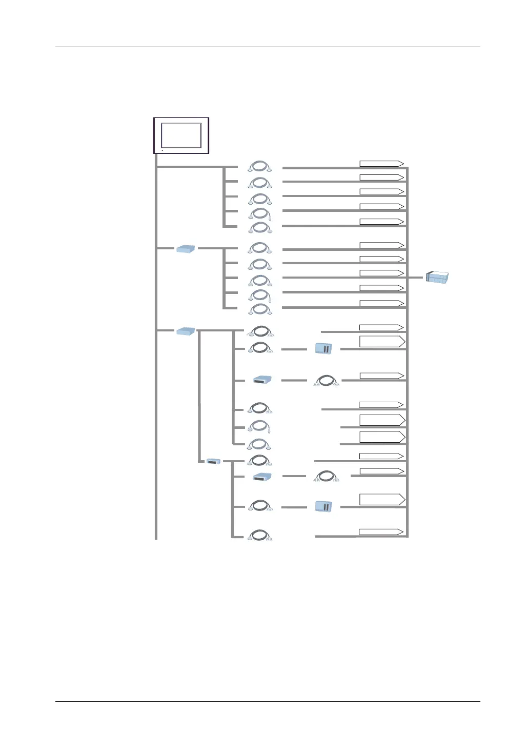
RUN Mode Peripherals - COM1: RS-232C or RS-422/RS-485
NOTE: For instructions on how to connect to other devices, always refer to the “GP-
Pro EX Device/PLC Connection Manual”.
GP unit
Host Controller
PLC etc.
Serial Interface (COM1:RS-232C mode)
Serial Interface (COM1:RS-232C mode)
Serial Interface (COM1:RS-422 mode)
RS-232C Cable
CA3-CBL232/5M-01
Mitsubishi PLC Q-Series Link Cable
CA3-CBLLNKMQ-01
Omron PLC SYSMAC Link Cable
CA3-CBLSYS-01
Mitsubishi PLC Q-Series Connection Cable
CA3-CBLQ-01
Siemens TTY Converter Cable
CA6-CBLTTY/5M-01
RS-232C Port
RS-232C Port
RS-232C Port
RS-232C Port
PG Port
RS-232C Cable
CA3-CBL232/5M-01
Mitsubishi PLC Q-Series Link Cable
CA3-CBLLNKMQ-01
Omron PLC SYSMAC Link Cable
CA3-CBLSYS-01
Mitsubishi PLC Q-Series Connection Cable
CA3-CBLQ-01
Siemens TTY Converter Cable
CA6-CBLTTY/5M-01
RS-232C Port
RS-232C Port
RS-232C Port
RS-232C Port
PG Port
RS-422 Port
RS-422 Port
RS-232C
Isolation Unit
CA3-ISO232-01
*1
Switch setting:RS-232C
RS-232C
Isolation Unit
CA3-ISO232-01
*1,2,3
Switch setting:
RS-422
RS-422 Cable
CA3-CBL422-01
COM Port
Conversion
Adapter
CA3-ADPCOM-01
RS-422 Cable
(Prepared by user)
Terminal Block
Conversion Adapter
CA3-ADPTRM-01
continued to the next page
RS-422 Port
Mitsubishi PLC A, QnA,
FX Series' 2 Port Adapter II
GP070-MD11
2 Port
Adapter Cable
PFXZCBCBMD1
Programming
Console Port
Mitsubishi PLC A, QnA,
FX Series' 2 Port Adapter II
GP070-MD11
2 Port
Adapter Cable
CA3-MDCB11
Programming
Console Port
RS-422 Cable
CA3-CBL422/5M-01
RS-422 Terminal Block
Conversion Adapter
PFXZCBADTM1
RS-422 Port
RS-422 Cable
(Prepared by user)
RS-422 Port
Multi-Link Cable
PFXZCBCBML1
RS-422 Port
Multi-Link Cable
CA3-CBLMLT-01
Mitsubishi PLC
A-Series Connection Cable
CA3-CBLA-01
Mitsubishi PLC
FX-Series Connection Cable
CA3-CBLFX/1M-01
CA3-CBLFX/5M-01
Programming
Console Port
Programming
Console Port

Table of Contents

Related product manuals