EasyManua.ls Logo

Pronomic CDJ-500 - Page 6

Pronomic CDJ-500
15 pages
Print Icon
To Next Page IconTo Next Page
To Next Page IconTo Next Page
To Previous Page IconTo Previous Page
To Previous Page IconTo Previous Page
Loading...
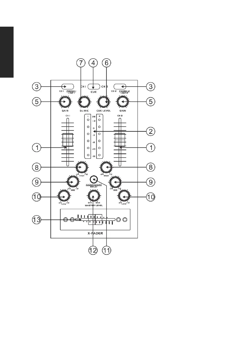
MISCHPULTFUNKTIONEN
1. EINGANGSFADER
Regelt die einzelnen Eingangspegel von Kanal 1 & 2 im Mix
2. LED Vumeter
Zeigt den Master Ausgangspegel an.
3. EINGANGSWAHLSCHALTER
Wählt die Eingangsquelle, die in dem Kanal aktiv ist, je nachdem was Sie auf der Rückseite
angeschlossen haben. In den CD1-2 Stellungen sind die internen CD Spieler aktiv.
D
E
U
T
S
C
H

Related product manuals