EasyManua.ls Logo

PROUSER DIAMANT SG2 - Page 78

PROUSER DIAMANT SG2
Print Icon
To Next Page IconTo Next Page
To Next Page IconTo Next Page
To Previous Page IconTo Previous Page
To Previous Page IconTo Previous Page
Loading...
78
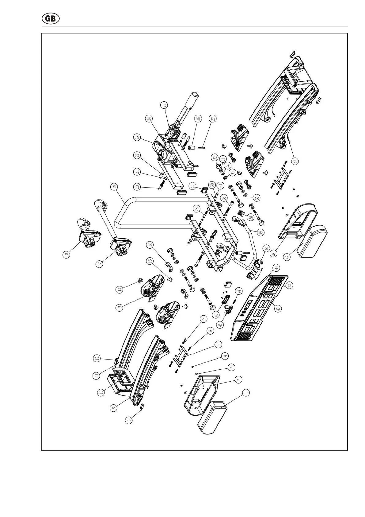
Appendix Spare parts overview - Exploded drawing

Other manuals for PROUSER DIAMANT SG2

Related product manuals