EasyManua.ls Logo

Proview P6NS Series - G. BLOCK DIAGRAM

Proview P6NS Series
46 pages
Print Icon
To Next Page IconTo Next Page
To Next Page IconTo Next Page
To Previous Page IconTo Previous Page
To Previous Page IconTo Previous Page
Loading...
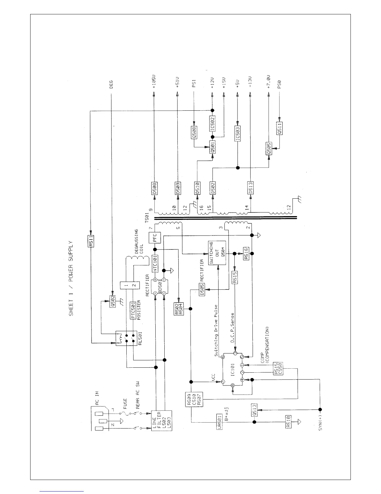
G. BLOCK DIAGRAM
16
16

Related product manuals