EasyManua.ls Logo

Pubert LIMBA 6 - Page 11

Default Icon
Print Icon
To Next Page IconTo Next Page
To Next Page IconTo Next Page
To Previous Page IconTo Previous Page
To Previous Page IconTo Previous Page
Loading...
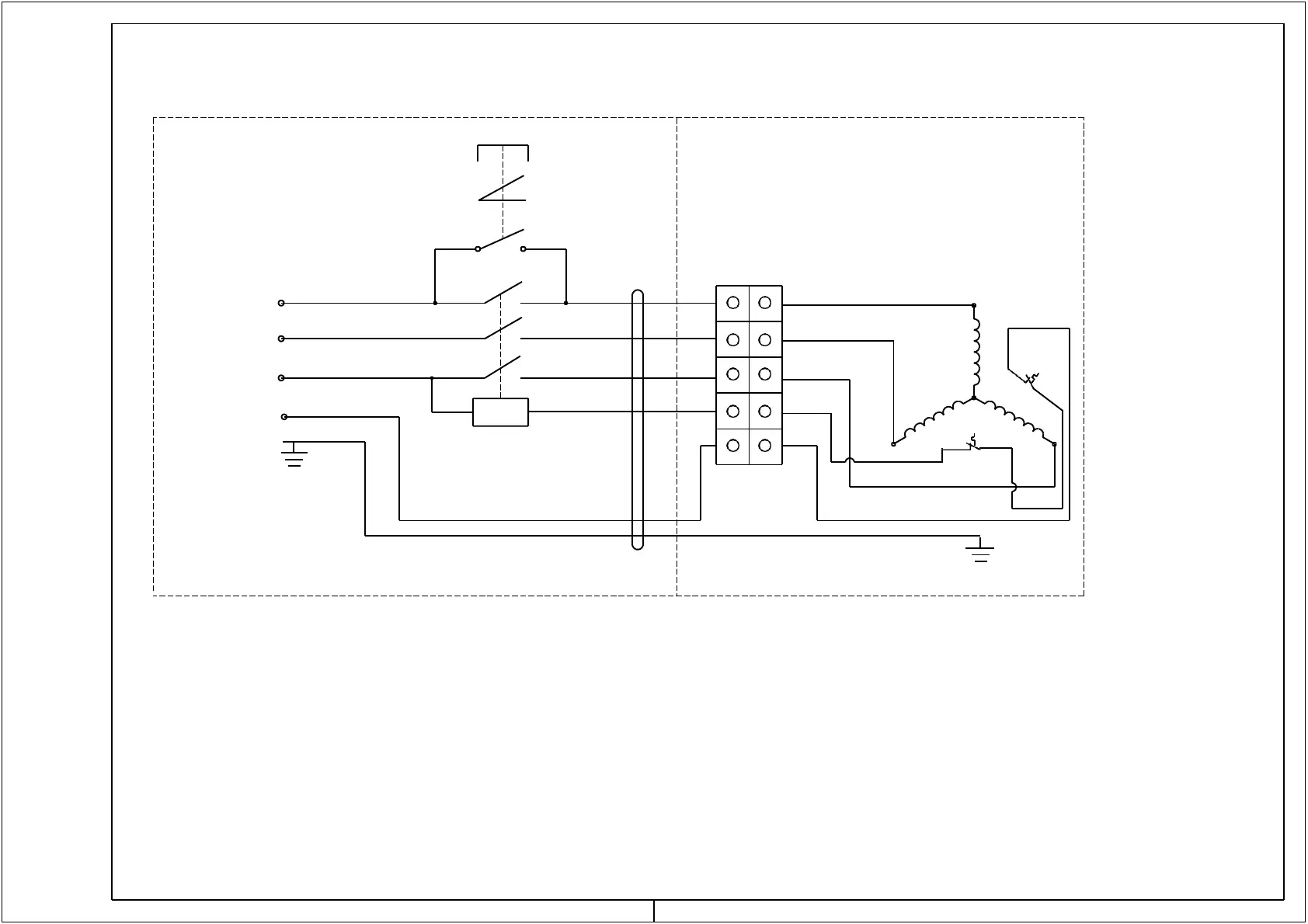
Schéma de
câblage électrique.
L1
400 V 50 Hz L2
L3
N
0
1
Partie interrupteur Partie moteur
Câblage
230 V50 Hz
JAUNE-VERT
Marron
Brun
Noir
Noir
Gris
Gris
Bleu
Bleu
Bleu
Bleu