EasyManua.ls Logo

Pump House PH-20-STA - Page 2

Default Icon
4 pages
Print Icon
To Next Page IconTo Next Page
To Next Page IconTo Next Page
To Previous Page IconTo Previous Page
To Previous Page IconTo Previous Page
Loading...
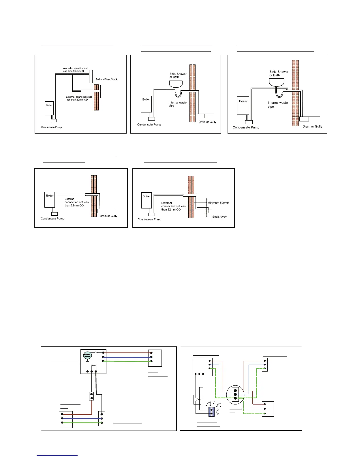
Connection to Soil and Vent stack Connection to internal waste pipe
upstream of sink, shower or bath
Connection to internal waste pipe
Connection to external drain, gully
down stream of sink, shower or bath
or rain water hopper
Connection to external Soak Away
4. ELECTRICAL CONNECTIONS
4.1 Shut off electrical power at fuse box before making any connections. All wiring must comply with local codes.
4.2 Line voltage: Connect the pump to voltage specified on label located on the pump:
Live (Line) - Brown
Neutral - Blue
Earth - Yellow/Green
4.3 If fused plug is used, a 3 Amp fuse is recommended.
4.4 Connection of the high level safety switch / potential free contact to either the boiler 240v circuit or an audible alarm.
The pump is fitted with a 240v micro switch which will activate if the pump starts to overfill in the event of outlet pipe
blockage or pump failure. The following wiring diagrams show how the switch can be connected into a boiler circuit
or a seperate audible alarm.
Boiler connection to the high level safety switch Audible alarm connection to the high level safety switch
N
L
E
Fused
Spur/Socket
L
N
E
NO
COM
NC
1
2
3
Boiler Condensate
Pump Connections
Permanent Live
N
E
Boiler Connection
(If less than 3A)
BR
BL
G/Y
Bk
Bk
BR
BL
G/Y
Boiler Fused
Spur
High level float
connection
N
L
E
L
N
L
L
N N
E
EE
NO NC COM
3
2
1
3
2
1
1
22
1
33
Condensate Pump
Boiler Connector
Fused Spur/Socket
BR
BL
G/Y
Bk Bk
Junction
Box
Audible Alarm
Or Visual Alarm
L
N
L
N
E
E
NO NC COM
3
2
1