EasyManua.ls Logo

Qilive Q.6830 - Page 10

Qilive Q.6830
132 pages
Print Icon
To Next Page IconTo Next Page
To Next Page IconTo Next Page
To Previous Page IconTo Previous Page
To Previous Page IconTo Previous Page
Loading...
10
EN






󰀨
              

       󰀨      









          
󰀨












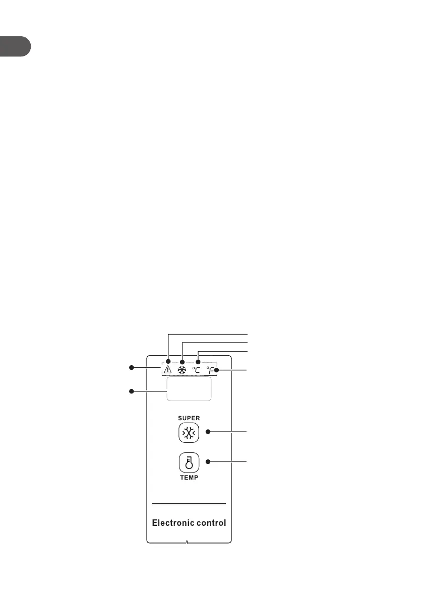
3.2. TEMPERATURE CONTROL










Related product manuals