EasyManua.ls Logo

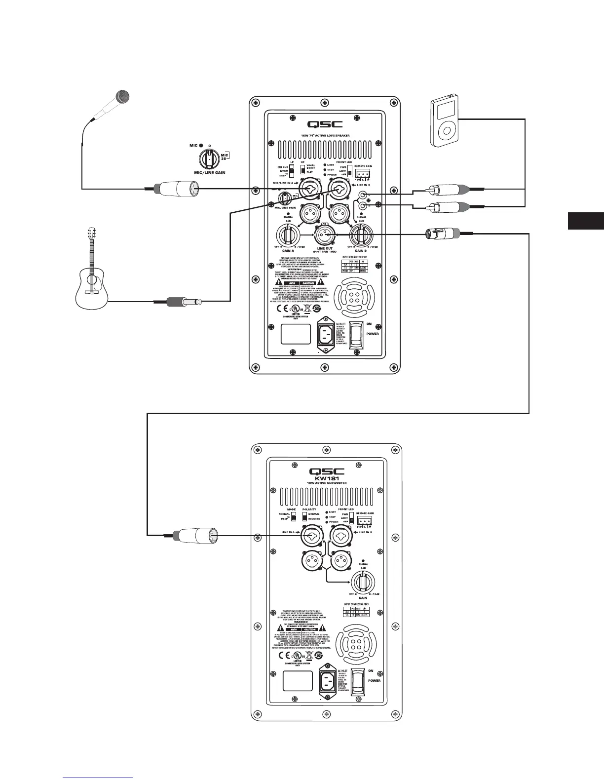
QSC KW181 - System Configuration Examples; Mono Standalone System Setup

QSC KW181
28 pages
To Next Page IconTo Next Page
To Next Page IconTo Next Page
To Previous Page IconTo Previous Page
To Previous Page IconTo Previous Page
Loading...
23
EN
12
24
12
24
Common Standalone Small System (Mono)

Related product manuals