EasyManua.ls Logo

Quadro HT-500 - Page 2

Quadro HT-500
12 pages
Print Icon
To Next Page IconTo Next Page
To Next Page IconTo Next Page
To Previous Page IconTo Previous Page
To Previous Page IconTo Previous Page
Loading...
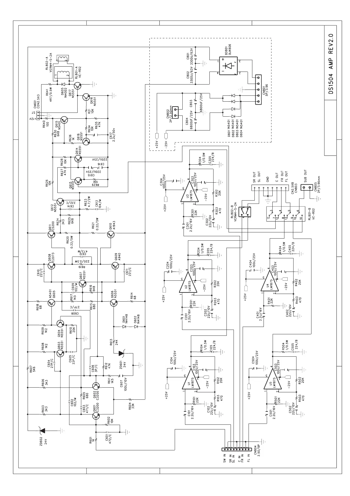
DS80AMP1.sch-1 - Wed Dec 17 10:53:52 2003
PDF created with FinePrint pdfFactory trial v
QUADRO HT-500/501