EasyManua.ls Logo

Ramsey Electronics COM 3 - Page 32

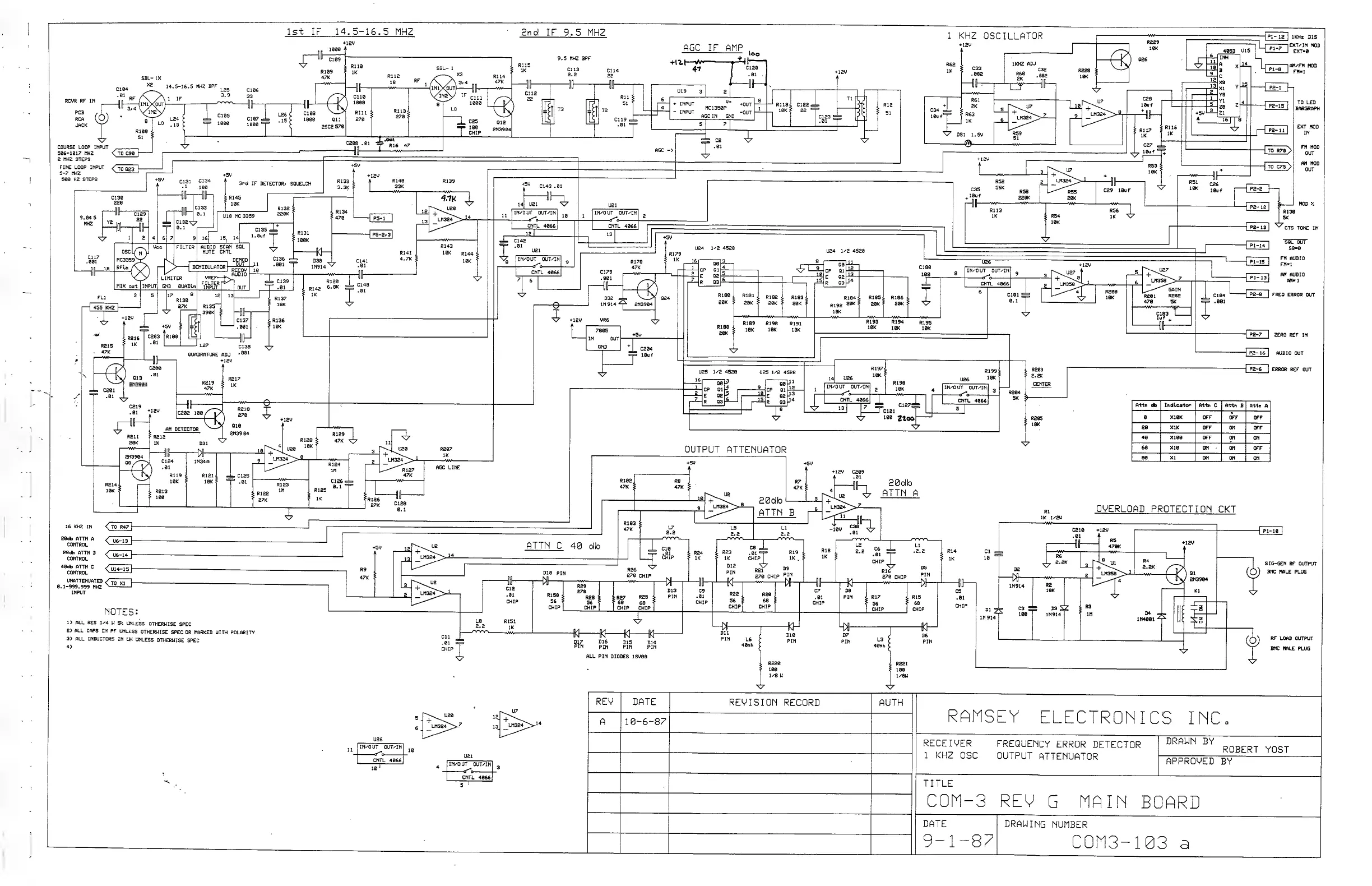
Ramsey Electronics COM 3
37 pages
Print Icon
To Next Page IconTo Next Page
To Next Page IconTo Next Page
To Previous Page IconTo Previous Page
To Previous Page IconTo Previous Page
Loading...
L
.
|
15ቲ
IF
14.5-16.5
MHZ
|
/
20១
IF
9.5
MHZ
.
1
KHZ
OSCILLATOR
[12]
wes
nis
R229
|
-
lav
(75
mon
|
i
+1ዊህ
AGC
IF
AMP
z
*
|
10K
,
“88
us
P177
|
Extra
TT
loo
9.5
MHZ
BPF
t
4
026
.
ri
4L
AM/FM
MOD
AKHZ
ADJ
OD
C113
68
2
8228
83-8
|
fMel
REA
682
18ረ
|
>
;
TO
LED
፳ርህ፳
፳፻
IN
+007
7
|
፳15
P2-15
|
|
BARGRAPH
-0UT
51
=
PCB
ND
ps
EXT
MOD
!
JACK
Pert
IN
i
|
COURSE
LOOP
INPUT
i
o
506-1817
MHZ
|
-“ኀ
2
MHZ
STEPS
|
i
*
:
FINE
LOOP
INPUT
<Too23
|
E
S
ITE
di
-—
|
500
HZ
STEPS
+8ህ
R148
R139
;
casi
6334
33K
457.
6143
.ខ2
1%
dest
|
am
L
m
A
14
២81
vai
:
12
IN/OUT
5077
[in-out
OUTAN
m
11
19
1
2
|
s
CNTL_
4066
CNTL
4066
1g
13
ሮ145
TY
SaL 007
-L
5000
AUDIO
SCAN
SQL
R143
MAT
484
142
4520
084
1/2
4588
;
MUTE
CNTL
8141
186
፳144
R179
በ1806
Clas
4.7%
ខ្ញុំ
jaw
Z,
[IN/OUT
CUTAN]
g
divo
1K
46)
i
026
ពស
'
Tel
s%
47K
N
󰌂
E
CNTL_4866
ር179
mE
108
8
|
ጥሀ"
POUTAN
y
AUDIO
MITER
15
.
|
oP
|
^y»
CNTL
4866
»
i
:
GA
|
GND
QUADin|
K)
5
derde
g
Gage
Red
FRED
ERROR
OUT
17
8
Y
me
L—
MY
ce
61644
61854
R186
ad
|
e
14914
£>
83994
፳198
59󰌂ኛ.
207
20k
22
7
Rs
+1፳ህ
VRE
>
፳198
8193
RI94
R195
:
19:
10K 18K 18K
:
:
ይይ-2
|
ZERO
REF
IN
n
0883
|169
.61
AUDIO
OUT
ERROR
REF
OUT
QUADRATURE
ADJ
+120
u25
172
4520
ues
142
4528
913
2N3994
Rees
SK
4
|
EN@OUT
,
071៤
E
CNTL
4066
1
+5ሃ
45V
|
sev
caes
'
Pot
.81
i
|
R182
88
RZ
|
2000
:
47K
47K
47K
u2
el
tue
L
ATTN
A
|
`
a
i
«4
OVERLOAD
PROTECTION
CKT
1K
1724
prem
R103
i3
16
KHZ
IN
|
47K
2006
ATTN
A
<.
069}
CONTROL
——
490
ue
i
ATTN
40
db
R14
ci
61
2006
ATTN
B
CONTRUD
A
|
CHIP
ኤህ
i9
SIG-GEN
RF
OUTPUT
`
48៨៦
ATTN
(Cura-is
]
——
R9
rRe
Y
R16
BNC
MALE
PLUG
i
|
CONTROL
Quies
x
T
DIS
PIN
278
CHIP
278
CHIP
T"
Ra
UNATTENUATED
va
-
d
១.
1-999,
999
MHZ
5
ር18
cs
i
INPUT
A
.81
.e
|
CHIP
CHIP
T
`
|
NOTES:
|
a
󰌂
Le
8151
1)
ALL
RES
174
5%
UNLESS
OTHERWISE
SPEC
2.2
1K
-
2)
ALL
CAPS
IN
PF
UNLESS
OTHERWISE
SPEC
OR
MARKED
WITH
POLARITY
Cii
RF
LORD
OUTPUT
3)
ALL
INDUCTORS
IN
UH
UNLESS
OTHERWISE
SPEC
281
BNC
MALE
PLUG
*
ፍማ
ዩ፲ዝ
PIN
PIN
PIN
ALL
PIN
DIODES
15088
2
8226
6221
E
168
168
'
T
178
1/84
NY
7
REY
DATE
REVISION
RECORD
AUTH
00.
dd
J———
12
i
|
w
og
2
2
14
1@-6-87
3
>
i
.
6
i3
L
RECEIVER
FREQUENCY
ERROR
DETECTOR
|
DRAWN
BY
:
ROBERT
YOST
idi
1
KHZ
OSC
OUTPUT
ATTENUATOR
APPROVED
BY
l
TITLE
GON=S
REY
G
BI
BOARD
BRAWING
NUMBER
COM
18:
a

Related product manuals