EasyManua.ls Logo

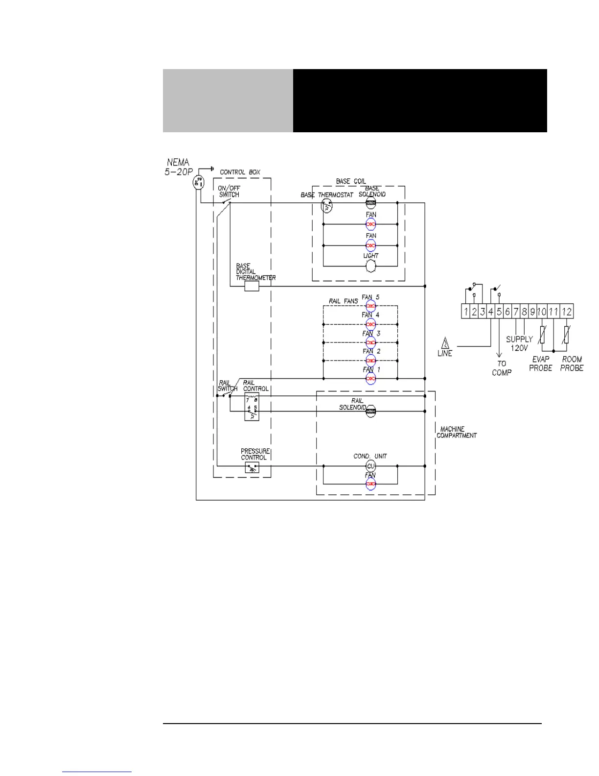
Randell PH120E2 - Electrical Diagram

Randell PH120E2
25 pages
Print Icon
To Next Page IconTo Next Page
To Next Page IconTo Next Page
To Previous Page IconTo Previous Page
To Previous Page IconTo Previous Page
Loading...
unifiedbrands.net 15
Electrical Diagram