EasyManua.ls Logo

RAS 74.30 - Page 141

Default Icon
263 pages
Print Icon
To Next Page IconTo Next Page
To Next Page IconTo Next Page
To Previous Page IconTo Previous Page
To Previous Page IconTo Previous Page
Loading...
7
6
3 4
5
2
tL3
,-? /3
di,..
{
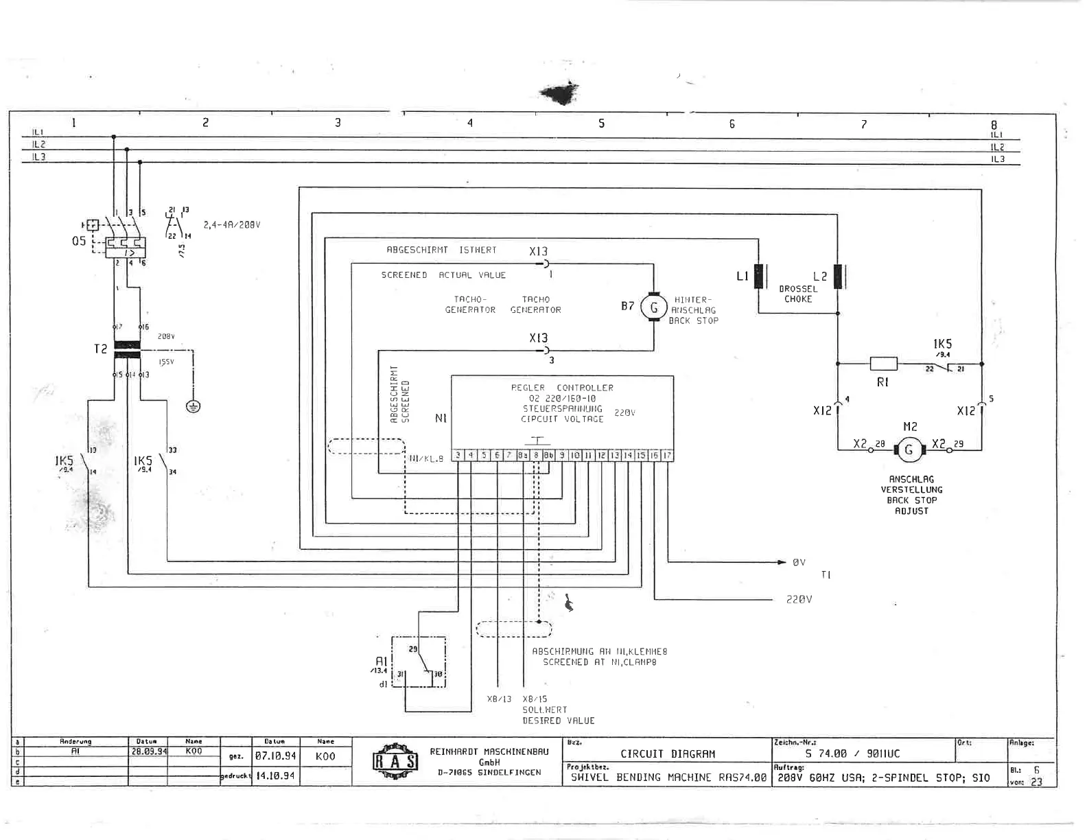
2,4-44/248V
05
BBCESCHiRT'rT
ISTT.TERT
xl3
SCREEI''IE
B
RCTUHL VFLUE
LI
TRCHO-
CENE
I?R T
OR
TFCHO
CENTRRTOR
xt3
HII.IIER-
RIIS
C
HL RG
BRCK STOP
B7
T2
203V
ltsv
3
E
4_
-U
OZ
9q
GO
xt2
TI
RI
v?
28
xl2
5
NI
M2
x?
?9
llll/trL.8
lK5
/9.1
RNSCHLf,G
VERSTELLUNG
BRC(
STOP
AOJUSI
a\t
\
2?EV
HI
3.t
dt
RBSCIIIRHUHC
BN
ill,KLEtlt.rE8
SCRIENID
AT IlI,CLFI.IP8
/l
v.8/t3
x8/
t5
solt HtRT
DESiREO
VRLUE
PEGLER COI.ITPOLLER
0?
e?g/tE0-t0
S]EUIRSPRIII,IUI'IG
CJPCUJT
VOLTBGI
?lgv
-r
L2
BROSSEL
CHOKE
rK5
/g.a
I
s
74.OA
/
gAilUC
?ABv 6AHZ USR; Z-SPINDEL ST0P; 5I0
CIRCUIT
DIFGRBI{
B!2.
SHIVEL BEI'IDING HRCHINE RNS74.BA
REINI]RRDT IlRSCHINENBRU
GnbH
D-7I665
SINDELFIN6EN
itu
lllAsl
rh!tr
Na6c
K00
0atqi
a7.18.94
t4.t6.94
9cr'
lad.ucll
KOO
ilrna
g.lur
Fil
nnde.unq
Bl.:
6

Related product manuals