EasyManua.ls Logo

RAS 74.40 - Page 128

Default Icon
263 pages
Print Icon
To Next Page IconTo Next Page
To Next Page IconTo Next Page
To Previous Page IconTo Previous Page
To Previous Page IconTo Previous Page
Loading...
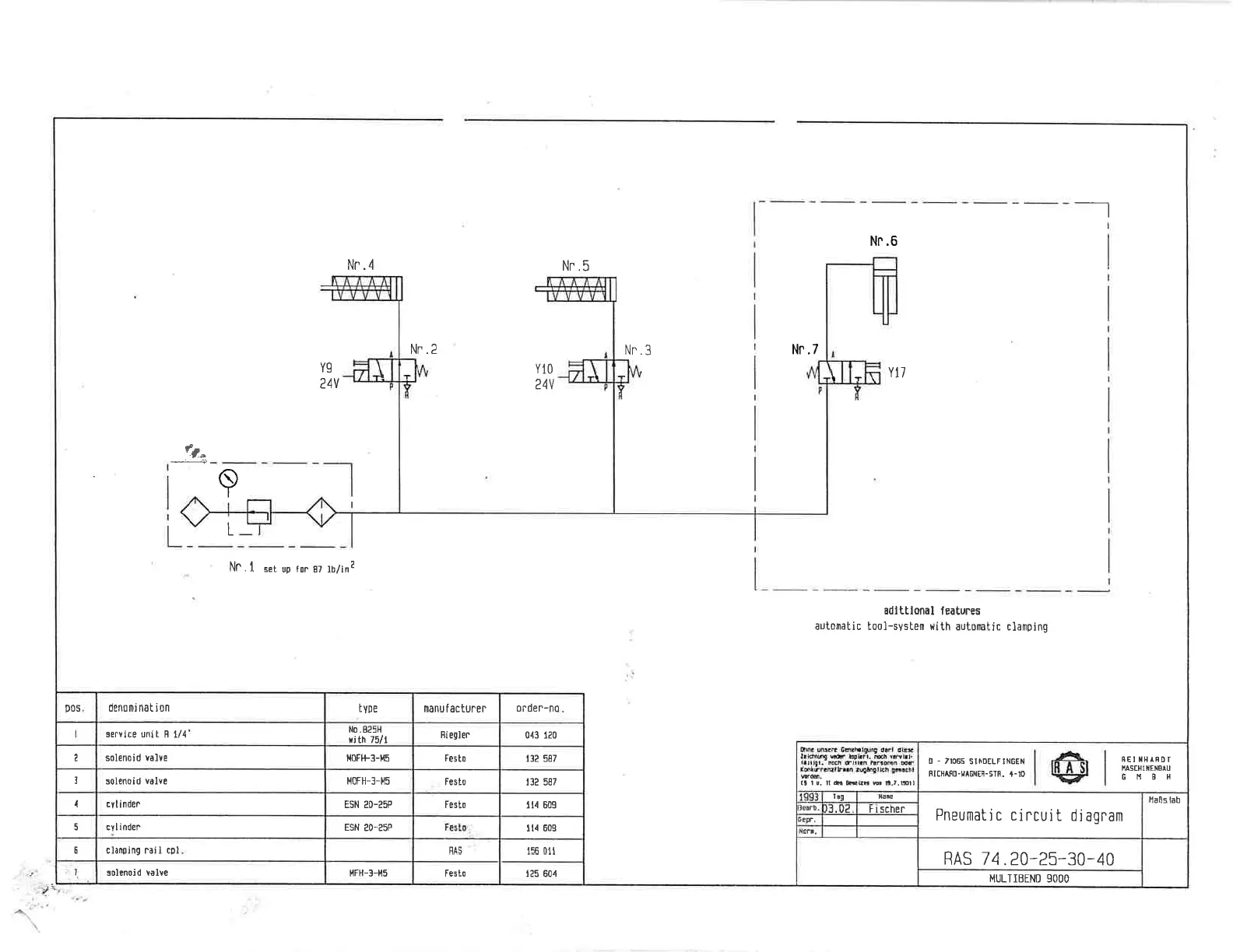
Nr .4
Nn
.5
Nn.6
Y17
rdlttlonal
teatures
dutomatic t00l-systen rith
automatic
clanping
Nr
.2
Nr
.3
Nn .7
Y9
24U
Y10
2AU
fto
I
L
Nn.
I
set up
fon
E7 lb/in?
T
\
t
T
\
HaBs lab
MULTIBENO
9OOO
O
-
71065
SINOELFINGEN
FICHMO-YAGNEF-STF. {.O
-4.
IRASI
=t'
f,Et
t{8rnDr
MSCH I t{E}rBrU
GI.IBH
Pneumatic cincuit
diagnam
RAS 74.20-25-30-40
F i scher
I!g
epa
h! uler G.dl$n!
dr.l !l.s
IrfrqldbtL.r.@YRI.F
lltrql. norn flrtm hrromn dr
tmlrr.rltsnn
rqbElGn
!frrchl
(t
I !. x 6 hE€ hr
E-t.r$tl
Jearb.
Nott.
orden-no
043 120
t32 587
t32 587
It4 609
It1 609
156 oil
t25 604
nanu facturer
Biegler
FestD
Festo
Festo
RAS
FesIo
tYPe
No.825H
rith 75/l
t{0FH-3-16
r'roFH-3-l'15
ESN 20-25P
EsN
e0-25P
ilFH-3-H5
denollli nat i on
service
unit R 1/4
solenoid
vrlre
solenoid
vaive
cylinden
cylinder
clanoing rril cDl
30lenoid YBIYe
t
1
5
p0s
6
.!",.

Related product manuals