EasyManua.ls Logo

RAS 74.40 - Page 142

Default Icon
263 pages
Print Icon
To Next Page IconTo Next Page
To Next Page IconTo Next Page
To Previous Page IconTo Previous Page
To Previous Page IconTo Previous Page
Loading...
.:'
6
5
?
3
4
7
{"
[{
5?
l.ll/16
Nl/17
L
UtF
IER
rHN
XI
T 3/8.1
R2
KFL
TL
EI TI R
T
t
I,IPE RRT URFUEHL IR
PO5I5 TOR
TEIIPERRTURE DEVICE
NOT_RUS
E}IERGENCY OFF
XI
53
NOT
-FUS
sr3B
[---
EI.lERCENCY OFF
2,{
-'r
R/
2 08 V
F[ 352U
10., B3
XI
t'l0t.ll T0R
06i
62
59
3a
XI
53
05
/6,1
Q4
/Z,l
03
/1.5
02
/1,3
o7
/1,2
K8
/3.5
XI
80
t3
l4
t3
l4
t3
t1
il
TI
X
5l
TIN
sil
E-E---
ON
X4
X
6t
la
KI
2r
TLEIiTROIIIK U.
BTLOSCHIRIJ
ELECTROIIIC
FI'ID
SCREEI'I
I'IE T ZRIlSCHL USS
TIIT
CFBLE
.
220V-
XI
X4
I'l0T -
FUs
'
.
s13
[___
EIIERGEIICY ElOP
RUS
sl2
[---
OFF
X4
XI
K?
/8.2
K3
/8-a
.7
oZ
F2
t'-
I
I
t1
XI
87
88
*
t3,t{
,k#2
33:3{
.14,
-1-
.s
..18.1
iE,?
+
I
6
DO
!
KI
-l
RC
RI
n
FI
M6
?30
rIRCH
TIlTFERTIEN DIESER
VIRBIII!UI.IG
HIJSS
DRFUER
E I
I',IE
] SOLRTIONSUEBIR-
I.IFCHUIlC
EII.IGEBFUT
I'IERDENI
l,IHtI.I
RtI,IOVII'IG THIS
CONNEXION YOU HFVE
TO
II'ISTRLL
RI.I
I5OLRI]ON
l.lRT
c
H!
r@l0u/5.73 60f)2
ll5
2zAU
LI
230V
..,:
L
gl.:
7
s
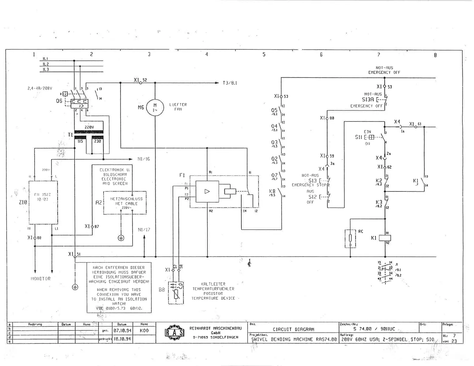
74.44
/
gAllUC
,
a0BV
6AHZ USR;
Z-SPINDEL 5T0P; 5I0,,.,
flu{l.rrgl
CIRCUIT DIHGRNH
8er.
9IdIVTL
BTNDING
MRCHINE RRS74.AA
Projokib.z.
JlfrO.
IRASI
.n}@
REINHRRDT HRSCHTNTNBRU
GnbH
D-7I065 SINDELFINGEN
Nahc
K00
Uatui
67.18.34
I 8.10.94
gct'
t€dru.cl!
Oatur
S
'
.r.1ir, .
u.:,:;-8

Related product manuals